GM Service Manual Online
For 1990-2009 cars only
Makes
🢒
Chevrolet
🢒
2003
🢒
Blazer - 4WD
🢒
Body and Accessories
🢒
Seats
🢒 Lumbar Support Schematics
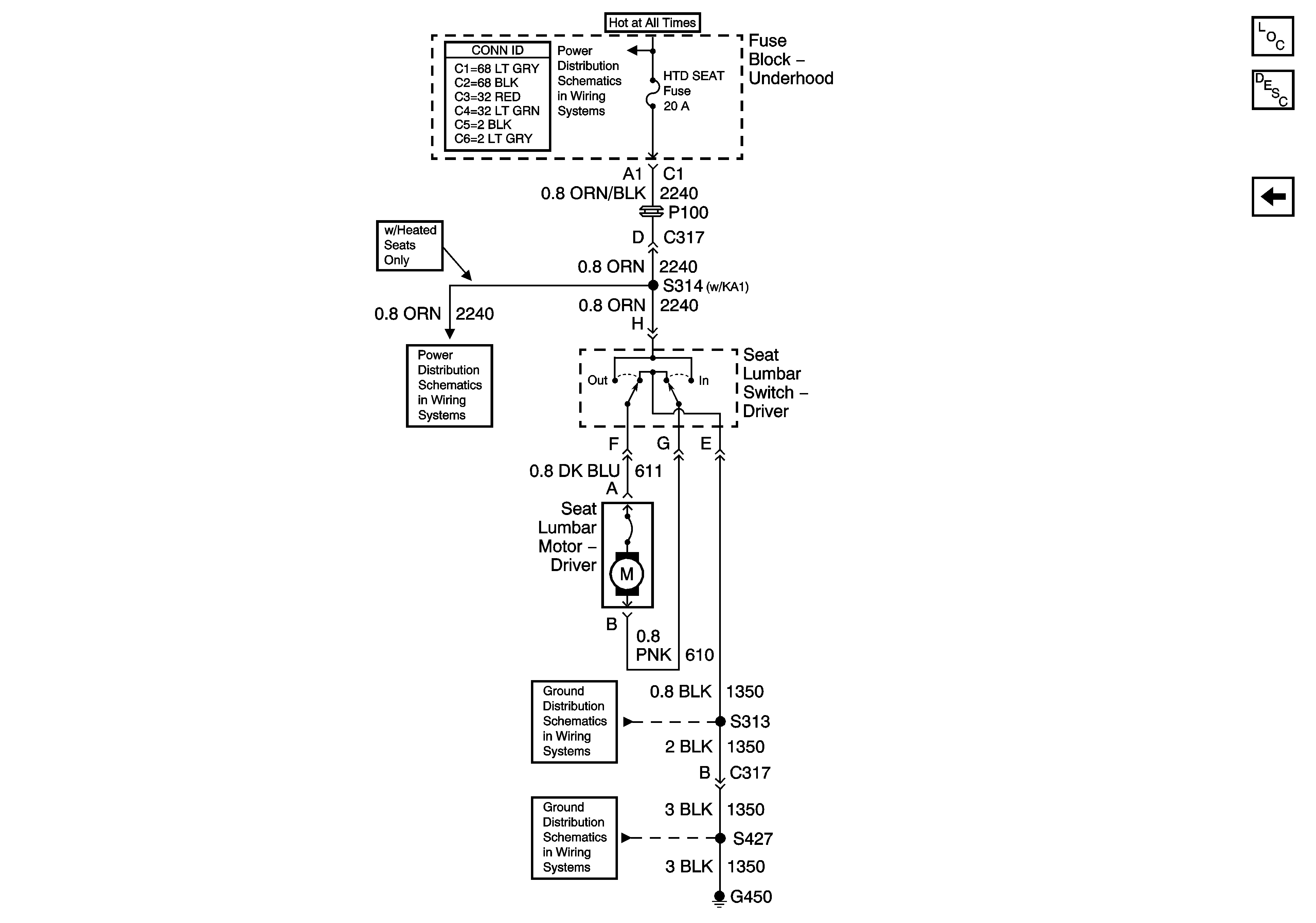
Figure
1:
Lumbar w/o Memory Seats
Master Electrical Component List
Lumbar Support Description and Operation
Lumbar w/Memory Seats
POWER SEATS, POWER WINDOW Circuit Breakers and RAP Relay
POWER SEATS, POWER WINDOW Circuit Breakers and RAP Relay
S313 and S419
G420, G450 and S427 - Utility and Crew Cab
B+ Bus Bar
S320 and S420
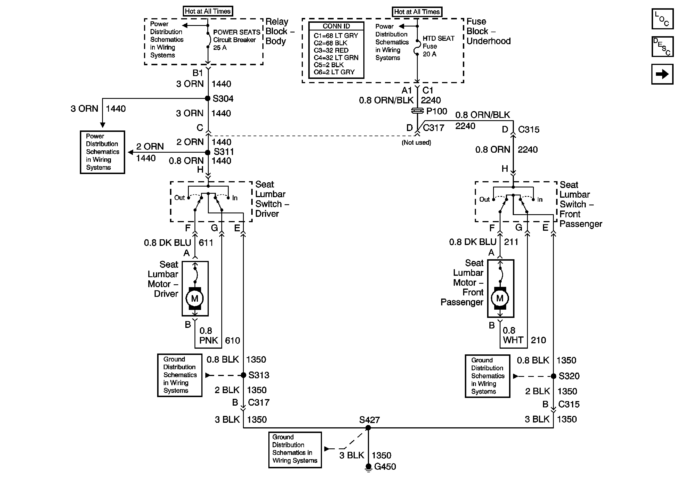
Figure
2:
Lumbar w/ Memory Seats
Master Electrical Component List
Lumbar Support Description and Operation
Lumbar w/o Memory Seats
B+ Bus Bar
HTD SEAT, ATC, HVAC and A/C Fuses
S313 and S419
G420, G450 and S427 - Utility and Crew Cab
HTD SEAT, ATC, HVAC and A/C Fuses
S320 and S420