GM Service Manual Online
For 1990-2009 cars only
Makes
🢒
Chevrolet
🢒
1999
🢒
Blazer - 4WD - RHD
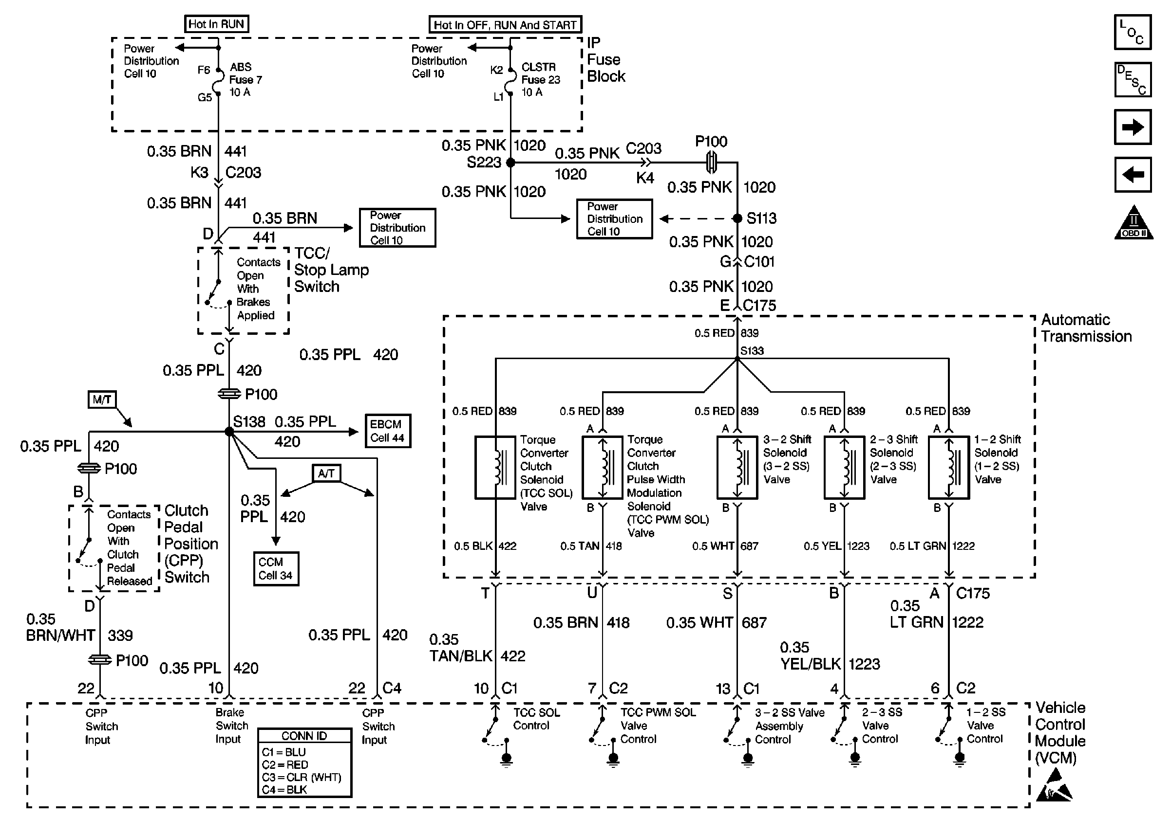
🢒 Cell 20: Automatic Transmission Valve Controls
Cell 20: Automatic Transmission Valve Controls
Cell 20: Automatic Transmission Valve Controls