GM Service Manual Online
For 1990-2009 cars only

Object Number: 395762  Size: LF
Handling ESD Sensitive Parts Notice
Handling ESD Sensitive Parts Notice
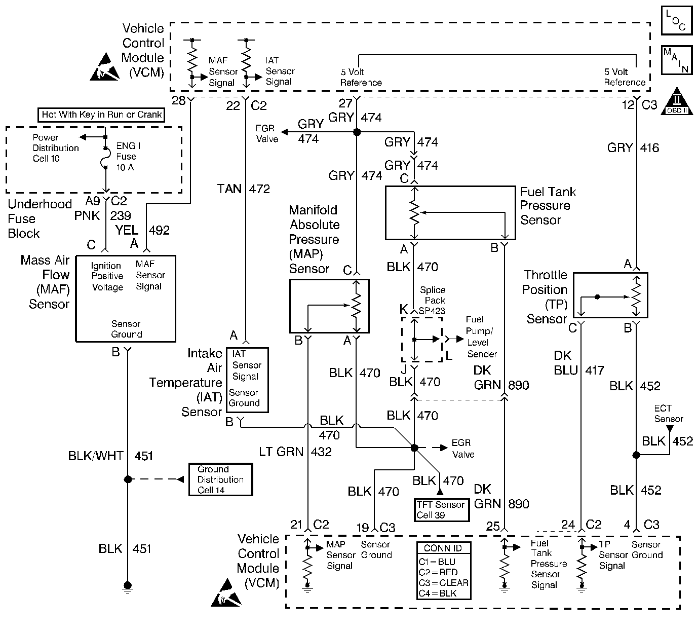
Engine Controls Components
Cell 20: MAF and IAC Controls
OBD II Symbol Description Notice

Circuit Description

The mass air flow (MAF) sensor is an air flow meter. The control module supplies the MAF sensor a signal circuit. An ignition positive voltage circuit and a ground circuit are supplied to the MAF sensor by independent circuits. The MAF sensor heats a wire element, or grid, within the MAF sensor in order to maintain a calculated temperature. As inlet air flows across and cools the grid, the MAF sensor increases current flow to the grid in order to maintain the constant grid temperature. The MAF sensor converts the grid current flow into a frequency signal. The control module converts the MAF signal frequency into a grams per second value. During low air flow rates, such as at engine idle, the MAF sensor produces a low frequency signal. During high air flow rates, such as at wide open throttle-road load, the MAF sensor increases the frequency signal. The control module monitors the MAF sensor signal frequency in order to calculate the flow and mass of the air entering the engine.

This DTC is designed to detect an unusually high MAF sensor signal frequency. If the VCM detects a MAF signal frequency above the possible range of a normally operating MAF sensor, this DTC will be set.

Conditions for Running the DTC

    • The engine is running.
    • The engine speed is more than 300 RPM.
    • The system voltage is more than 8 volts.

Conditions for Setting the DTC

The MAF frequency is 11000 Hz or more for more than 1 second.

Action Taken When the DTC Sets

    • The control module illuminates the malfunction indicator lamp (MIL) if a failure is detected during 2 consecutive key cycles.
    • The control module sets the DTC and records the operating conditions at the time the diagnostic failed. The failure information is stored in the scan tool Freeze Frame/Failure Records.

Conditions for Clearing the MIL or DTC

    • The control module turns OFF the MIL after 3 consecutive drive trips when the test has run and passed.
    • A history DTC will clear if no fault conditions have been detected for 40 warm-up cycles. A warm-up cycle occurs when the coolant temperature has risen 22°C (40°F) from the startup coolant temperature and the engine coolant reaches a temperature that is more than 70°C (158°F) during the same ignition cycle.
    • Use a scan tool in order to clear the DTCs.

Diagnostic Aids

Check for the following conditions:

    • A misrouted harness. Inspect the MAF sensor harness in order to ensure that it is not routed too close to the high voltage wires such as spark plug leads.
    • A damaged harness. Inspect the wiring harness for damage. If the harness appears to be OK, observe the scan tool while moving connectors and wiring harnesses related to the MAF sensor. A change in the display will indicate the location of the malfunction.

An intermittent may be caused by any of the following conditions:

    • A poor connection
    • Rubbed through wire insulation
    • A broken wire inside the insulation

Thoroughly check any circuitry that is suspected of causing the intermittent complaint. Refer to Intermittents and Poor Connections Diagnosis in Wiring Systems.

If a repair is necessary, refer to Wiring Repairs or Connector Repairs in Wiring Systems.

Test Description

The numbers below refer to the step numbers on the diagnostic table:

  1. This step verifies that the problem is present at idle.

  2. A frequency reading with the MAF sensor connector disconnected indicates an Electromagnetic Interference (EMI) related fault or a poor connection. Disconnecting the MAF sensor may set additional related DTCs.

Step

Action

Value(s)

Yes

No

1

Important: Before clearing the DTCs, use the scan tool Capture Info to save the Freeze Frame and Failure Records for reference. The control module's data is deleted once the Clear Info function is used.

Did you perform the Powertrain On-Board Diagnostic (OBD) system Check?

--

Go to Step 2

Go to Powertrain On Board Diagnostic (OBD) System Check

2

  1. Start the engine.
  2. With the engine idling, monitor the MAF reading on the scan tool.

Is the MAF reading more than the specified value?

20 g/s

Go to Step 4

Go to Step 3

3

  1. Turn ON the ignition leaving the engine OFF.
  2. Review the scan tool Failure Records data.
  3. Record the scan tool Failure Records data.
  4. Operate the vehicle within the Failure Records conditions as noted.
  5. Monitor the Specific DTC information for a DTC P0103 with a scan tool.

Does the scan tool indicate that DTC P0103 Failed This Ignition?

--

Go to Step 4

Go to Diagnostic Aids

4

  1. Turn OFF the ignition.
  2. Disconnect the MAF sensor harness connector.
  3. Start the engine.
  4. Monitor the MAF on the scan tool.

Is the MAF reading at the specified value?

0.0 g/s

Go to Step 5

Go to Step 7

5

  1. Check for a poor connection at the MAF sensor harness terminals.
  2. Repair as necessary. Refer to Connector Repairs in Wiring Systems.

Did you find a problem?

--

Go to Step 10

Go to Step 6

6

Replace the MAF sensor. Refer to Mass Airflow Sensor Replacement .

Is the action complete?

--

Go to Step 10

--

7

  1. Check the MAF sensor harness for the following conditions:
  2. • Incorrect routing near the secondary ignition wires or coils.
    • Other high voltage components (solenoids, relays, motors).
  3. Repair as necessary.

Did you find a problem?

--

Go to Step 10

Go to Step 8

8

  1. Check the MAF signal circuit terminal connections at the VCM.
  2. Repair as necessary. Refer to Connector Repairs in Wiring Systems.

Did you find a problem?

--

Go to Step 10

Go to Step 9

9

  1. Replace the VCM.
  2. Program the new VCM. Refer to VCM Replacement/Programming .
  3. Perform the Passlock Reprogramming Procedure. Refer to PASSLOCK Reprogramming Seed and Key in Theft Deterrent.
  4. Perform the CKP System Variation Learn Procedure. Refer to Crankshaft Position System Variation Learn .

Is the action complete?

--

Go to Step 10

--

10

  1. Using the scan tool, clear the DTCs.
  2. Start the engine.
  3. Allow the engine to idle until the engine reaches normal operating temperature.
  4. Select DTC and the Specific DTC function.
  5. Enter the DTC number which was set.
  6. Operate the vehicle, with the Conditions for Setting this DTC, until the scan tool indicates that the diagnostic Ran.

Does the scan tool indicate that the diagnostic Passed?

--

Go to Step 11

Go to Step 2

11

Does the scan tool display any additional undiagnosed DTCs?

--

Go to the applicable DTC table

System OK