GM Service Manual Online
For 1990-2009 cars only

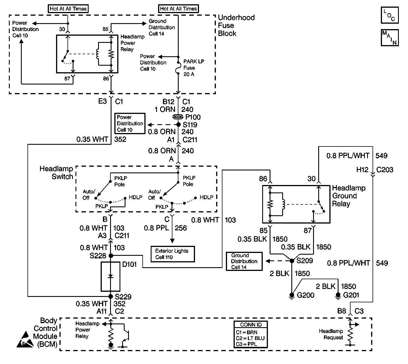
Object Number: 397086  Size: LF
Body Control Module Components
Body Control System Schematics

Circuit Description

The body control module (BCM) monitors and supplies battery voltage to the headlamp power (HDLP PWR) relay on CKT 352. The BCM supplies battery voltage to the headlamp power relay in order to power up the headlamps when the following conditions exist:

    • The ambient light sensor is in the DARK state.
    • The headlamp and panel dimmer switch is in the AUTO/OFF position.

DTC B2577 sets when the following conditions exist:

    • The ignition switch is in the RUN position.
    • The ambient light sensor is in the DARK state.
    • CKT 352 is shorted to ground.

Conditions for Running the DTC

    • The ignition switch is in the RUN position.
    • The headlamps and panel dimmer switch is in the AUTO/OFF position.
    • The ambient light sensor is in the DARK state.
    • The park brake is released.
    • CKT 352 is shorted to ground.
    • The system voltage is within 9.0-16.0 volts.
    • The above conditions exist for 0.5 seconds.

Action Taken When the DTC Sets

The automatic headlamps will not operate properly when the headlamp and panel dimmer switch is in the AUTO/OFF position and the ambient light sensor is in the DARK state.

Conditions for Clearing the MIL/DTC

    • DTC B2577 will clear immediately after the short to ground in CKT 352 is repaired.
    • The DTC will clear immediately after the next ignition cycle that does not contain a fault.
    • A history DTC will clear after 100 consecutive ignition cycles without a fault present.
    • History and current DTCs may be cleared using a scan tool.

Diagnostic Aids

    • If the headlamps are manually turned ON when CKT 352 is shorted to ground, the HDLP SW fuse will blow and the headlamp and panel dimmer switch may be damaged.
    • When the TBC fuse blows, the scan tool will lose communication with the BCM.
    • Always diagnose the first DTC that is listed on the scan tool.
    • Verify that the scan tool displays DTC B2577 as a current code before you perform diagnostics.
    • Inspect for loose or poor connections at all of the related components.
    • Refer to Intermittents and Poor Connections Diagnosis in Wiring Systems.

Test Description

The numbers below refer to the step numbers on the diagnostic table.

  1. This step determines if CKT 352 is shorted to ground or defective.

  2. This step determines if the BCM is causing the DTC to set or if the headlamp power relay is causing the DTC to set.

  3. This step determines if one of the following conditions exists:

  4. • The HDLP PWR relay is shorted.
    • CKT 352 is shorted to ground.

Step

Action

Value(s)

Yes

No

1

Did you perform the BCM Diagnostic System Check?

--

Go to Step 2

Go to Diagnostic System Check - Body Control System

2

  1. Ensure that the headlamp and panel dimmer switch is in the AUTO/OFF mode position. Another position will cause the TBC fuse to blow and may cause damage to the switch.
  2. Turn the ignition switch to the OFF position.
  3. Remove the headlamp power relay from the underhood fuse block.
  4. Disconnect the BCM connector C2 (BLU). Remove the comb from the connector.
  5. Connect a test lamp to battery voltage. In order to prevent damage to the terminal, backprobe between CKT 352 (WHT) cavity A11 and ground.

Does the test lamp light?

--

Go to Step 4

Go to Step 3

3

  1. Install a known good relay into the underhood fuse block for the headlamp power relay.
  2. Connect all of the components.
  3. Turn the ignition switch to the ON position.
  4. Use a scan tool in order to inspect for a current DTC B2577.

Is DTC B2577 set as a current code?

--

Go to Step 7

Go to Step 5

4

Locate and repair the short to ground in CKT 352 (WHT) between the BCM and the headlamp and panel dimmer switch and the underhood fuse block.

Is the repair complete?

--

Go to Step 8

--

5

Use a J 39200 digital multimeter (DMM) in order to measure the resistance between terminal 85 and terminal 86 (coil side) of the headlamp power relay.

Is the resistance less than the specified value?

20 ohms

Go to Step 6

Go to Diagnostic Aids

6

Replace the HDLP PWR relay in the underhood fuse block.

Is the repair complete?

--

Go to Step 8

--

7

  1. Replace the BCM.
  2. Connect all of the components.
  3. Program the correct calibrations into the BCM.
  4. Perform the learn procedure.

Is the repair complete?

--

Go to Step 8

--

8

Clear the DTCs.

Is the repair complete?

--

Go to Diagnostic System Check - Body Control System

--