GM Service Manual Online
For 1990-2009 cars only

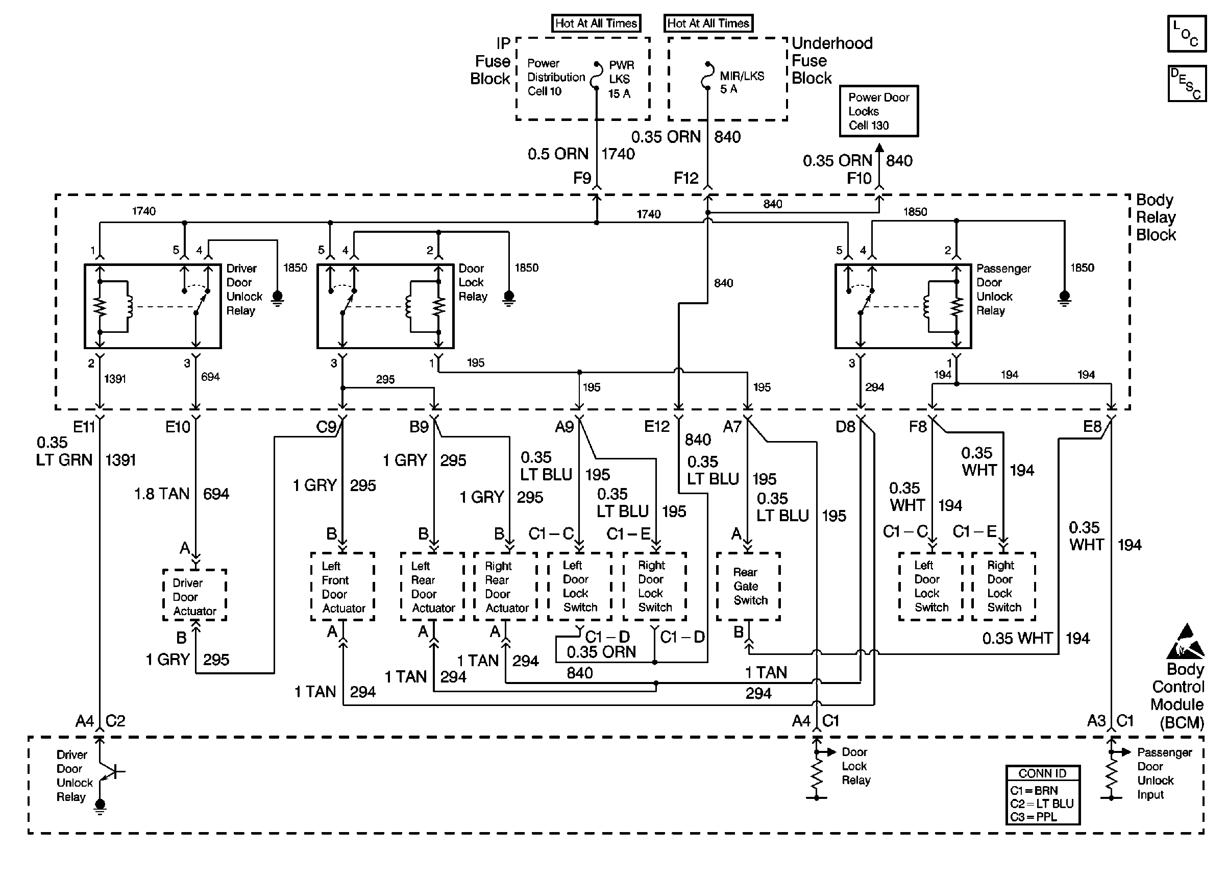
Refer to

Cell 51: Power Door Locks


Object Number: 397055  Size: FS
in Body Control Module Schematics for wiring diagrams.

Circuit Description

The body control module (BCM) monitors and supplies an output voltage on CKT 194 in order to lock the doors. When the BCM receives an unlock signal from the remote control door lock receiver to unlock the passenger door, the BCM supplies voltage to the unlock relay and unlocks the door. If CKT 194 is shorted to battery voltage for more than 184 seconds, the BCM will set DTC B3148 as a current code.

Conditions for Setting the DTC

    • CKT 194 is shorted to battery voltage for more than 184 seconds.
    • The system voltage is between 9.0-16.0 volts.
    • The above conditions exist for 184 seconds.

Action Taken When the DTC Sets

The power door unlock system will not function with the remote control door lock receiver system or either door switch.

Conditions for Clearing the MIL/DTC

    • A current DTC will clear immediately after the short to battery voltage is corrected.
    • A history DTC will clear after 100 consecutive ignition cycles without a fault present.
    • History and current DTCs may be cleared using a scan tool.

Diagnostic Aids

    • Always diagnose the first DTC that is listed on the scan tool.
    • verify that the scan tool displays DTC B3148 as a current code before you perform diagnostics.
    • Inspect for loose or poor connections at all of the related components.
    • Refer to Intermittents and Poor Connections Diagnosis in Wiring Systems.

Test Description

The numbers below refer to the step numbers on the diagnostic table.

  1. This step determines if the left front door lock switch is shorted to battery voltage.

  2. This step determines if the right front door lock switch is shorted to battery voltage.

  3. This step determines if CKT 194 is shorted to battery voltage or if the BCM is defective.

Step

Action

Value(s)

Yes

No

1

Did you perform the BCM Diagnostic System Check?

--

Go to Step 2

Go to Diagnostic System Check - Body Control System

2

  1. Use a scan tool in order to monitor the current DTCs.
  2. Disconnect the left front door lock switch.

Does the scan tool display DTC B3148 as a current code?

--

Go to Step 3

Go to Step 6

3

  1. Use a scan tool in order to monitor the current DTCs.
  2. Disconnect the right front door lock switch.

Does the scan tool display DTC B3148 as a current code?

--

Go to Step 4

Go to Step 7

4

  1. Disconnect the BCM connector C1 (BRN). Remove the comb from the connector.
  2. Use a J 39200 digital multimeter (DMM) in order to backprobe the BCM connector between CKT 194 (WHT) cavity A3 and ground.

Does the J 39200 DMM display battery voltage?

--

Go to Step 5

Go to Step 8

5

Locate and repair the short to battery voltage in CKT 194 (WHT) between the BCM and one of the following components:

    • The passenger door UNLOCK relay
    • The left front and right front door lock switches
    • The rear gate switch

Is the repair complete?

--

Go to Step 9

--

6

Replace the left front door lock switch.

Is the repair complete?

--

Go to Step 9

--

7

Replace the right front door lock switch.

Is the repair complete?

--

Go to Step 9

--

8

  1. Replace the BCM.
  2. Program the correct calibrations into the BCM.
  3. Perform the learn procedure.

Is the repair complete?

--

Go to Step 9

--

9

  1. Replace all of the disconnected components.
  2. Clear the DTCs.

Is the repair complete?

--

Go to Diagnostic System Check - Body Control System

--