GM Service Manual Online
For 1990-2009 cars only

Intake Manifold Replacement Upper

Removal Procedure

Important: You do not have to remove the upper intake manifold in order to remove the lower intake manifold.

  1. Remove the air cleaner outlet duct from the throttle body and the air cleaner assembly. Refer to Air Cleaner Outlet Duct Replacement in Engine Controls.
  2. Disconnect the accelerator control cable from the throttle shaft. Refer to Accelerator Control Cable Replacement in Engine Controls.
  3. Disconnect the cruise control cable, if equipped. Refer to Cruise Control Cable Replacement in Cruise Control.

  4. Object Number: 520331  Size: SH
  5. Disconnect the vacuum hose for the vacuum tank from the intake manifold.
  6. Disconnect the power brake booster vacuum hose from the intake manifold.

  7. Object Number: 520336  Size: SH
  8. Disconnect the following electrical connectors:
  9. • The A/C high pressure cutoff switch (4), if equipped
    • The A/C clutch switch (1), if equipped
    • The throttle position (TP) sensor (2)
    • The idle air control (IAC) motor (3)

    Object Number: 520338  Size: SH
  10. Disconnect the following electrical connectors:
  11. • The fuel meter body assembly connector (1)
    • The manifold absolute pressure (MAP) sensor (3)
    • The EVAP canister purge solenoid valve (2)

    Object Number: 475775  Size: SH
  12. Disconnect the following electrical connectors:
  13. • The EGR valve (1)
    • The ignition coil (4)
    • The ignition control module (ICM) (3)
  14. Remove the engine wiring harness clip (2) from the accelerator control cable bracket.

  15. Object Number: 475774  Size: SH
  16. Remove the engine wiring harness clip from the stud on the throttle body.

  17. Object Number: 475776  Size: SH
  18. Remove the engine wiring harness from the engine wiring harness brackets.
  19. Move and secure the engine wiring harness out of the way.

  20. Object Number: 172995  Size: SH
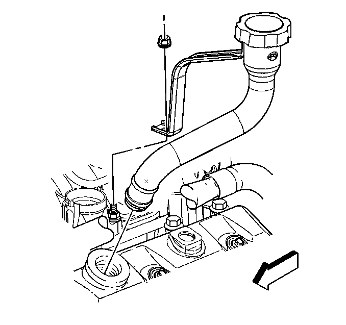
  21. Remove the PCV valve hose assembly from the intake manifold and the valve rocker arm cover.

  22. Object Number: 398027  Size: SH
  23. Remove the accelerator control cable bracket nuts and stud from the throttle body and the intake manifold.
  24. Remove the accelerator control cable bracket from the throttle body and the intake manifold.

  25. Object Number: 380009  Size: SH
  26. Remove the bolt holding the accelerator and cruise control cable bracket to the generator mounting bracket.
  27. Move the bracket aside with the wiring harness and the cables attached.

  28. Object Number: 339442  Size: SH
  29. Remove the engine wiring harness bracket nut from the intake manifold stud.
  30. Remove the engine wiring harness bracket from the intake manifold stud.

  31. Object Number: 475777  Size: SH
  32. Remove the nuts holding the two engine wiring harness brackets to the studs at the rear of the lower intake manifold.
  33. Remove the engine wire harness brackets.

  34. Object Number: 380027  Size: SH
  35. Remove the oil fill tube retaining nut.
  36. Remove the oil fill tube from the intake manifold stud and the valve rocker arm cover.
  37. Remove the fuel lines from the fuel meter body assembly. Refer to Fuel Hose/Pipes Replacement - Engine Compartment in Engine Controls.
  38. Remove the EVAP canister purge solenoid valve. Refer to Evaporative Emission Canister Purge Solenoid Valve Replacement in Engine Controls.

  39. Object Number: 516794  Size: SH
  40. Remove the studs for the upper intake manifold.
  41. Remove the upper intake manifold.

  42. Object Number: 516790  Size: SH
  43. Remove the upper intake manifold gasket from the groove.
  44. Discard the gasket.

  45. Object Number: 516773  Size: SH
  46. Remove the seal from the fuel meter body assembly.
  47. Discard the seal.
  48. Important: Do not immerse the assembled upper intake manifold in cleaning solvent.

  49. Clean all sealing surfaces and the inside of the upper intake manifold with a shop towel and cleaning solvent.
  50. Inspect the upper intake manifold for the following:
  51. • Cracks or other damage to the exterior
    • Cracking or damage to the gasket grooves
    • Loose or damaged bolt hole thread inserts
    • Damage to the throttle body mounting surface

    Object Number: 516804  Size: SH
  52. If replacing the upper intake manifold, turn and remove the power brake booster vacuum tube fitting
  53. Remove and discard the seal.

  54. Object Number: 516797  Size: SH
  55. If replacing the upper intake manifold, turn and remove the PCV valve cover
  56. Remove and discard the seal.
  57. Remove the throttle body if replacing the upper intake manifold. Refer to Throttle Body Assembly Replacement .
  58. Remove the MAP sensor if replacing the upper intake manifold. Refer to Manifold Absolute Pressure Sensor Replacement in Engine Controls.

Installation Procedure


    Object Number: 516797  Size: SH
  1. Install the throttle body if removed. Refer to Throttle Body Assembly Replacement .
  2. Install the MAP sensor if removed. Refer to Manifold Absolute Pressure Sensor Replacement in Engine Controls.
  3. Install the PCV valve cover if removed using the following procedure:
  4. 3.1. Install a NEW seal (O-ring) on the PCV valve cover.
    3.2. Lubricate the seal with clean engine oil.
    3.3. Install the PCV valve cover in the upper intake manifold.
    3.4. Turn and lock the PCV valve cover in position.

    Object Number: 516804  Size: SH
  5. Install the power brake booster vacuum tube fitting if removed using the following procedure:
  6. 4.1. Install a NEW seal (O-ring) on the power brake booster vacuum tube fitting.
    4.2. Lubricate the seal with clean engine oil.
    4.3. Install the power brake booster vacuum tube fitting in the upper intake manifold.
    4.4. Turn and lock the power brake booster vacuum tube fitting in position.

    Object Number: 516773  Size: SH
  7. Install a NEW seal on the fuel meter body assembly.
  8. Lubricate the seal with clean engine oil.

  9. Object Number: 516790  Size: SH
  10. Install a NEW upper intake manifold to lower intake manifold gasket in the groove of the upper intake manifold.

  11. Object Number: 516794  Size: SH
  12. Install the upper intake manifold onto the lower intake manifold.
  13. If reusing the fasteners, apply threadlock GM P/N 12345382 or equivalent to the threads of the upper intake manifold attaching bolts.
  14. Notice: Use the correct fastener in the correct location. Replacement fasteners must be the correct part number for that application. Fasteners requiring replacement or fasteners requiring the use of thread locking compound or sealant are identified in the service procedure. Do not use paints, lubricants, or corrosion inhibitors on fasteners or fastener joint surfaces unless specified. These coatings affect fastener torque and joint clamping force and may damage the fastener. Use the correct tightening sequence and specifications when installing fasteners in order to avoid damage to parts and systems.

  15. Install the upper intake manifold attaching studs.
  16. Tightening

    1. Tighten the upper intake manifold attaching studs on the first pass to 5 N·m (44 lb in).
    2. Tighten the upper intake manifold attaching studs on the final pass to 9 N·m (80 lb in).
  17. Install the fuel lines to the fuel meter body assembly. Refer to Fuel Hose/Pipes Replacement - Engine Compartment in Engine Controls.
  18. Install the EVAP canister purge solenoid valve. Refer to Evaporative Emission Canister Purge Solenoid Valve Replacement in Engine Controls.

  19. Object Number: 339442  Size: SH
  20. Install the engine wiring harness bracket on the intake manifold stud.
  21. Install the nut.
  22. Tighten
    Tighten the engine wiring harness bracket nut to 12 N·m (106 lb in).


    Object Number: 475777  Size: SH
  23. Install the two engine wiring harness brackets and nuts on the studs at the rear of the upper intake manifold.
  24. Tighten
    Tighten the engine wiring harness bracket nuts to 12 N·m (106 lb in).


    Object Number: 380027  Size: SH
  25. Install the oil fill tube in the valve rocker arm cover and on the intake manifold stud.
  26. Install the oil fill tube retaining nut.
  27. Tighten
    Tighten the oil fill tube nut to 12 N·m (106 lb in).


    Object Number: 380009  Size: SH
  28. Install the accelerator and cruise control cable bracket on the generator mounting bracket.
  29. Install the bolt.
  30. Tighten
    Tighten the bracket bolt to 25 N·m (18 lb ft).


    Object Number: 398027  Size: SH
  31. Install the accelerator control cable bracket to the throttle body and the intake manifold.
  32. Install the accelerator control cable bracket stud and nuts.
  33. Tighten
    Tighten the bracket stud and nuts to 12 N·m (106 lb in).


    Object Number: 172995  Size: SH
  34. Connect the PCV valve hose assembly to the intake manifold and the valve rocker arm cover.

  35. Object Number: 475776  Size: SH
  36. Position the engine wiring harness.
  37. Install the engine wiring harness to the engine wiring harness brackets.

  38. Object Number: 475774  Size: SH
  39. Install the engine wiring harness and clip to the throttle body stud.

  40. Object Number: 475775  Size: SH
  41. Install the engine wiring harness and clip (2) to the accelerator control cable bracket.
  42. Connect the following electrical connectors:
  43. • The EGR valve (1)
    • The ignition coil (4)
    • The ignition control module (ICM) (3)

    Object Number: 520336  Size: SH
  44. Connect the following electrical connectors:
  45. • The A/C high pressure cutoff switch (4), if equipped
    • The A/C clutch switch (1), if equipped
    • The throttle position (TP) sensor (2)
    • The idle air control (IAC) motor (3)

    Object Number: 520338  Size: SH
  46. Connect the following electrical connectors:
  47. • The fuel meter body assembly connector (1)
    • The manifold absolute pressure (MAP) sensor (3)
    • The EVAP canister purge solenoid valve (2)

    Object Number: 520331  Size: SH
  48. Connect the vacuum hose for the vacuum tank to the intake manifold.
  49. Connect the power brake booster vacuum hose to the intake manifold.
  50. Install the cruise control cable, if equipped. Refer to Cruise Control Cable Replacement in Cruise Control.
  51. Install the accelerator cable to the throttle shaft. Refer to Accelerator Control Cable Replacement in Engine Controls.
  52. Install the air cleaner outlet duct to the throttle body and the air cleaner assembly. Refer to Air Cleaner Outlet Duct Replacement in Engine Controls.

Intake Manifold Replacement Lower

Removal Procedure

  1. Disconnect the battery negative cable. Refer to Battery Replacement in Engine Electrical.
  2. Remove the air cleaner outlet duct from the throttle body and the air cleaner assembly. Refer to Air Cleaner Outlet Duct Replacement in Engine Controls.
  3. Remove the accelerator cable from the throttle shaft and the accelerator control cable bracket. Refer to Accelerator Control Cable Replacement in Engine controls.
  4. Disconnect the cruise control cable, if equipped and remove from the accelerator control cable bracket. Refer to Cruise Control Cable Replacement in Cruise Control.

  5. Object Number: 380009  Size: SH
  6. Remove the bolt holding the accelerator and the cruise control cable bracket to the generator mounting bracket.
  7. Move the bracket aside with the wiring harness and the cables.

  8. Object Number: 520336  Size: SH
  9. Disconnect the following electrical connectors:
  10. • The A/C compressor high pressure switch (4), if equipped
    • The A/C clutch switch (1), if equipped
    • The throttle position (TP) sensor (2)
    • The idle air control (IAC) motor (3)

    Object Number: 520338  Size: SH
  11. Disconnect the following electrical connectors:
  12. • The fuel meter body assembly (1)
    • The manifold absolute pressure (MAP) sensor (3)
    • The EVAP canister purge solenoid valve (2)

    Object Number: 475775  Size: SH
  13. Disconnect the following electrical connectors:
  14. • The exhaust gas recirculation (EGR) valve (1)
    • The ignition coil (4)
    • The ignition control module (ICM) (3)
  15. Remove the engine wiring harness clip (2) from the accelerator control cable bracket.

  16. Object Number: 475774  Size: SH
  17. Remove the engine wiring harness and clip from the throttle body stud.

  18. Object Number: 475776  Size: SH
  19. Remove the engine wiring harness from the engine wiring harness brackets.
  20. Move and secure the engine wiring harness aside.

  21. Object Number: 71614  Size: SH
  22. Drain the cooling system. Refer to Cooling System Draining and Filling in Engine Cooling.
  23. Remove the radiator inlet hose at the water outlet. Refer to Radiator Hose Replacement in Engine Cooling.
  24. Remove the heater hose from the intake manifold. Refer to Heater Hoses Replacement in Heating Ventilation and Air Conditioning.
  25. Remove the EGR valve. Refer to Exhaust Gas Recirculation Valve Replacement EGR valve in Engine Controls.
  26. Remove the water pump inlet hose from the intake manifold.

  27. Object Number: 172982  Size: SH
  28. Remove the spark plug wire harness retainer from the EGR valve inlet pipe.
  29. Remove the EGR valve inlet pipe from the intake manifold and the exhaust manifold.

  30. Object Number: 520331  Size: SH
  31. Disconnect the vacuum hose for the A/C system from the intake manifold.
  32. Disconnect the power brake booster vacuum hose from the intake manifold.

  33. Object Number: 172995  Size: SH
  34. Disconnect the PCV hose assembly from the intake manifold and the valve rocker arm cover.
  35. Remove the EVAP canister purge solenoid valve. Refer to Evaporative Emission Canister Purge Solenoid Valve Replacement in Engine Controls.

  36. Object Number: 380027  Size: SH
  37. Remove the oil fill tube retaining nut.
  38. Remove the oil fill tube from the valve rocker arm cover and the intake manifold stud.

  39. Object Number: 340090  Size: SH

    Important: Do not discharge the refrigerant.

  40. Perform the following in order to remove the left front bolt for the intake manifold:
  41. 27.1. Remove the drive belt. Refer to Drive Belt Replacement .
    27.2. Loosen the nut for the power steering pump rear bracket at the side of the engine.
    27.3. Remove the nut for the power steering pump rear bracket at the front of the engine.
    27.4. Remove the bolts and the nut for the power steering pump mounting bracket.
    27.5. Leave the A/C compressor and the power steering pump on the power steering pump mounting bracket.
    27.6. Slide the power steering pump mounting bracket forward to access the bolt at the front of the intake manifold.
  42. Remove the distributor. Refer to Distributor Replacement in Engine Electrical.
  43. Disconnect the fuel supply and return pipes at the rear of the intake manifold. Refer to Fuel Hose/Pipes Replacement - Engine Compartment in Engine Controls.
  44. Remove the lower intake manifold. Refer to Intake Manifold Removal .
  45. Disassemble the intake manifold if replacing the lower intake manifold. Refer to Intake Manifold Disassemble .
  46. Important: Do not immerse the assembled intake manifold in cleaning solvent.

  47. Clean all sealing surfaces. Refer to Intake Manifold Clean and Inspect .

Installation Procedure

  1. Assemble the intake manifold if replacing the lower intake manifold. Refer to Intake Manifold Assemble .
  2. Install the lower intake manifold. Refer to Intake Manifold Installation .

  3. Object Number: 340090  Size: SH
  4. Position the power steering pump mounting bracket.
  5. Loosely install the power steering pump mounting bracket bolts and nuts.
  6. Notice: Use the correct fastener in the correct location. Replacement fasteners must be the correct part number for that application. Fasteners requiring replacement or fasteners requiring the use of thread locking compound or sealant are identified in the service procedure. Do not use paints, lubricants, or corrosion inhibitors on fasteners or fastener joint surfaces unless specified. These coatings affect fastener torque and joint clamping force and may damage the fastener. Use the correct tightening sequence and specifications when installing fasteners in order to avoid damage to parts and systems.

  7. Install the nut for the power steering pump rear bracket at the front of the engine.
  8. Tighten
    Tighten the bolts and the nuts for the power steering pump mounting bracket and the power steering pump rear bracket to 41 N·m (30 lb ft).

  9. Install the drive belt. Refer to Drive Belt Replacement .
  10. Install the fuel supply and return pipes to the rear of the intake manifold. Refer to Fuel Hose/Pipes Replacement - Engine Compartment in Engine Controls.

  11. Object Number: 334551  Size: SH

    Important: In order to install the distributor for the correct engine timing, position the engine to number one cylinder top dead center.

  12. Remove the spark plug for number one cylinder.
  13. Rotate the crankshaft until number one cylinder is in the compression stroke.
  14. Align the two reference marks on the crankshaft balancer (1) and (4) with the two alignment marks (2) and (3) on the front cover.
  15. Install the spark plug. Spark Plug Replacement in Engine Electrical.
  16. Install the distributor. Refer to Distributor Replacement in Engine Electrical.

  17. Object Number: 380027  Size: SH
  18. Install the oil fill tube to the valve rocker arm cover and the intake stud.
  19. Install oil fill tube nut.
  20. Tighten
    Tighten the nut to 12 N·m (106 lb in).


    Object Number: 520331  Size: SH
  21. Connect the power brake booster vacuum hose.
  22. Connect the vacuum hose for the A/C system to the intake manifold.
  23. Install the EVAP canister purge solenoid valve. Refer to Evaporative Emission Canister Purge Solenoid Valve Replacement in Engine Controls.
  24. Install the EGR valve inlet pipe to the intake and exhaust manifolds. Refer to Exhaust Gas Recirculation Valve Replacement in Engine Controls.
  25. Install the spark plug wire harness retainer on the EGR valve inlet pipe.

  26. Object Number: 172995  Size: SH
  27. Install the PCV hose assembly to the intake manifold and the valve rocker arm cover.

  28. Object Number: 71614  Size: SH
  29. Install the water pump inlet hose to the intake manifold.
  30. Install the EGR valve. Refer to Exhaust Gas Recirculation Valve Replacement in Engine Controls.
  31. Install the heater hose to the intake manifold. Refer to Heater Hoses Replacement in Heating Ventilation and Air Conditioning.
  32. Install the radiator inlet hose to the water outlet. Refer to Radiator Hose Replacement in Engine Cooling.
  33. Fill the cooling system. Refer to Cooling System Draining and Filling in Engine Cooling.

  34. Object Number: 475776  Size: SH
  35. Position the engine wiring harness.
  36. Install the engine wiring harness to the engine wiring harness brackets.

  37. Object Number: 475774  Size: SH
  38. Install the engine wiring harness and clip to the stud on the throttle body.

  39. Object Number: 475775  Size: SH
  40. Connect the following electrical connectors:
  41. • The exhaust gas recirculation (EGR) valve (1)
    • The ignition coil (4)
    • The ignition control module (ICM) (3)
  42. Install the engine wiring harness clip (2) to the accelerator control cable bracket.

  43. Object Number: 520336  Size: SH
  44. Connect the following electrical connectors:
  45. • The A/C compressor high pressure switch (4), if equipped
    • The A/C clutch switch (1), if equipped
    • The throttle position (TP) sensor (2)
    • The idle air control (IAC) motor (3)

    Object Number: 520338  Size: SH
  46. Connect the following electrical connectors:
  47. • The fuel meter body assembly (1)
    • The manifold absolute pressure (MAP) sensor (3)
    • The EVAP canister purge solenoid valve (2)

    Object Number: 380009  Size: SH
  48. Install the accelerator cable and cruise control bracket to the generator mounting bracket.
  49. Install the bracket bolt.
  50. Tighten
    Tighten the bracket bolt to 25 N·m (18 lb ft).

  51. Install the accelerator control cable to the bracket and to the throttle shaft. Refer to Accelerator Control Cable Replacement in Engine Controls.
  52. Install the cruise control cable, if equipped. Refer to Cruise Control Cable Replacement in Cruise Control.
  53. Install the air cleaner outlet duct to the throttle body and the air cleaner assembly. Refer to Air Cleaner Outlet Duct Replacement in Engine Controls.
  54. Connect the battery negative cable. Refer to Battery Replacement in Engine Electrical.