GM Service Manual Online
For 1990-2009 cars only
Makes
🢒
Chevrolet
🢒
2000
🢒
Blazer - 4WD - RHD
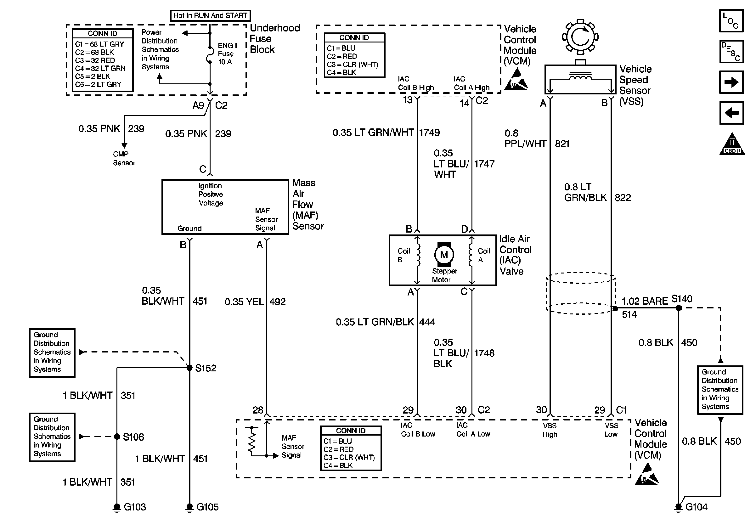
🢒 MAF and IAC Controls
MAF and IAC Controls
MAF and IAC Controls
Engine Controls Components
Information Sensors/Switches Description
Vehicle Speed Outputs and Overhead Console Link
Heated Oxygen Sensors
OBD II Symbol Description Notice
Power and Grounding Connector End Views
B/U LP, OXYSEN, ENG I, TRL B/U, VEH B/U and BTSI Fuses
VCM Connector End Views
Handling ESD Sensitive Parts Notice
Ignition Controls
G103 and G105
G103 and G105
VCM Connector End Views
Handling ESD Sensitive Parts Notice
G104, G106, G107, G108 and G118