GM Service Manual Online
For 1990-2009 cars only
Makes
🢒
Chevrolet
🢒
2000
🢒
Blazer - 4WD - RHD
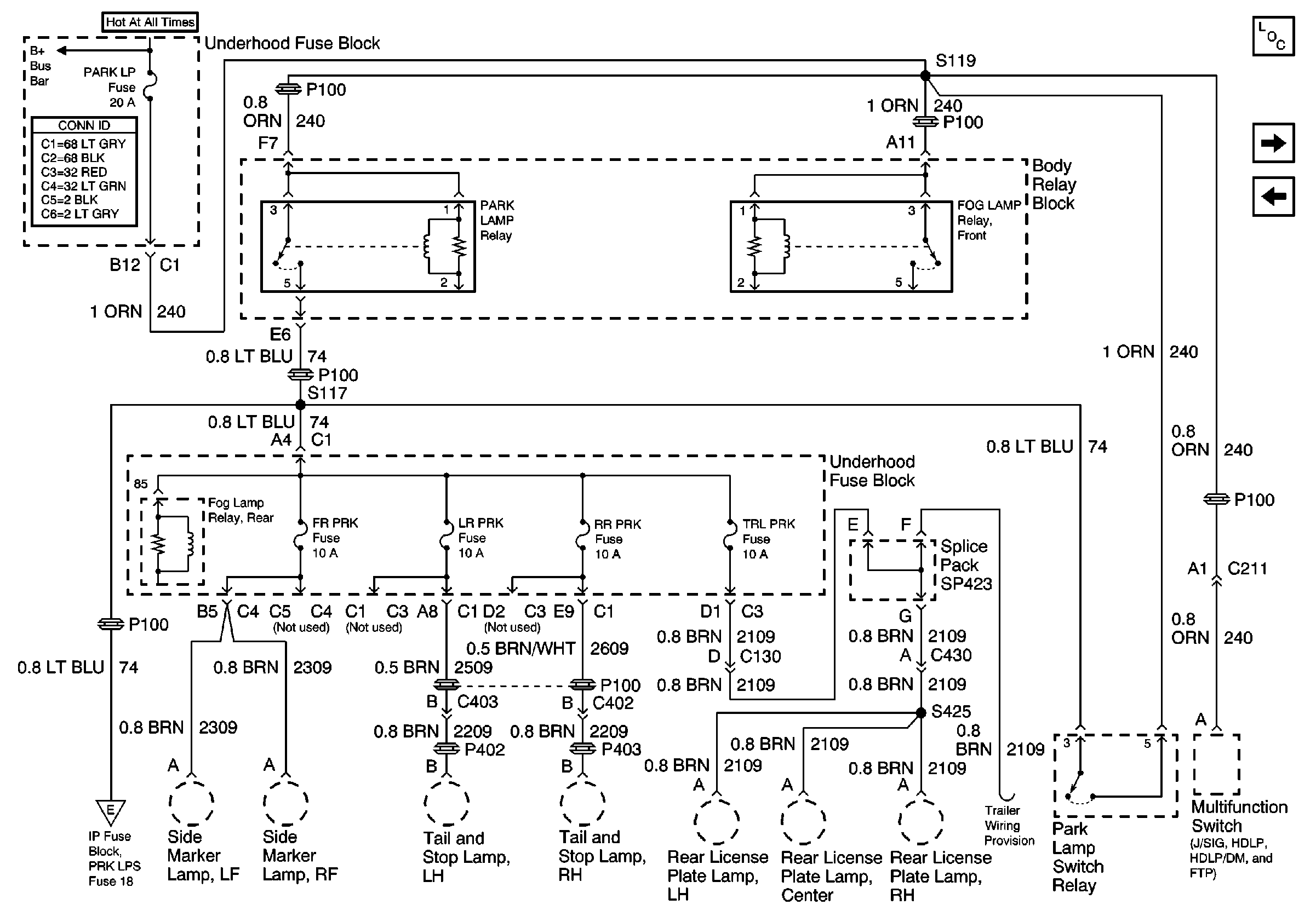
🢒 PARK LP, FR PRK, LR PRK, RR PRK, and TRL PRK Fuses
PARK LP, FR PRK, LR PRK, RR PRK, and TRL PRK Fuses
PARK LP, FR PRK, LR PRK, RR PRK, and TRL PRK Fuses
Power and Grounding Components
ILLUM and PARK LP Fuses
CLSTR Fuse
B+ Bus Bar
Power and Grounding Connector End Views
ILLUM and PARK LP Fuses