GM Service Manual Online
For 1990-2009 cars only
Figure 1:

Negative Battery Cable


Object Number: 610428  Size: LF
(1)Water Pump
(2)G107
(3)Negative Battery Cable
Figure 2:

Forward Lamps Wiring Harness


Object Number: 406306  Size: LF
(1)Ambient Air Temperature Sensor (DIDM)
(2)LH Headlamp Connector
(3)Ground G111
(4)Splice Pack SP100
(5)LH Headlamp Connector
(6)Forward Lamps Wiring Harness
(7)LH Turn Signal Lamp
(8)Headlamp Washer Pump Fluid Reservoir
(9)Headlamp Washer Pump Connector
(10)Headlamp Washer Relay
(11)Splice Pack SP101
(12)RH Turn Signal Lamp
(13)RH Headlamp Connectors
(14)Radiator Support
(15)S108
(16)S112
(17)S107
(18)Ground G112
Figure 3:

Body Harness, Right Front


Object Number: 610430  Size: LF
(1)Brake Pressure Differential Switch Connector
(2)Electronic Brake Control Module (EBCM)
(3)Underhood Fuse Block, Connector C1
(4)Underhood Fuse Block, Connector C5
(5)Underhood Fuse Block, Connector C6
(6)C114
(7)G110
(7)G110
(8)G108, G112
(9)Right Front Radiator Support
(10)Right Front Fender
(11)C106
(12)C109
Figure 4:

Body Harness, Bulkhead


Object Number: 610434  Size: LF
(1)Electronic Brake Control Module (EBCM) Connector C1
(2)G117
(3)S117
(4)S116
(5)S119
(6)Flash-to-Pass Relay
(7)Park Lamp Switch Relay
(8)S113
(9)S118
(10)S138
(11)C103
(12)Windshield Wiper Motor Connector
(13)S127, S122
(14)Electronic Brake Control Module (EBCM) Connector C3
(15)Brake Pressure Differential Switch
(16)Cruise Control Module (CCM) Connector
Figure 5:

Front Frame Grounds


Object Number: 354759  Size: LF
(1)Front Wheel Speed Sensor - LH
(2)Inflatable Restraint Front End Discriminating Sensor - LH
(3)Inflatable Restraint Front End Discriminating Sensor - RH
(4)G106
(5)G118
(6)Front Wheel Speed Sensor - RH
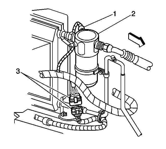
Figure 6:

A/C Accumulator


Object Number: 357124  Size: SF
(1)A/C Compressor Cycling Switch
(2)A/C Accumulator
(3)C100
Figure 7:

Automatic Transmission C175


Object Number: 407900  Size: LF
(1)Automatic Transmission
(2)C175
(3)Engine Harness
(4)Engine Harness
Figure 8:

Manual Transmission Harness View


Object Number: 406298  Size: LF
(1)Manual Transmission
(2)Heated Oxygen Sensor- LF, H02S, Bank 1, Sensor 1
(3)Backup Lamp Switch Connector
(4)C104, Chassis Harness
(5)C104, Engine Harness
(6)C105
(7)Engine Harness
Figure 9:

Forward Lamps Harness - LH


Object Number: 406302  Size: LF
(1)C132
(2)Auxiliary Side Front Turn Signal Lamp - LH
(3)Horn
(4)Horn Connector
(5)Auxiliary Side Front Turn Signal Lamp - LH
(6)Forward Lamps Harness
(7)C130
(8)Fender - LH
Figure 10:

Transfer Case


Object Number: 610439  Size: LF
(1)Transfer Case Encoder Motor Connector C1 and Connector C2
(2)Transfer Case Rear Propeller Shaft Speed Sensor
(3)Vehicle Speed Sensor (VSS)
(4)Transfer Case Front Propeller Shaft Speed Sensor
(5)Engine Harness
(6)S140
Figure 11:

Heated Oxygen Sensor (HO2S) Extension Harness


Object Number: 610440  Size: LF
(1)C100
(2)S150, S151
(3)Heated Oxygen Sensor (HO2S) Bank 2, Sensor 1
(4)Heated Oxygen Sensor (HO2S) Bank 1, Sensor 3
Figure 12:

IP Wiring Harness


Object Number: 406324  Size: LF
(1)Passenger Inflatable Restraint Module
(2)Inflatable Restraint IP Module Connector
(3)IP Compartment Lamp
Figure 13:

Body Harness, Left Front


Object Number: 610441  Size: LF
(1)Electric Actuator (Temperature)
(2)Radio Antenna Cable
(3)HVAC Control Vacuum Solenoid Valve
(4)S200
(5)Body Harness to the Automatic Transmission
(6)S216
(7)S222
(8)S219
(9)G200, G201, G202
(10)S209
(11)Headlamp Grounding Relay
(12)C200
(13)C203
(14)Transfer Case Shift Control Module, Connector C2
(15)Transfer Case Shift Control Module
(16)Transfer Case Shift Control Module, Connector C1
(17)C209
(18)S228, S229, D101
(19)S213
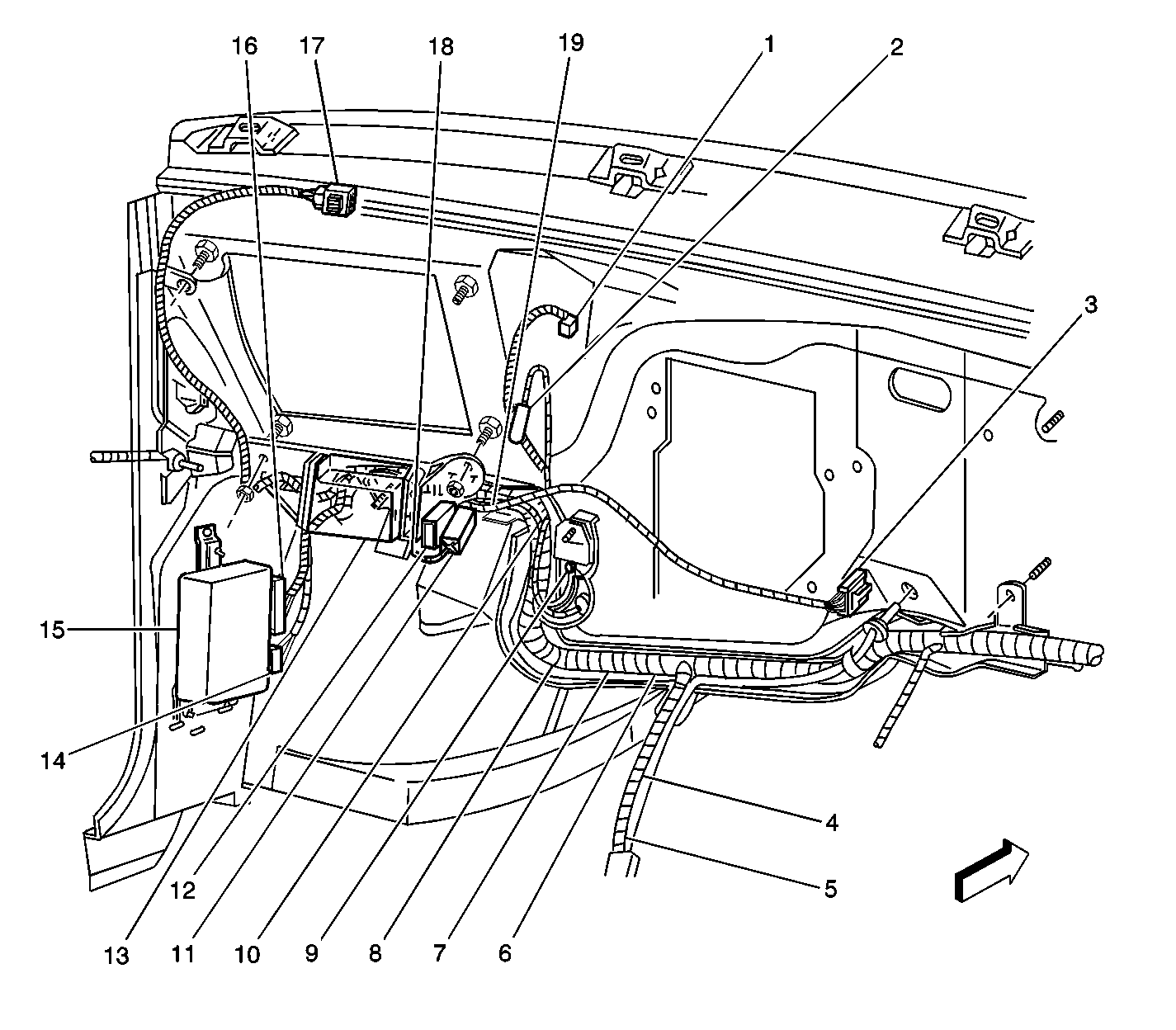
Figure 14:

Body Harness, Right Front


Object Number: 610442  Size: LF
(1)Stoplamp Switch
(2)P100
(3)S231, S232, D200
(4)S221
(5)Body Relay Block
(6)C217
(7)S223, S224, D202
(8)S211
(9)G204, G205
(10)G203
(11)Remote Control Door Lock Receiver (Japan Only)
(12)Data Link Connector (DLC)
(13)S235, S236, D201
(14)C214
(15)C211
(16)Body Control Module (BCM), Connector C2
(17)Body Control Module (BCM), Connector C1
(18)Lower Discharge Air Temperature Sensor Connector
(19)S201
(20)S202
(21)S212
(22)Clutch Pedal Position Switch Connector
(23)S207
(24)S203
(25)S204
Figure 15:

Automatic Transmission Controller


Object Number: 610443  Size: LF
(1)Automatic Transmission Controller
(2)Park Lock Solenoid
(3)Park Switch
(4)Automatic Transmission Controller Indicator Lamp
(5)S206
(6)Automatic Transmission Shift Lock Solenoid
(7)Body Harness to Rear Wiper/Washer and Endgate Window Release Switch
(8)Automatic Transmission Controller Connector
Figure 16:

Instrument Panel, RH


Object Number: 610699  Size: LF
(1)IP Dimmer Switch Connector
(2)IP Fuse Block
(3)IP Harness
(4)S230
(5)C217
(6)Side Door Jamb Switch, RF Connector
(7)Side Door Jamb Switch, RF
(8)IP Fuse Block Access Panel
(9)Fog Lamp Switch
(10)Headlamp Leveling Switch
(11)Instrument Panel
(12)IP Dimmer Switch
Figure 17:

Accessories Power Receptacle Tray


Object Number: 406325  Size: LF
(1)Accessories Power Receptacle Harness
(2)C223
(3)IP Insulator
(4)Accessories Power Receptacle Tray
(5)Accessories Power Receptacle, RH
(6)Accessories Power Receptacle, LH
Figure 18:

IP Wiring Harness Composite View


Object Number: 610700  Size: LF
(1)Remote Control Door Lock Receiver
(2)Hazard Switch Connector
(3)Transfer Case Select Switch Connectors  C2 and  C1
(4)Upper Discharge Air Temperature Sensor
(5)Radio Connector
(6)Electronic Climate Control (ECC) Module Connector
(7)Radio Speaker Connector, LF
(8)Ambient Light Sensor Connector
(9)IP Compartment Lamp
(10)Inflatable Restraint IP Module
(11)Instrument Panel (IP)
(12)S227
(13)C203
(14)C200
(15)Courtesy Lamp, LH Console
(16)C223
(17)S208, S272, S273, S274, S275, S287, SP288
(18)SP203
(19)C224
(20)S283
(21)S205, S224, S225, S226
(22)Body Control Module Connector  C3
(23)Sun Load Temperature Sensor
(24)Courtesy Lamp, RH Console
(25)C217
(26)Side Door Jamb Switch, RF
(27)IP Fuse Block
(28)Radio Speaker Connector, LF
(29)IP Dimmer Switch Connector
(30)Instrument Cluster Connector
(31)S223
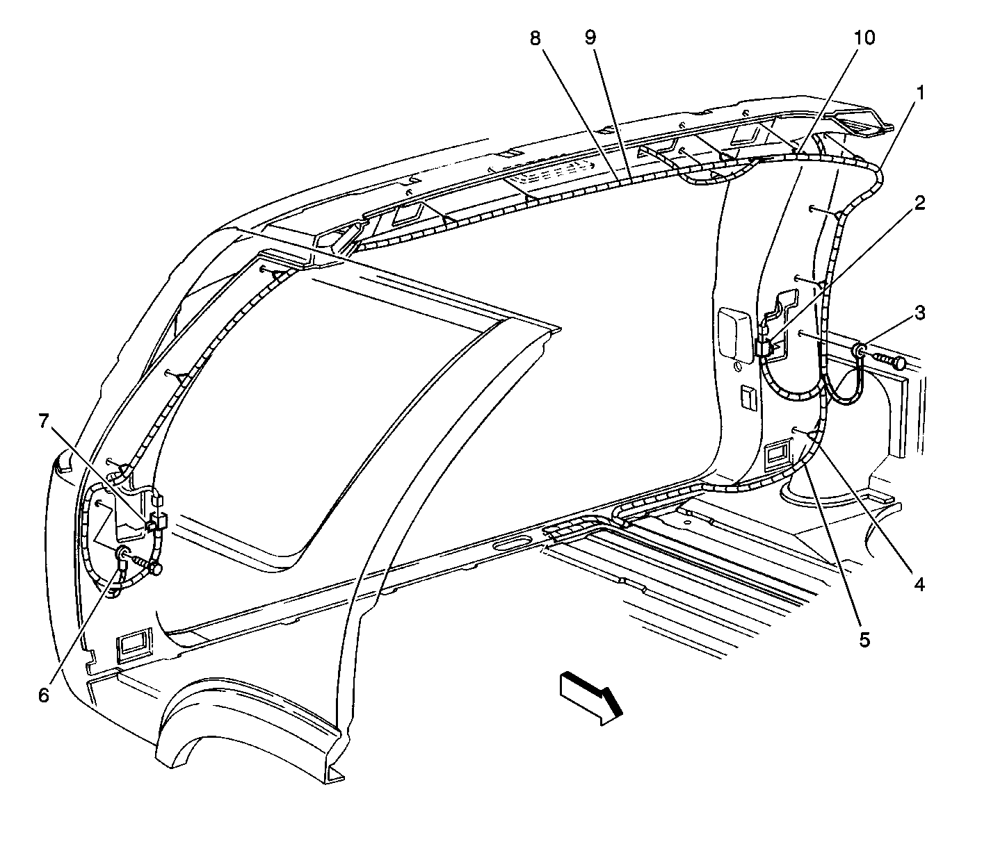
Figure 19:

Dome Lamp Harness (w/Sunroof)


Object Number: 607210  Size: LF
(1)C301
(2)S300
(3)Sunroof Motor and Drive
(4)Sunroof Module, Connector C2
(5)Sunroof Module, Connector C1
(6)C300
(7)Sunroof Module
(8)S310
(9)S302
(10)S332
(11)Driver Information Display Module Connector
(12)Driver Information Display Module
(13)Interior Air Temperature Sensor
Figure 20:

Floor Panel


Object Number: 610703  Size: LF
(1)S305
(2)S309
(3)S306
(4)S308
(5)C317
(6)S304
(7)Inflatable Restraint Sensing and Diagnostic Module Connector
(8)Inflatable Restraint Sensing and Diagnostic Module
(9)C315
(10)S301
Figure 21:

Body Wiring to Left Front Seat


Object Number: 357190  Size: MF
(1)C317
(2)Seat
Figure 22:

Rear Door Wiring Harness (RH Shown, LH Opposite)


Object Number: 357305  Size: LF
(1)Door
(2)Side Door Lock Actuator, RR
(3)Side Window Switch, RR
(4)Radio Speaker, RR (LR Similar)
(5)Side Window Regulator Motor, RR (LR Similar)
(6)C404 (LH) or C406 (RH)
(7)C405 (LH) or C407 (RH)
(8)P800 (RH) or P700 (LH)
(9)Side Window Switch, RR Connector
Figure 23:

Rear Lamp Connections


Object Number: 406332  Size: LF
(1)C403 (LH) and C402 - RH
(2)S419 - LH and S420 - RH
(3)P402 - RH and P403 - LH
(4)Park, Turn Signal, and Backup Lamps - LH Rear, RH Opposite
(5)Rear Fog Lamp
Figure 24:

Endgate Connectors


Object Number: 357349  Size: LF
(1)Body Floor
(2)C411, C412 and C413
(3)Endgate
(4)Window Washer Tube Check Valve, Rear
Figure 25:

Rear Frame Location View


Object Number: 357334  Size: LF
(1)Trailer Wiring Provision
(2)Splice Pack SP423
(3)Evaporative (EVAP) Emission Canister Control Valve
(4)C430
(5)Fuel Filler Neck Ground Strap
(6)G402
Figure 26:

Accessories Power Receptacle, Rear


Object Number: 397905  Size: MF
(1)Body Side Trim Panel
(2)Accessories Power Receptacle, Rear
Figure 27:

Door Harness (RF Shown, LF Opposite)


Object Number: 608788  Size: LF
(1)Outside Rear View Folding Mirror Switch Connector
(2)S603 (RH), S502 (LH)
(3)S604 (RH)
(4)Door Lock Cylinder Switch Connector, RH
(5)Door Handle Switch Connector, RH
(6)Side Door Lock Actuator Connector, RH
(7)Side Window Regulator Motor, RF Connector C1
(8)Side Window Regulator Motor, RF Connector C2
(9)Radio Speaker, Front Side Door Connector, RH
(10)S600 (RH)
(11)S602 (RH)
(12)P600 (RH), P500 (LH)
(13)C610 (RH)
(14)C601 (RH), C501 (LH)
(15)Outside Rear View Mirror Connector, RH
(16)S601 (RH), S501 (LH)
Figure 28:

Outside Rear View Mirror


Object Number: 610708  Size: LF
(1)P501 (LH), P601 (RH)
(2)Outside Rear View Mirror, LH (RH Opposite)
(3)C504 (LH), C604 (RH)
Figure 29:

Endgate Window Release


Object Number: 610710  Size: LF
(1)Endgate
(2)Rear Window Wiper Motor Controller Connector
(3)Rear Window Wiper Motor Controller
(4)Rear Window Wiper Cutout and Liftglass Ajar Jamb Switch Connector
(5)Rear Window Wiper Cutout and Liftglass Ajar Jamd Switch
(6)Endgate Lock Cylinder Switch
(7)P900
(8)Endgate Window Release Actuator Connector
(9)Endgate Lock Cylinder Switch Connector
Figure 30:

Rear Roof


Object Number: 610711  Size: LF
(1)High Mount Stop Lamp (HMSL)
(2)Cargo Lamp
(3)High Mount Stop Lamp Connector
(4)P404
Figure 31:

Engine Wiring, RH Side


Object Number: 610713  Size: LF
(1)Exhaust Gas Recirculation (EGR) Valve Connectors
(2)Generator Connector
(3)Crankshaft Position (CP) Sensor Connector
(4)Starter Solenoid Connector
(5)Starter Solenoid
(6)S101
(7)Electronic Ignition Control Module (EICM) Connector
(8)Ignition Coil Connector
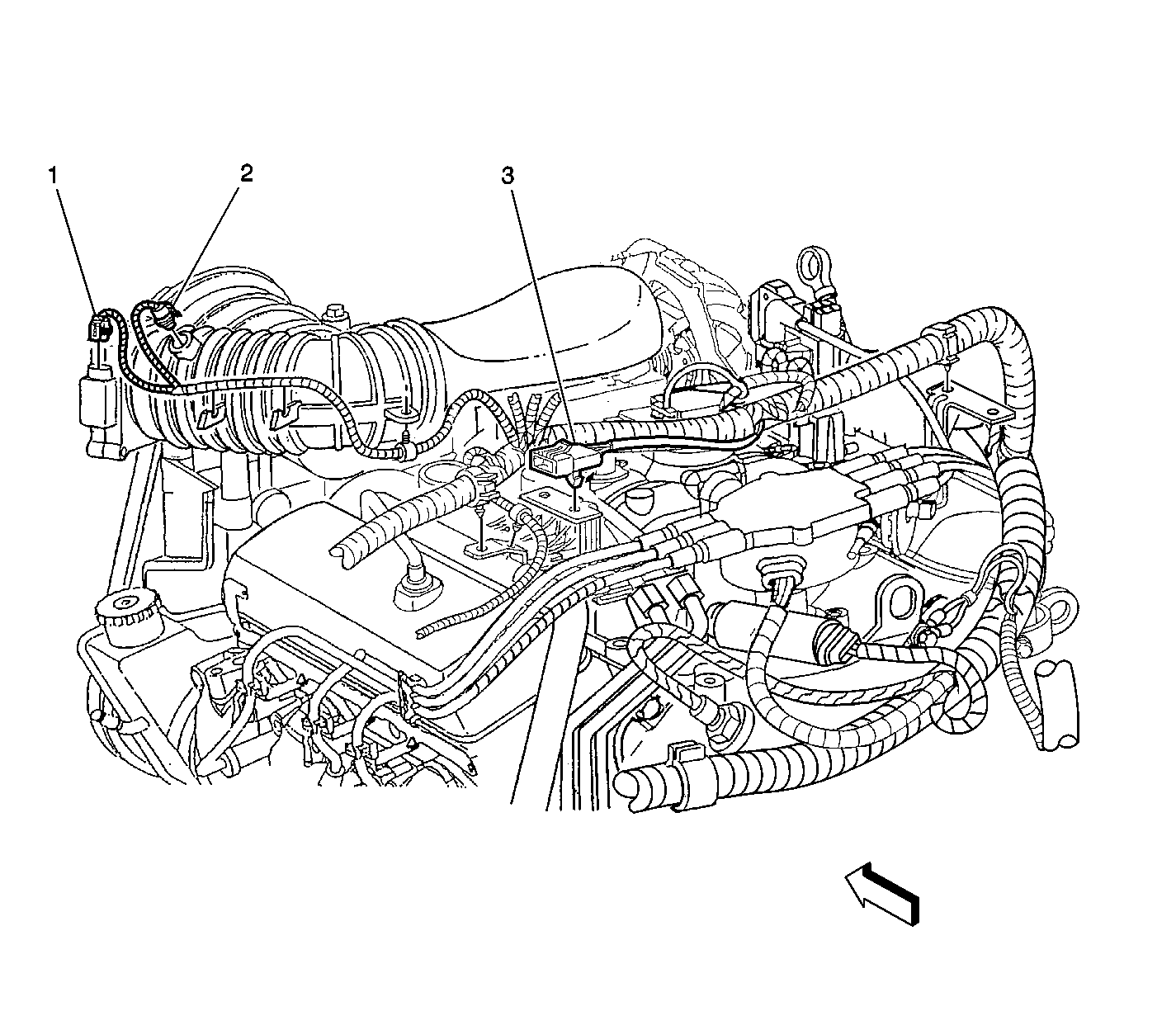
Figure 32:

Engine Wiring, Top Left


Object Number: 610715  Size: LF
(1)Mass Airflow (MAF) Sensor Connector
(2)Intake Air Temperature (IAT) Sensor Connector
(3)C103
Figure 33:

Engine Wiring, Right Rear


Object Number: 610716  Size: LF
(1)Evaporative (EVAP) Emission Canister Purge Solenoid Valve
(2)Manifold Absolute Pressure (MAP) Sensor
(3)S102
(4)G102, G103
(5)Engine Oil Pressure Gage Sensor Connector
(6)S152
(7)G104, G105
(8)Camshaft Position (CMP) Sensor Connector
(9)Central Sequential Fuel Injection Connector
Figure 34:

Engine Wiring- LR


Object Number: 610717  Size: LF
(1)Throttle Position Sensor (TPS) Connector
(2)Idle Air Control (IAC) Valve Connector
(3)Knock Sensor (KS) Connector
(4)Engine Coolant Temperature (ECT) Sensor Connector
(5)A/C Compressor High Pressure Cutoff Switch
(6)A/C Compressor Clutch Coil Connector
(7)A/C Compressor Clutch Diode, S103 and S104
Figure 35:

Battery Fuse


Object Number: 354776  Size: LF
(1)Radiator Support
(2)Fuse Holder - Battery Fuse
(3)G108
(4)S153
Figure 36:

Rear License Lamps


Object Number: 406635  Size: LF
(1)Connector C430
(2)Rear License Lamp Mounting Bracket
(3)RH License Lamp
(4)Center License Lamp
(5)LH License Lamp
(6)S425
(7)S426
(8)Rear License Lamp Wiring Harness
Figure 37:

Body Opening Frame, Rear


Object Number: 610720  Size: LF
(1)Trailer Wiring Provisions
(2)C403
(3)G450
(4)S427
(5)S428
(6)G420
(7)C402
(8)S404
(9)S405
(10)S406
Figure 38:

Radiator Support, Inside RH


Object Number: 354578  Size: MF
(1)Radiator Support
(2)Forward Lamps Harness
(3)Splice Pack SP101
(4)Ground G112