GM Service Manual Online
For 1990-2009 cars only
Makes
🢒
Chevrolet
🢒
2001
🢒
Blazer - 4WD - RHD
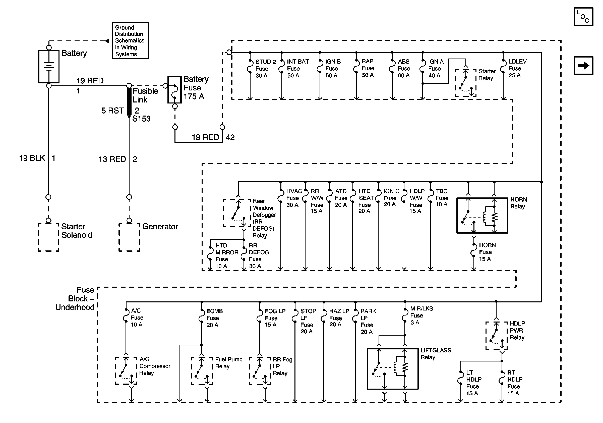
🢒 B+ Bus Bar
B+ Bus Bar
B+ Bus Bar
Master Electrical Component List
Ign START, RUN and ACC Bus Bar
G104, G106, G107, G108 and G118