GM Service Manual Online
For 1990-2009 cars only
Makes
🢒
Chevrolet
🢒
2001
🢒
Blazer - 4WD - RHD
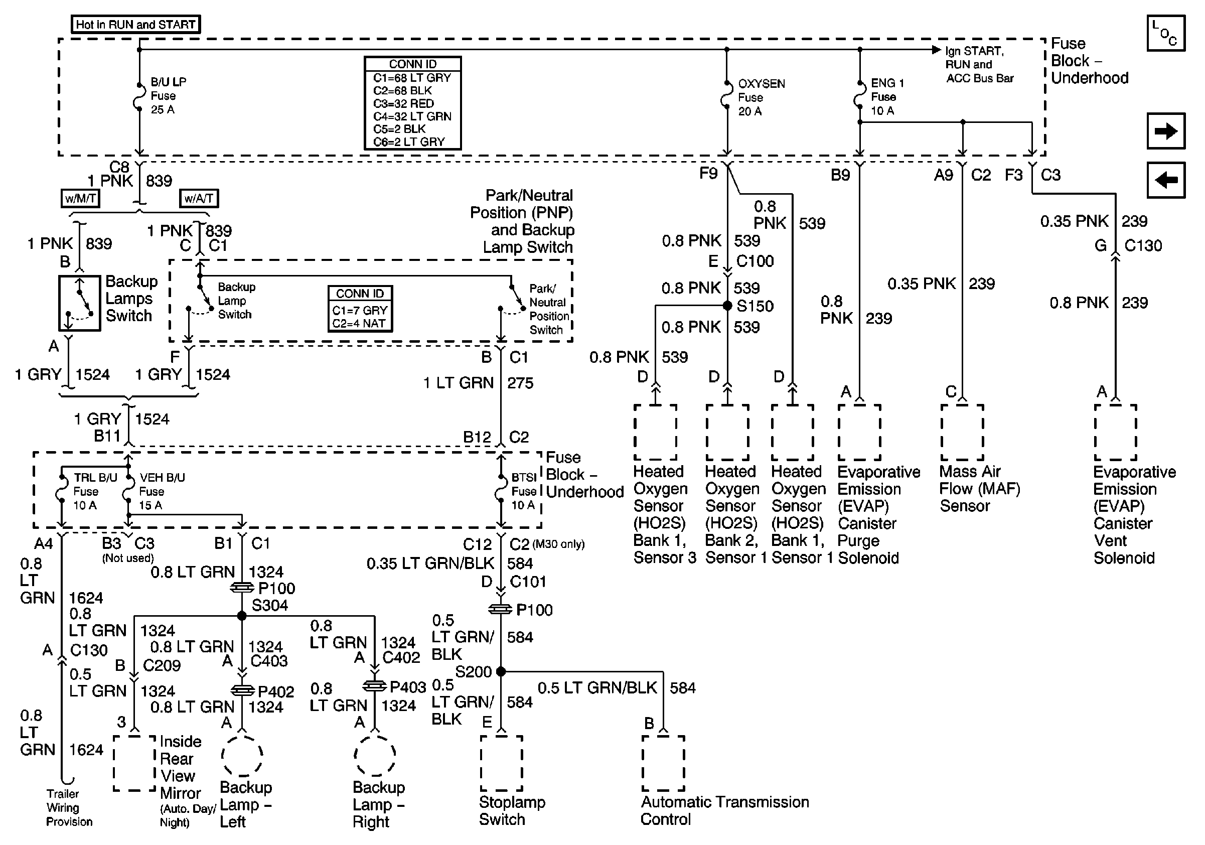
🢒 B/U LP, OXYSEN, ENG I, TRL B/U, VEH B/U and BTSI Fuses
B/U LP, OXYSEN, ENG I, TRL B/U, VEH B/U and BTSI Fuses
B/U LP, OXYSEN, ENG I, TRL B/U, VEH B/U and BTSI Fuses
Master Electrical Component List
ECM I Fuse
ILLUM and PARK LP Fuses
Ign START, RUN and ACC Bus Bar