GM Service Manual Online
For 1990-2009 cars only
Makes
🢒
Chevrolet
🢒
2001
🢒
Blazer - 4WD - RHD
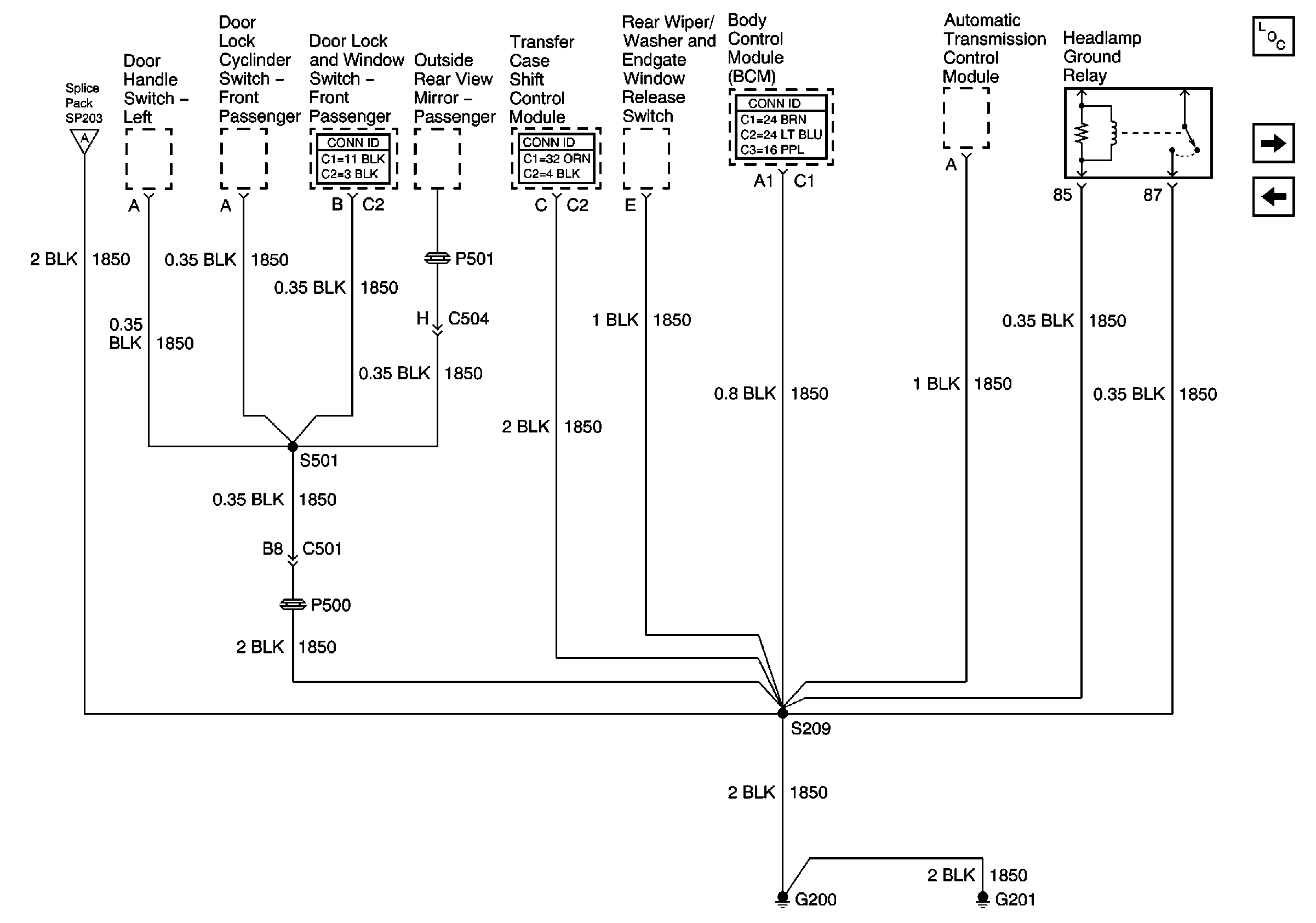
🢒 G200 and G201
G200 and G201
G200 and G201
Master Electrical Component List
G202 and G204
SP203
SP203