GM Service Manual Online
For 1990-2009 cars only
Makes
🢒
Chevrolet
🢒
2001
🢒
Blazer - 4WD - RHD
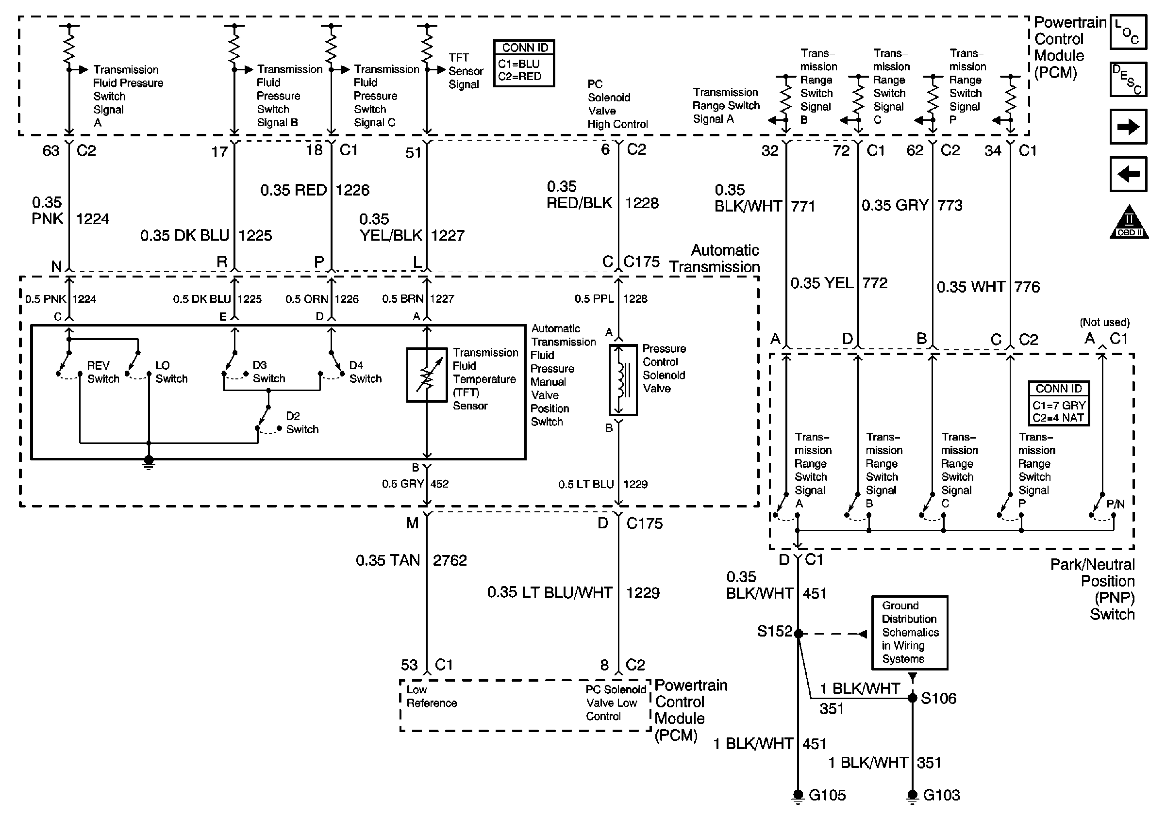
🢒 Automatic Transmission and PNP Switch Inputs
Automatic Transmission and PNP Switch Inputs
Automatic Transmission and PNP Switch Inputs
Master Electrical Component List
Powertrain Control Module Description
A/C Compressor Controls
Automatic Transmission Valve Controls
OBD II Symbol Description Notice
G103 and G105