GM Service Manual Online
For 1990-2009 cars only
Makes
🢒
Chevrolet
🢒
2001
🢒
Blazer - 4WD - RHD
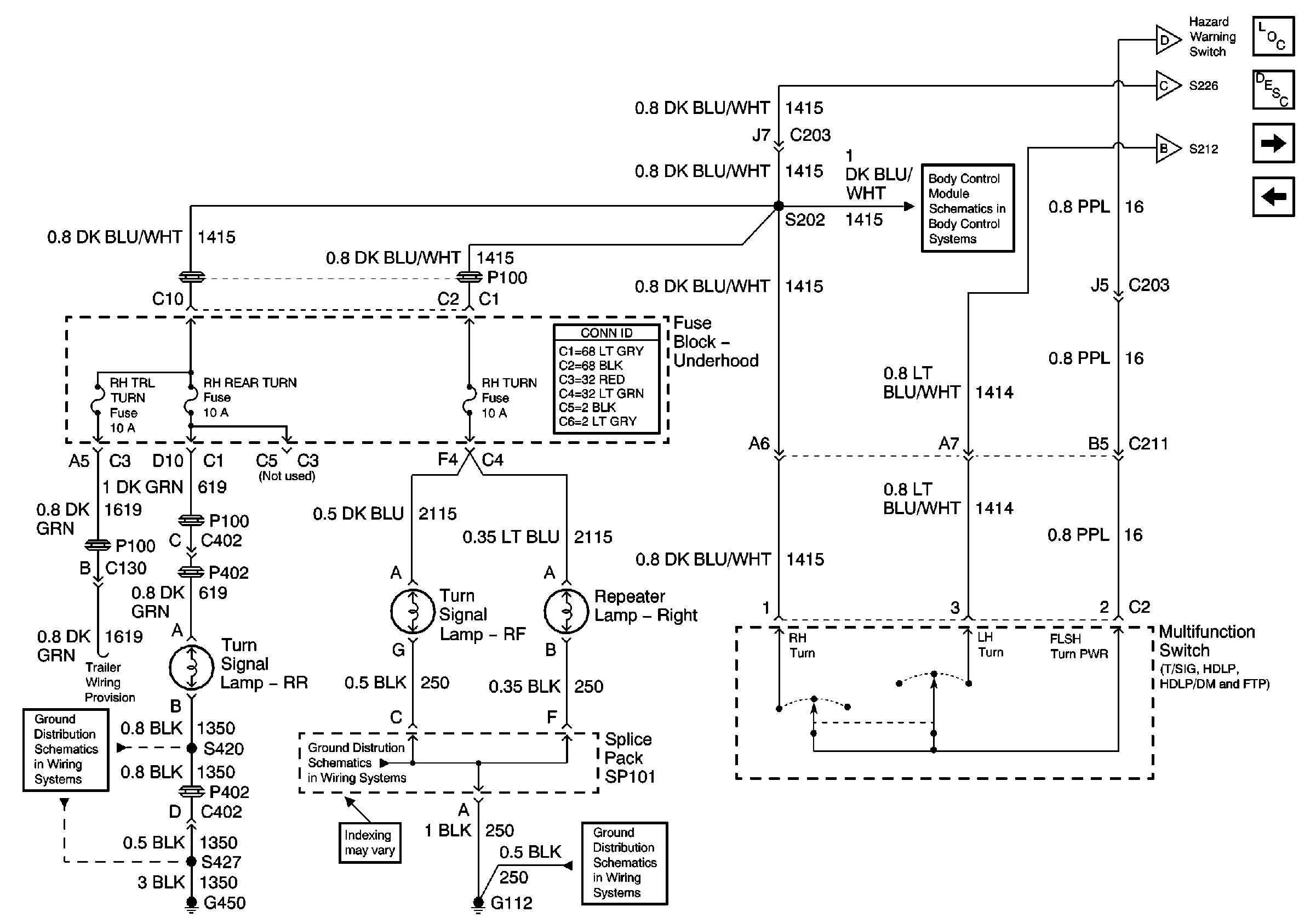
🢒 Turn Signal Switch, RH TURN, RH REAR TURN, and TRL TURN Fuses
Turn Signal Switch, RH TURN, RH REAR TURN, and TRL TURN Fuses
Turn Signal Switch, RH TURN, RH REAR TURN, and TRL TURN Fuses
Master Electrical Component List
Exterior Lighting Systems Description and Operation
Hazard Switch, TURN, and HAZ LP Fuses
FR PRK LPS, LR PRK LP, RR PRK LP, and TRL PRK LP Fuses
Instrument Panel Cluster (IPC), LT TURN and RT TURN Fuses
Hazard Switch, TURN, and HAZ LP Fuses
G450
G111 and G112
G111 and G112