GM Service Manual Online
For 1990-2009 cars only
Makes
🢒
Chevrolet
🢒
2001
🢒
Blazer - 4WD - RHD
🢒 Power Distribution
Power Distribution
Power Distribution
Master Electrical Component List
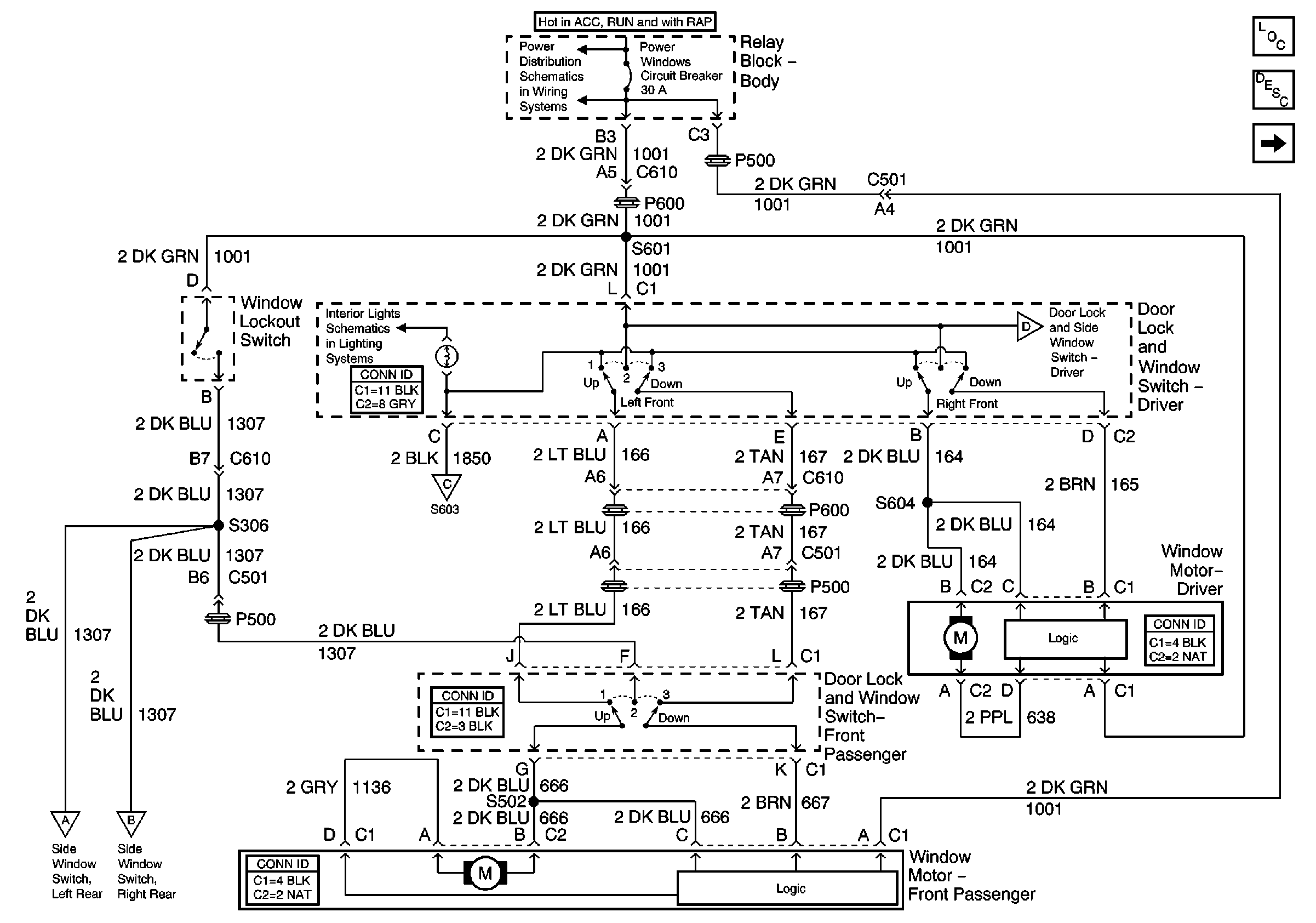
Power Windows Description and Operation
Power and Ground
Power Seats and Power Window Circuit Breakers
Power and Ground
Power and Ground
Power and Ground
Power and Ground