GM Service Manual Online
For 1990-2009 cars only
Makes
🢒
Chevrolet
🢒
2002
🢒
Blazer - 4WD - RHD
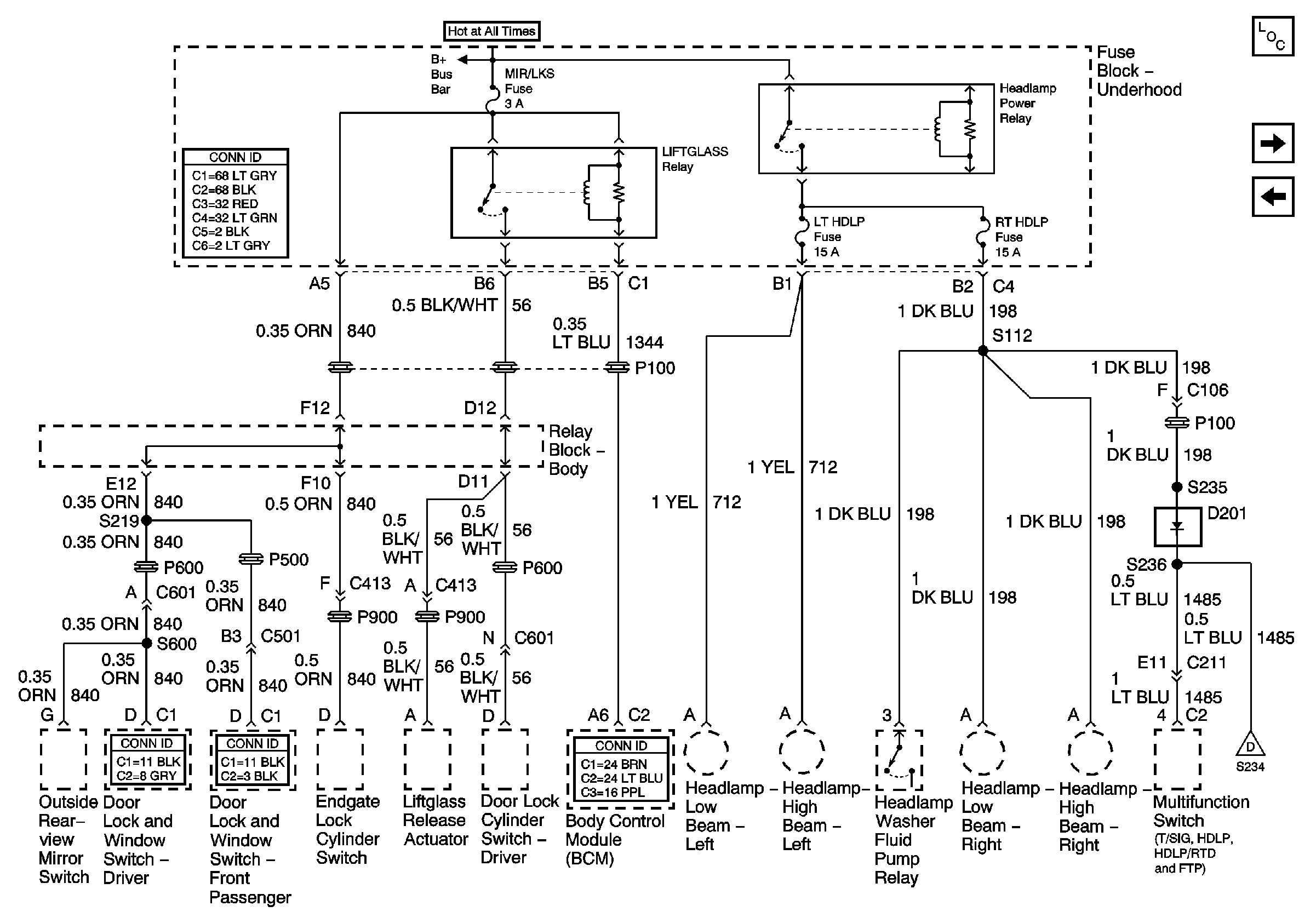
🢒 MIR/LKS, LH HDLP and RH HDLP Fuses
MIR/LKS, LH HDLP and RH HDLP Fuses
MIR/LKS, LH HDLP and RH HDLP Fuses
Master Electrical Component List
STUD 2, INT BAT, CIGAR LTR, CTSY LP and PWR LKS Fuses
IGN E, GAGES, and SIR Fuses
B+ Bus Bar
IGN E, GAGES, and SIR Fuses