GM Service Manual Online
For 1990-2009 cars only
Makes
🢒
Chevrolet
🢒
2002
🢒
Blazer - 4WD - RHD
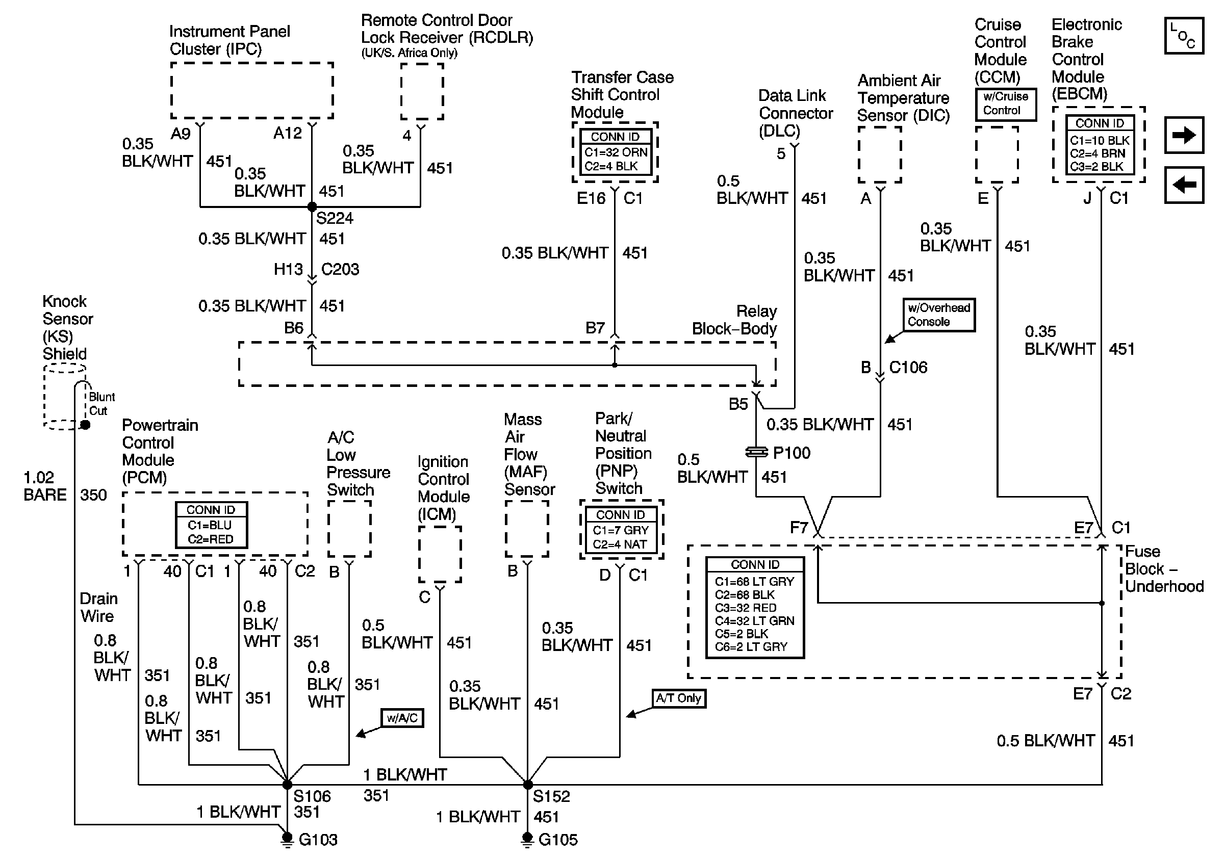
🢒 G103 and G105
G103 and G105
G103 and G105
Master Electrical Component List
SP203
G102