GM Service Manual Online
For 1990-2009 cars only
Makes
🢒
Chevrolet
🢒
2002
🢒
Blazer - 4WD - RHD
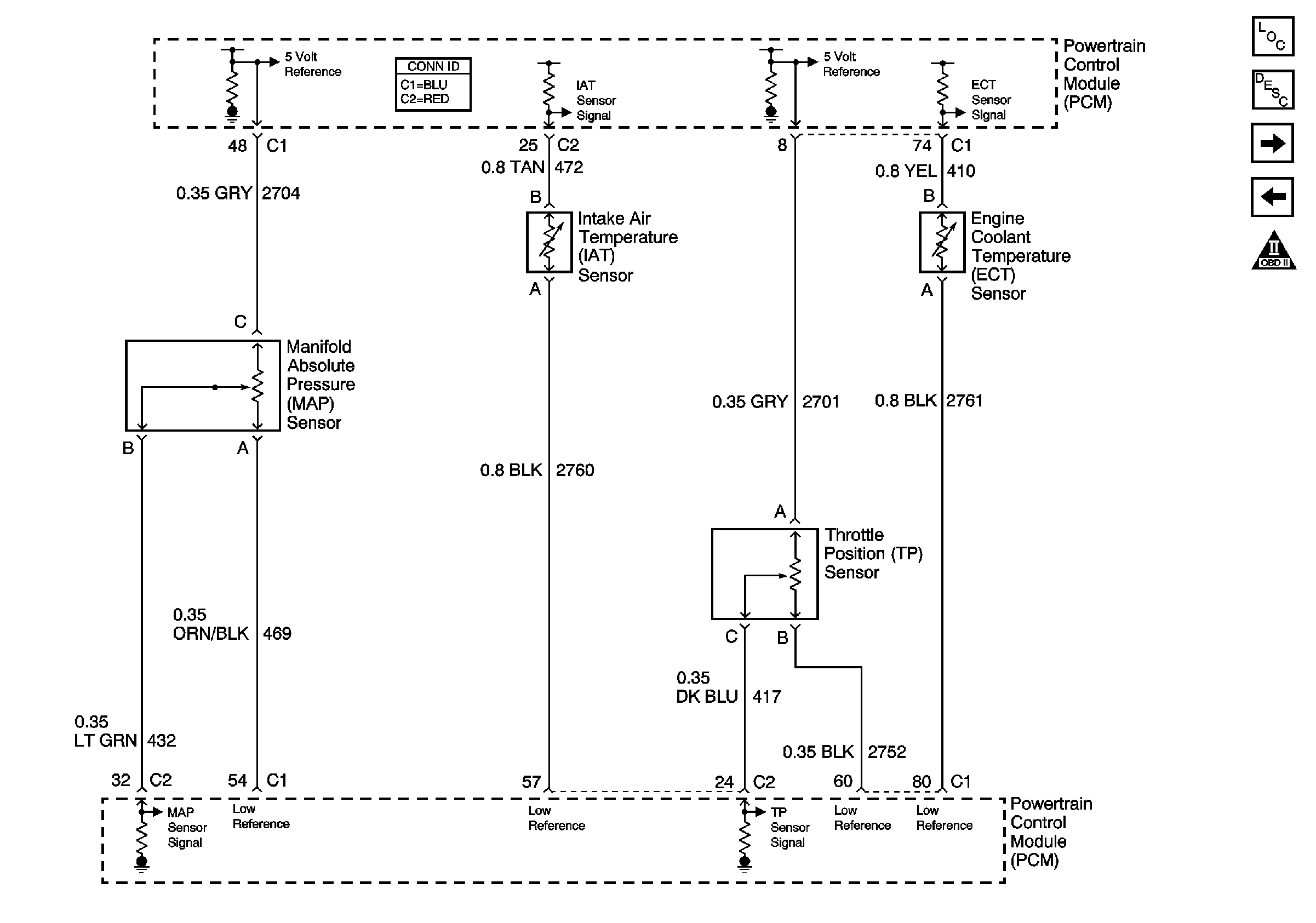
🢒 Engine Data Sensors - Pressure and Temperature
Engine Data Sensors - Pressure and Temperature
Engine Data Sensors - Pressure and Temperature
Master Electrical Component List
Powertrain Control Module Description
Engine Data Sensors - MAF and VSS
Power, Ground, Serial Data, and MIL
OBD II Symbol Description Notice