GM Service Manual Online
For 1990-2009 cars only
Makes
🢒
Chevrolet
🢒
2002
🢒
Blazer - 4WD - RHD
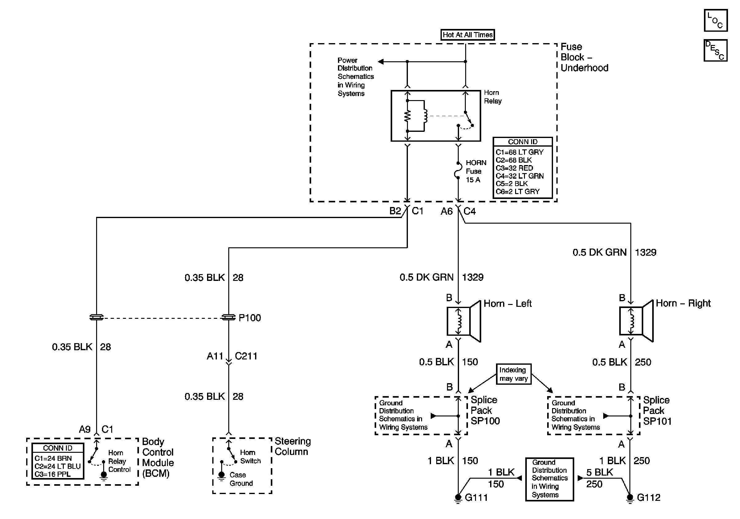
🢒 Horns Schematics
Horns Schematics
Master Electrical Component List
Horns System Description and Operation Desc. and Operation
B+ Bus Bar
G111 and G112
G111 and G112
G111 and G112