GM Service Manual Online
For 1990-2009 cars only
Makes
🢒
Chevrolet
🢒
2002
🢒
Blazer - 4WD - RHD
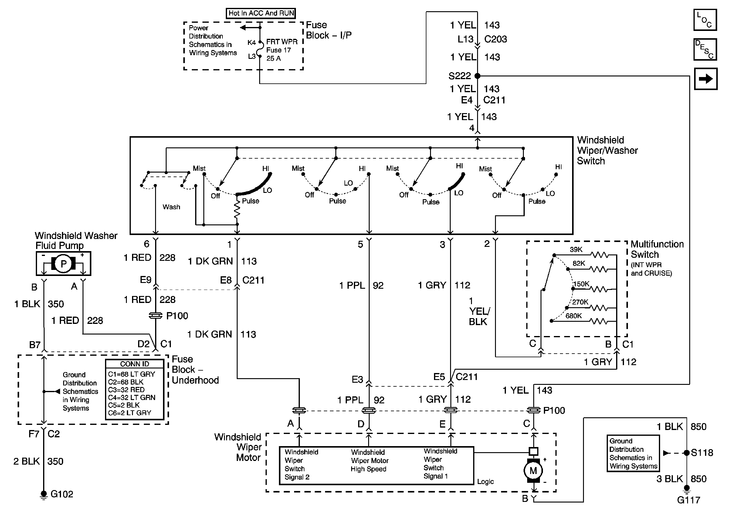
🢒 Pulse Wipers
Pulse Wipers
Pulse Wipers
Master Electrical Component List
Wiper/Washer System Description and Operation
Rear Wipers
G102
Ign START, RUN and ACC Bus Bar
G117