GM Service Manual Online
For 1990-2009 cars only
Makes
🢒
Chevrolet
🢒
2002
🢒
Blazer - 4WD - RHD
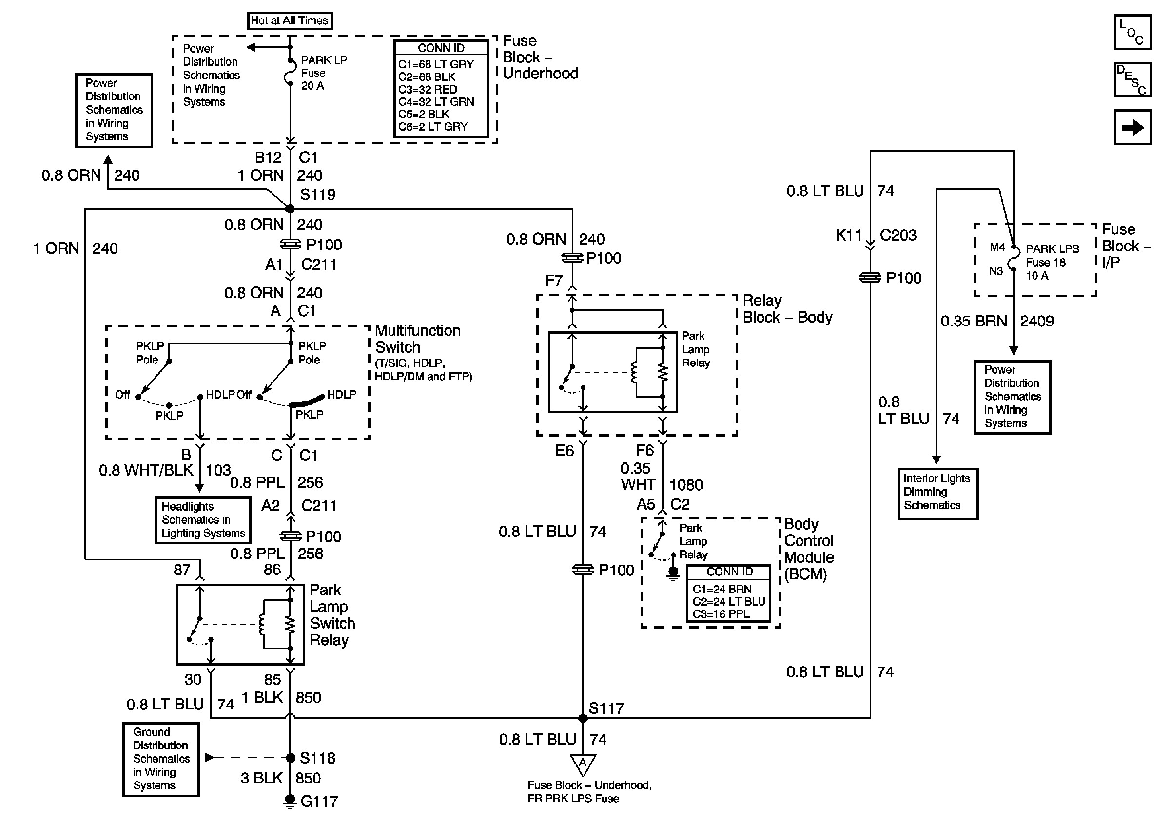
🢒 Power and Headlamp Switch
Power and Headlamp Switch
Power and Headlamp Switch
Master Electrical Component List
Exterior Lighting Systems Description and Operation
FR PRK LPS, LR PRK LP, RR PRK LP, and TRL PRK LP Fuses
PARK LP, FR PRK, LR PRK, RR PRK, and TRL PRK Fuses
B+ Bus Bar
Power, Headlamp Switch, and Multifunction Switch
G117
FR PRK LPS, LR PRK LP, RR PRK LP, and TRL PRK LP Fuses
Power, Ground and BCM
ILLUM and PARK LP Fuses