GM Service Manual Online
For 1990-2009 cars only
Makes
🢒
Chevrolet
🢒
2003
🢒
Blazer - 4WD - RHD
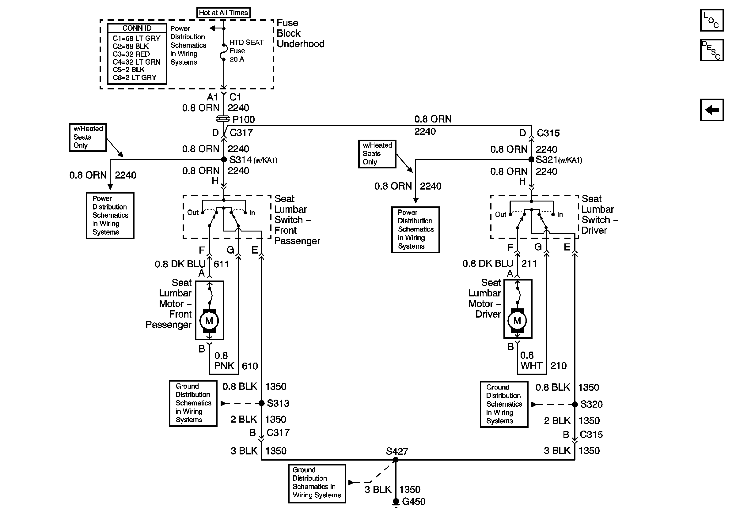
🢒 Lumbar w/ Heated Seats
Lumbar w/ Heated Seats
Lumbar w/ Heated Seats
Master Electrical Component List
Lumbar Support Description and Operation
Lumbar w/o Heated Seats
B+ Bus Bar
HVAC, RR W/W, ATC, HTD SEAT, RR DEFOG and HTD MIR Fuses
S313 and S419
S320 and S420
G450