GM Service Manual Online
For 1990-2009 cars only

DTC P1875 4WD Low Switch Circuit Electrical Electric Shift, 4.3L only


Object Number: 42348  Size: LF
Automatic Transmission Components 4.3L
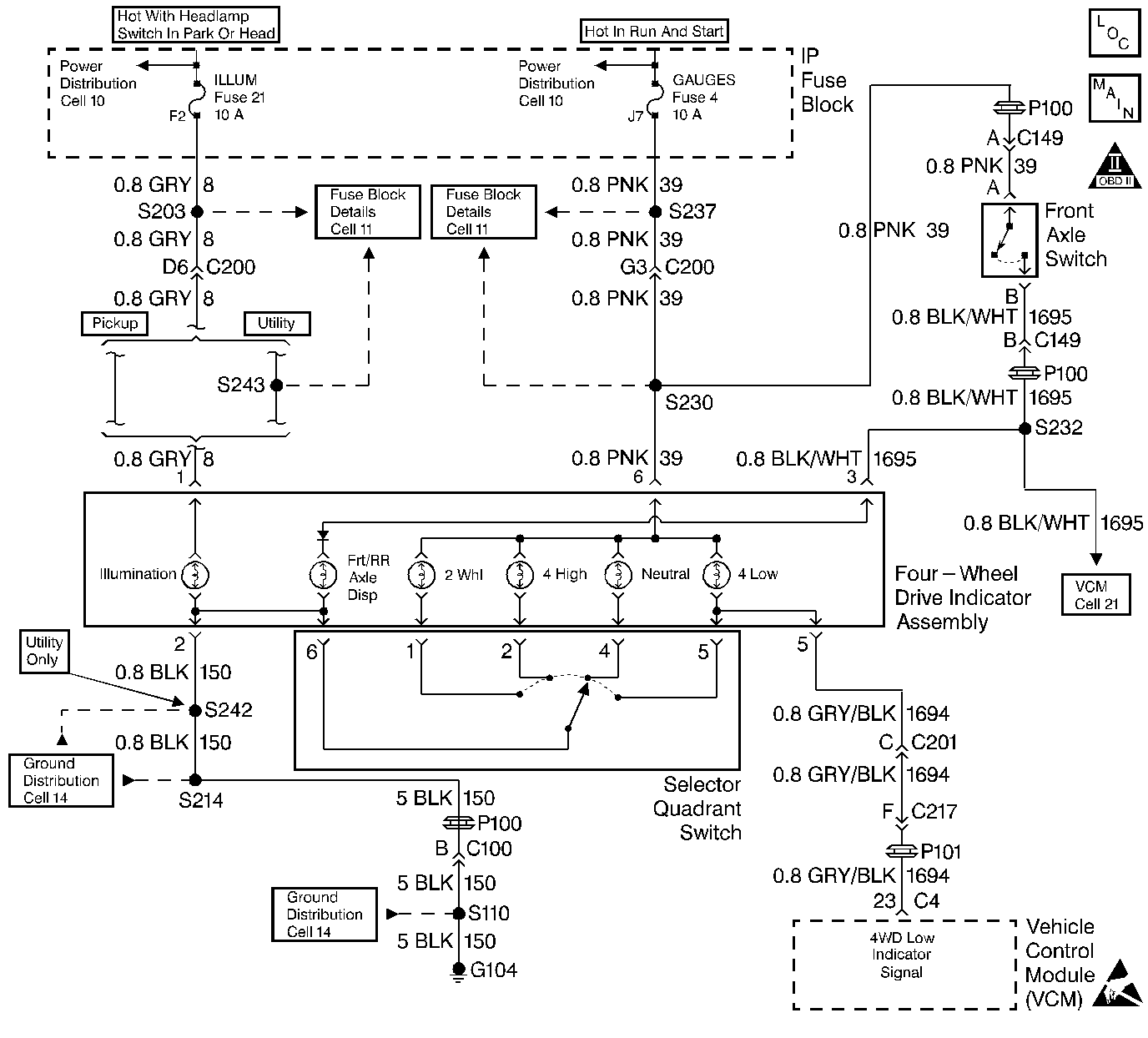
Automatic Transmission Controls Schematics 4.3L
OBD II Symbol Description Notice
Handling ESD Sensitive Parts Notice

Circuit Description

The 4WD low circuit consists of a 4WD indicator assembly, a selector quadrant switch, a front axle switch, and wiring.

When the operator moves the selector quadrant switch to 4 LOW, the 4WD indicator lamp illuminates, and circuit 1694 voltage to the VCM changes from B+ to zero. The front axle switch closes and completes circuit 1695 to circuit 150, illuminating the front axle lamp.

The front axle switch does not affect circuit 1694 signal input to the VCM because the switch is also closed in the 4WD high position. The 4WD low switch signal corrects the transmission output speed signal to the VCM. This signal compensates for transfer case gear reduction. The VCM uses the transmission output speed signal to adjust shift points, line pressure, and TCC scheduling.

When the VCM detects a continuous open or short to ground in the 4WD low circuit, then DTC P1875 sets. DTC P1875 is a type A DTC.

Conditions for Setting the DTC

    • No TP DTCs P0121, P0122 or P0123.
    • No VSS Assy. DTC P0502.
    • No TCC Stuck ON DTC P0742.
    • No 1-2 SS Valve DTCs P0751 or P0753.
    • No 2-3 SS Valve DTCs P0756 or P0758.
    • No TFP Val. Position Sw. DTC P1810.
    • No TCC PWM Sol. Valve DTC P1860.
    • No TCC Sol. Valve DTC P1864.
    • The engine speed is greater than 400 RPM for 8 seconds.
    • Not in fuel cutoff.
    • The gear range is D4.
    • The TP angle is 17-50%.
    • The TFT is 20-120°C (68-248°F).
    • All of the above conditions are met and either of the following fail conditions occurs:
       - Four-wheel drive low is stuck ON for 5 seconds. The TCC slip speed is -3000 to -50 RPM. Four-wheel drive low range is not engaged. The speed ratio is 0.8-1.2. (The speed ratio is the engine speed divided by the transfer case output speed).
       - Four-wheel drive low is stuck OFF for 10 seconds. The TCC is commanded ON. The TCC slip speed is 100-3000 RPM. Four-wheel drive low range is engaged. The speed ratio is 2.5-2.9.

Action Taken When the DTC Sets

    • The VCM commands a soft landing to 3rd gear.
    • The VCM commands maximum line pressure.
    • The VCM inhibits TCC engagement.
    • The VCM freezes shift adapts from being updated.
    • The VCM illuminates the Malfunction Indicator Lamp (MIL).

Conditions for Clearing the MIL/DTC

    • The VCM turns OFF the MIL after three consecutive ignition cycles without a failure reported.
    • A scan tool can clear the DTC from the VCM history. The VCM clears the DTC from the VCM history if the vehicle completes 40 warm-up cycles without a failure reported.
    • The VCM cancels the DTC default actions when the fault no longer exists and the ignition is OFF long enough in order to power down the VCM.

Diagnostic Aids

    • Inspect the wiring for poor electrical connections at the VCM. Inspect the wiring for poor electrical connections at the transmission 20-way connector. Look for the following conditions:
       - A bent terminal
       - A backed out terminal
       - A damaged terminal
       - Poor terminal tension
       - A chafed wire
       - A broken wire inside the insulation
    • When diagnosing for an intermittent short or open condition, massage the wiring harness while watching the test equipment for a change.

Test Description

The numbers below refer to the step numbers on the diagnostic table.

  1. This step tests for voltage to the TCCM when you select 4LO on the transfer case selector switch.

  2. This step tests for ignition voltage to the transfer case selector switch.

  3. This step tests if the TCCM is faulty.

DTC P1875 4 Wheel Drive Low Circuit Malfunction (Electric Shift)

Step

Action

Value(s)

Yes

No

1

Was the Powertrain On-Board Diagnostic (OBD) System Check performed?

--

Go to Step 2

Go to A Powertrain On Board Diagnostic (OBD) System Check

2

  1. Install the scan tool (tech 1) ®.
  2. With the engine OFF, turn the ignition switch to the RUN position.
  3. Important: Before clearing the DTCs, use the scan tool in order to record the Freeze Frame and Failure Records for reference. The Clear Info function will erase the data.

  4. Record the DTC Freeze Frame and Failure Records.
  5. Place the transmission in Neutral.
  6. Select 4HI, then 4LO on the selector switch.

Does 4WD Low on the scan tool read No when you select 4HI, and Yes when you select 4LO?

--

Go to Diagnostic Aids

Go to Step 3

3

  1. Turn the ignition switch OFF.
  2. Disconnect the TCCM connector.
  3. With the engine OFF, turn the ignition switch to the RUN position.
  4. Install a test lamp to ground and probe terminal C3 at the TCCM connector.
  5. Select 4LO, then 4HI on the selector switch.

Does the test lamp illuminate when you select 4LO, and turn OFF when you select 4HI?

--

Go to Step 9

Go to Step 4

4

  1. Install the test lamp to ground and probe terminal F at the transfer case selector switch.
  2. Select 4LO, then 4HI on the selector switch.

Does the test lamp illuminate when you select 4LO, and turn OFF when you select 4HI?

--

Go to Step 8

Go to Step 5

5

Install the test lamp to ground and probe terminal C of the transfer case selector switch.

Is the test lamp ON?

--

Go to Step 7

Go to Step 6

6

  1. Inspect the ignition voltage feed circuit 39 for an open or short to ground. Repair the circuit if necessary.
  2. Refer to Electrical Diagnosis, Section 8A.

Did you find and correct a problem?

--

Go to Step 14

--

7

Replace the transfer case selector switch.

Refer to Transfer Case Selector Switch Replacement.

Is the replacement complete?

--

Go to Step 14

--

8

  1. Inspect circuit 1559 for an open or short to ground. Repair the circuit if necessary.
  2. Refer to Electrical Diagnosis, Section 8A.

Did you find and correct a problem?

--

Go to Step 14

--

9

Install a fused jumper wire from terminal C1 to terminal C3 of the TCCM harness connector.

Does 4WD Low read YES on the scan tool?

--

Go to Step 10

Go to Step 11

10

Replace the TCCM.

Refer to Transfer Case Control Module Replacement.

Is the replacement complete?

--

Go to Step 14

--

11

  1. Turn the ignition switch OFF.
  2. Reconnect the TCCM connector.
  3. Disconnect the C4 (black) VCM connector.
  4. With the engine OFF, turn the ignition switch to the RUN position.
  5. Install a test lamp to ground and probe VCM connector terminal C4-23.

Is the test lamp ON?

--

Go to Step 13

Go to Step 12

12

Inspect circuit 1694 for an open or short to ground.

Refer to Electrical Diagnosis, Section 8A.

Did you find and correct a problem?

--

Go to Step 14

--

13

Replace the VCM.

Refer to VCM Replacement/Programming , Section 6.

Is the replacement complete?

--

Go to Step 14

--

14

In order to verify your repair, perform the following procedure:

  1. Select DTC.
  2. Select Clear Info.
  3. Operate the vehicle under the following conditions:
  4. • Select 4LO on the selector switch. Drive the vehicle in 4th gear with the TCC ON. The speed ratio must be 2.5 to 3.0 for 5 seconds.
    • Select 2HI or 4HI on the selector switch. Drive the vehicle in 4th gear with the TCC ON. Speed ratio must be 0.8 to 1.2 for 5 seconds.
  5. Select Specific DTC. Enter DTC P1875.

Has the test run and passed?

--

System OK

Begin the diagnosis again. Go to Step 1