GM Service Manual Online
For 1990-2009 cars only

WATER COLLECTS UNDER REAR SEAT CUSHIONS

VEHICLES AFFECTED: 1988-89 CHEVROLET CAMARO CONVERTIBLES

The reason for the water collecting under the rear seats is due to poor drainage of water from the inner quarter panel, causing the water to overflow into the rear seat floor pan area.

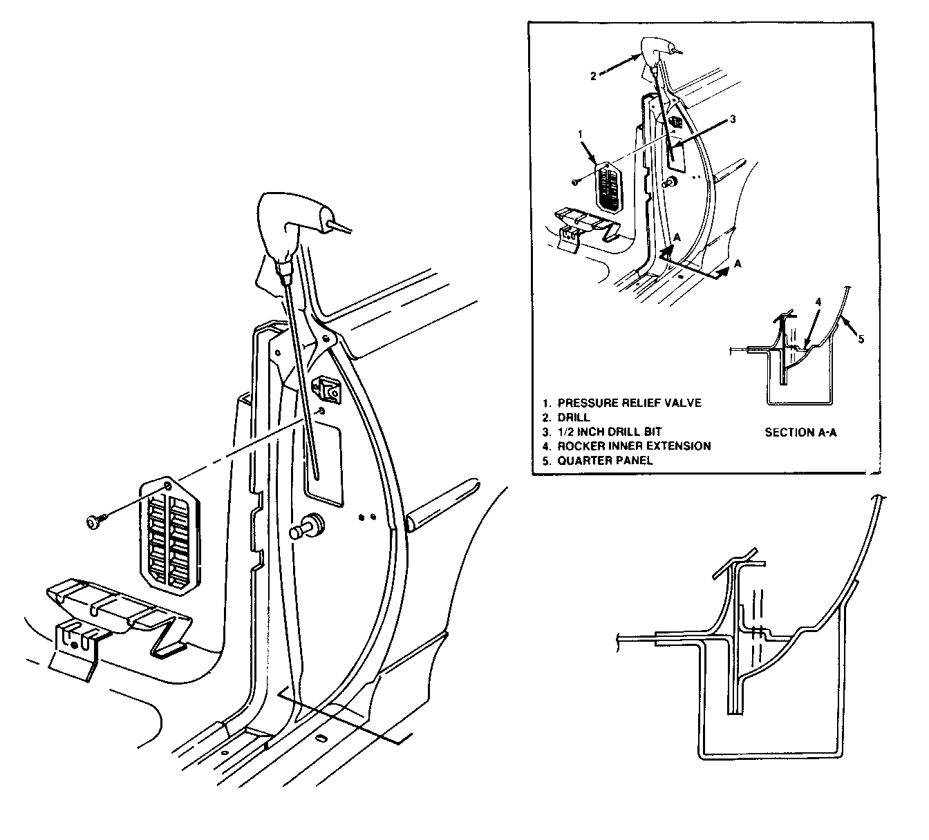
In order to address this condition, it will be necessary to drill additional holes in the quarter rocker inner extension for water drainage.

REMOVE OR DISCONNECT

1. Remove seat cushion attaching bolts located at center of left and right sections of rear seat cushions.

2. Lift cushion upward to remove from vehicle.

3. Sill plate and carpet retainer.

4. Quarter inner upper trim cap.

5. Lock pillar finish moulding.

6. Screws, attaching trim panel to lock pillar and rear seat back striker bracket.

7. Pull quarter trim panel out and disconnect speaker wire connector.

8. Push rear seat lap belt back through slot in trim panel.

9. Remove quarter trim panel from vehicle.

INSPECT

A. With convertible top in the full up and latched position, run water down the side of the roof sail panel to allow water to run down an fill the tonneau panel drain trough.

B. Check to assure water flows properly through drain trough and drain tube.

C. Check the cavity between the inner quarter panel and the outer quarter panel for proper water drainage out the bottom of the quarter panel, water must not fill up in cavity.

D. Check to assure water does not flow into the rear seat floor pan area.

E. If water does not drain out cavity or flows into rear seat floor pan area continue to next step.

REMOVE OR DISCONNECT

10. Remove screw attaching pressure relief valve to lock pillar, located in door opening.

11. Slide pressure relief valve up to disengage hook-type attaching clip to complete removal.

12. Drill hole in quarter rocker inner extension, using a 1/2 drill bit on a extension.

IMPORTANT: Use pressure relief vent hole to gain access to drill quarter rocker inner extension.

INSPECT

A. With convertible top in the full up and latched position, run water down the side of the roof sail panel to allow water to run down and fill the tonneau panel drain trough.

B. Check to assure water flows properly through drain trough and drain tube.

Check the cavity between the inner quarter panel and the outer quarter panel for proper water drainage out the bottom of the quarter panel, water must not fill up in cavity.

D. Check to assure water does not flow into the rear seat floor pan area.

INSTALL OR CONNECT

1. Pressure relief valve to lock pillar with screw.

2. Position quarter trim panel to body. Thread seat belt through slot in trim panel and connect wire connector to speaker.

3. Secure quarter trim panel with screws.

4. Lock pillar finish moulding.

5. Quarter inner upper trim cap.

6. Sill plate and carpet retainer.

7. Rear seat cushion.

Use most applicable Labour Operation from the Canadian Labour Time Guide.


Object Number: 75773  Size: FS

General Motors bulletins are intended for use by professional technicians, not a "do-it-yourselfer". They are written to inform those technicians of conditions that may occur on some vehicles, or to provide information that could assist in the proper service of a vehicle. Properly trained technicians have the equipment, tools, safety instructions and know-how to do a job properly and safely. If a condition is described, do not assume that the bulletin applies to your vehicle, or that your vehicle will have that condition. See a General Motors dealer servicing your brand of General Motors vehicle for information on whether your vehicle may benefit from the information.