GM Service Manual Online
For 1990-2009 cars only

SERVICE MANUAL UPDATE SEC. 10 CONVERTIBLE SERVICE PROCEDURES

SUBJECT: SERVICE MANUAL UPDATE SECTION 10 BODY (ADDITIONAL INFORMATION CONTAINING CONVERTIBLE SERVICE PROCEDURES)

VEHICLES AFFECTED: INTERIM 1991 PONTIAC FIREBIRD

Attached pages indicate service procedures for the interim 1991 Pontiac Firebird convertibles. These pages are an addition to the 1991 Pontiac Firebird Service Manual.

REAR QUARTERS

The following "Notice" applies to one or more steps in the assembly procedure of components in this portion of the manual as indicated at appropriate locations by the terminology: "NOTICE: See "Notice" on page 10-6-1 of this section. "

NOTICE: When fasteners are removed, always reinstall them at the same location from which they were removed. If a fastener needs to be replaced, use the correct part number fastener for that application. If the correct part number fastener is not available, a fastener of equal size and strength (or stronger) may be used. Fasteners that are not reused, and those requiring thread locking compound will be called out. The correct torque value must be used when installing fasteners that require it. If the above conditions are not followed, parts or system damage could result.

NOTICE: The anti-theft label found on some major sheet metal, engines, and transmissions must be masked prior to painting, rustproofing, undercoating, etc. The mask MUST be removed following the above operations. Failure to keep the label clean and readable may result in liability for violation of Federal Vehicle Theft Prevention Standard, and subject the vehicle owner to possible suspicion that the part was stolen.

CONTENTS

Quarter Trim - Interior .................... 10-6-1 Quarter Inner Upper Trim Cap (Convertible).10-6-1 Quarter Trim Panel (Convertible).......... 10-6-1 Quarter Cap Belt Molding (Convertible).... 10-6-2 Quarter Cap Belt Molding Protector Decal ..10-6-2 Rear Quarter Speaker Assembly .............. 10-6-4

QUARTER TRIM - INTERIOR ======================= QUARTER INNER UPPER TRIM CAP (CONVERTIBLE) ------------------------------------------ Figure 1 [(-)] Remove or Disconnect

o Lower convertible top. Refer to CONVERTIBLE TOP (SEC. 10-8) in this service bulletin. 1. Screws (2). 2. Quarter inner upper trim cap (1) and front shoulder belt bezel (3).

[) (] Install or Connect

1. Quarter inner upper trim cap (1) and front shoulder belt bezel (3). 2. Screws (2). o Raise convertible top. Refer to CONVERTIBLE TOP (SEC. 10-8) in this service bulletin.

QUARTER TRIM PANEL (CONVERTIBLE)

Figure 1 [(-)] Remove or Disconnect

1. Rear seat bottom cushion. Refer to SEATS (SEC.10-9) in the 1991 Firebird Service Manual. 2. Sill plate and carpet retainer (23) by removing rear screws (22). 3. Quarter inner upper trim cap. Refer to "Quarter Inner Upper Trim Cap (Convertible)" in this section. 4. Screw (21). 5. Cord welt (4). 6. Screws (6). 7. Speaker connector (15). 8. Courtesy lamp connector (14). 9. Lap belt bezel spin nut (16). 10. Lap belt bezel (18). 11. Quarter trim panel (7).

o Push lap belt through slot in quarter trim panel (7).

[) (] Install or Connect

1. Quarter trim panel (7). o Position quarter trim panel (7) to body. o Thread lap belt through slot in quarter trim panel (7). 2. Lap belt bezel (18). 3. Lap belt bezel spin nut (16). 4. Courtesy lamp connector (14). 5. Speaker connector (15). 6. Screws (6). 7. Cord welt (4). 8. Screw (2 1). 9. Sill plate and carpet retainer (23) by attaching rear screws (22). 10. Quarter inner upper trim cap. Refer to "Quarter Inner Upper Trim Cap (Convertible)" in this section. 11. Rear seat bottom cushion. Refer to SEATS (SEC. 10-9) in the 1991 Firebird Service Manual.

QUARTER CAP BELT MOLDING (CONVERTIBLE)

Figures 1 and 2

The quarter cap belt moldings are attached to the body by screws and adhesive tape. The quarter cap belt molding can be removed from the body with the use of a hot air gun to break the adhesive tape bond.

NOTICE: When removing or installing quarter cap belt molding, care should be exercised. Adjacent finishes should be protected to prevent damage to finish. Proper tools and care should be used to guard against molding damage.

[(-)] Remove or Disconnect 1. Quarter inner upper trim cap. Refer to "Quarter Inner Upper Trim Cap (Convertible)" in this section. 2. Screws (I 1) and bracket (25). NOTICE: Do not use excessive heat on quarter cap belt molding surfaces or damage to paint may result. 3. Quarter cap belt molding (9). o Using a hot air gun held about 30 cm (12 inches) from the surface, apply heat in a circular motion, and carefully lift the quarter cap belt molding (9) from the body surface.

[] Clean o Quarter trim panel (7) area with soap and water and wipe dry. o Wipe quarter trim panel (7) and adhesive side of quarter cap belt molding (9) with a clean rag using oil-free naphtha or alcohol to remove all traces of adhesive tape from the quarter trim panel (7) and back side of quarter cap belt molding (9).

[) (] Install or Connect 1. A double-coated adhesive automotive attachment tape to the quarter cap belt molding (9). 2. Quarter cap belt molding (9). o Warm quarter trim panel (7) with heat lamp or heat gun about 21 C (70 F). o Align quarter cap belt molding (9) and press firmly in place. 3. Bracket (25) and screws (I 1). 4. Quarter inner upper trim cap. Refer to "Quarter Inner Upper Trim Cap (Convertible)" in this section.

Quarter Cap Belt Molding Protector Decal

Figures 1 and 2 [(-)] Remove or Disconnect o Unlatch and raise the number five bow. 1. Quarter inner upper trim cap. Refer to "Quarter Inner Upper Trim Cap (Convertible)" in this section.

NOTICE: Do not use excessive heat on the quarter cap belt molding surfaces or damage to the paint may result.

2. Quarter cap belt molding protector decal (24). o Using a hot air gun held about 30 cm (12 inches) from the surface, apply heat in a circular motion, and carefully lift the quarter cap belt molding protector decal (24) from the surface. o Use alcohol or grease and wax removal agent to remove any pieces of the quarter cap belt molding protector decal (24) still remaining.

[] Clean o Saturate a clean cloth with alcohol and water. o Wipe entire upper painted surface of quarter cap belt molding (9). o Wipe entire cleaned surface of quarter cap belt molding (9) with lint-free cloth once more.

[) (]Install or Connect 1. Quarter cap belt molding protector decal (24). o Spray quarter cap belt molding (9) with a liberal coat of wetting agent. o Wetting agent consists of 6-8 drops of Ivory Liquid dish soap to 16 oz. of water.

[] Inspect o Quarter cap belt molding protector decal (24) for proper alignment to edges of the tonneau panel decal (58) and center fore and aft. o Flat edge goes on inboard side. o Peel backing from quarter cap belt molding protector decal (24). o Spray back side of quarter cap belt molding protector decal (24) with wetting agent. o Center quarter cap belt molding protector decal (24) fore and aft on quarter cap belt molding (9). o Hold quarter cap belt molding protector decal (24) in place, sliding into proper position as necessary. o Using a soft rubber squeegee starting at the center, wipe out all excess wetting agent and remove all air bubbles with a side-to-side motion.

[ ] Inspect o For bubbles and use squeegee to remove trapped air or liquid.

[ ] Clean o Entire surface of quarter cap belt molding (9). 2. Quarter inner upper trim cap. Refer to "Quarter Inner Upper Trim Cap (Convertible)" in this section. o Lower and latch the number five bow.

REAR QUARTER SPEAKER ASSEMBLY

Figure I [(-)] Remove or Disconnect 1. Quarter trim panel. Refer to "Quarter Trim Panel (Convertible)" in this section. 2. Grille nuts (12). 3. Adaptor plate screws (8). 4. Speaker (13).

[) (] Install or Connect 1. Speaker (13). [!] Important o Apply weatherstrip adhesive to lower portion of quarter trim panel (7), not on speaker. o Then apply weatherstrip adhesive on speaker adaptor plate (10) as shown. o Do not overlap edges. 2. Adaptor plate screws (8). 3. Grille nuts (12). 4. Quarter trim panel. Refer to "Quarter Trim Panel (Convertible)" in this section.

BODY REAR END

The following "Notice" applies to one or more steps in the assembly procedure of components in this portion of the manual as indicated at appropriate locations by the terminology: "NOTICE: See "Notice" on page 10-7-1 of this section. "

NOTICE: When fasteners are removed, always reinstall them at the same location from which they were removed. If a fastener needs to be replaced, use the correct part number fastener for that application. If the correct part number fastener is not available, a fastener of equal size and strength (or stronger) may be used. Fasteners that are not reused, and those requiring thread locking compound will be called out. The correct torque value must be used when installing fasteners that require it. If the above conditions are not followed, parts or system damage could result.

CONTENTS

Convertible Rear Compartment Lid .................. 10-7-1 Rear Compartment Lid Replacement ................ 10-7-1 Rear Compartment Lid Spoiler Assembly............ 10-7-2 Center High-Mounted Stoplamp Replacement......... 10-7-3 Rear Compartment Lid Seal Replacement....... .... 10-7-3 Rear Compartment Lid Lock Switch ................ 10-7-3 Rear Compartment Lid Lock Release Actuator ...... 10-7-4 Rear Compartment Lid Lock Cable ................. 10-7-4 Specifications .................................... 10-7-4

CONVERTIBLE REAR COMPARTMENT LID

REAR COMPARTMENT LID REPLACEMENT

Figure 1

The rear compartment lid consists of an inner panel and an outer panel that are hemmed around the perimeter and bonded together with structural adhesive. Opening assist is provided by the use of gas support assemblies.

[(-)] Remove or Disconnect CAUTION: Do not attempt to remove or loosen the gas support without the rear compartment lid fully open. A support removed under pressure may result in personal injury.

o Open rear compartment lid (80) and have a helper support it. 1. Rear compartment lid harness (77) on left-hand side. 2. Gas supports (78) by disengaging clips from the gas support ends at the rear compartment lid (80) and body. 3. Bolts (79). 4. Rear compartment lid (80),.

[) (] Install or Connect NOTICE: See "Notice" on page 10-7-1 of this section. 1. Rear compartment lid (80) to hinges with the aid of a helper. 2. Bolts (79), hand tight. 3. Gas supports (78) by engaging clips.

[ ] Adjust o Rear compartment lid (80) fore and aft, side-to-side and front height as necessary.

[ ] Tighten o Bolts (79) to 24 N-m (18 lb. ft.). o Rear compartment lid rear corner height by screwing rubber bumpers (82) in or out as necessary. 4. Rear compartment lid harness (77) on left-hand side. o Close rear compartment lid (80).

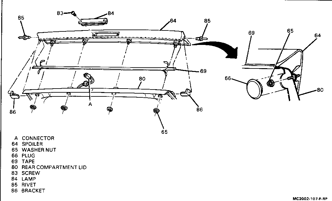
REAR COMPARTMENT LID SPOILER ASSEMBLY

Figure 2

This style spoiler is mounted on the rear compartment lid and also has extensions on the rear quarter panels. For the quarter cap belt molding extensions, refer to REAR QUARTERS (SEC. 10-6) in this service bulletin.

[(-)] Remove or Disconnect o Open rear compartment lid (80). 1. Center high-mounted stoplamp. Refer to "Center High-Mounted Stoplamp Replacement" in this section. 2. Plugs (66). 3. Washer nuts (65). 4. Rivets (85). 5. Spoiler (64), and remove all traces of old tape (69). 6. Brackets (86).

[) (] Install or Connect NOTICE: See "Notice" on page 10-7-1 of this section.

NOTICE: Care should be exercised to prevent waterleaks in the rear compartment area when sealing surfaces are disturbed. Holes in the rear compartment lid for mounting studs that would permit water entry into the rear compartment and cause possible trim damage must be sealed with a presealed washer nut or a body caulking compound.

o Re-position sound deadener as necessary. 1. Brackets (86) into slots on rear compartment lid (80). 2. Spoiler (64). o Carefully align brackets (86) on each side of spoiler (64) in correct mounting position. 3. Two-sided foam tape (69) (10mm x 1.5mm) to inside rear edge of spoiler (64). o Leave backing on other side of tape (69) until after spoiler (64) is mounted. Apply pressure along rear edge. 4. Washer nuts (65) to studs on spoiler (64). o Drill rivet holes (one on each side) using a number 30 drill bit, one in the end of the spoiler (64) and one in the attaching brackets (86). o Peel backing off of tape (69).

[ ] Tighten o Washer nuts (65) to 7 N-m (62 lb. in.). 5. Rivets (85). 6. Plugs (66). 7. Center high-mounted stoplamp. Refer to "Center High-Mounted Stoplamp Replacement" in this section. o Close rear compartment lid (80).

CENTER HIGH-MOUNTED STOPLAMP REPLACEMENT

Figure 2

The center high-mounted stoplamp is mounted to the rear compartment lid spoiler assembly.

[(-)] Remove or Disconnect 1. Screws (83). o Pull lamp (84) away from spoiler (64). 2. Wire harness connection from lamp (84).

[) (] Install or Connect 1. Wire harness connection to lamp (84). 2. Lamp (84) to spoiler (64). 3. Screws (83).

REAR COMPARTMENT LID SEAL REPLACEMENT

Refer to "Compartment Lift Window Opening Weatherstrip Replacement" in BODY REAR END (SEC. 10-7) in the 1991 Firebird Service Manual.

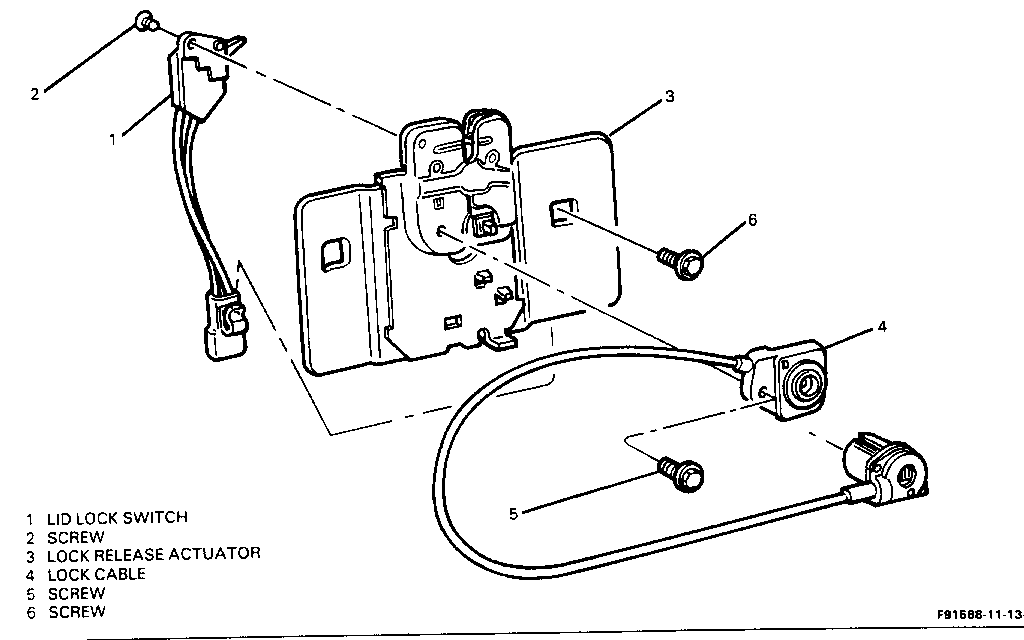
REAR COMPARTMENT LID LOCK SWITCH

Figure 3

[(-)] Remove or Disconnect o Open rear compartment lid.

1. Lock release actuator. Refer to "Rear Compartment Lid Lock Release Actuator" in this section. 2. Screw (2). 3. Lid lock switch (1).

[) (] Install or Connect 1. Lid lock switch (1). 2. Screw (2). 3. Lock release actuator. Refer to "Rear Compartment Lid Lock Release Actuator" in this section. o Close rear compartment lid.

REAR COMPARTMENT LID LOCK RELEASE ACTUATOR

Figure 3 [(-)] Remove or Disconnect

1. Rear end trim panel. Refer to BODY REAR END (SEC. 10-7) in the 1991 Firebird Service Manual. 2. Electrical connector from lid lock switch (1). 3. Screws (6). 4. Lock cable connector from lock cylinder. 5. Lock release actuator (3).

[) (] Install or Connect NOTICE: See "Notice" on page 10-7-1 of this section. o Place lock assembly near rear panel support. 1. Lock cable connector through opening in support to lock cylinder. 2. Lock release actuator (3) to support. 3. Screws (6).

[ ] Adjust o Fixed lock unit as necessary for proper lock striker engagement.

[ ] Tighten o Screws (6) to 24 N-m (18 lb. ft.).

4. Electrical connector to lid lock switch (1). 5. Rear end trim panel. Refer to BODY REAR END (SEC. 10-7) in the 1991 Firebird Service Manual.

REAR COMPARTMENT LID LOCK CABLE

Figure 3 [(-)] Remove or Disconnect 1. Lock release actuator. Refer to "Rear Compartment Lid Lock Release Actuator" in this section. 2. Screw (5). 3. Lock cable (4).

[) (] Install or Connect 1. Lock cable (4). 2. Screw (5). 3. Lock release actuator. Refer to "Rear Compartment Lid Lock Release Actuator" in this section.

SPECIFICATIONS

FASTENER TORQUE SPECIFICATIONS

Rear Compartment Lid Bolt ..................... 24 N-m (18 lb. ft.) Washer Nut .................................... 7 N-m (62 lb. in.) Lock Release Actuator Screw ................... 24 N-m (18 lb. ft.)

CONVERTIBLE TOP

NOTICE: When fasteners are removed, always reinstall them at the same location from which they were removed. If a fastener needs to be replaced, use the correct part number fastener for that application. If the correct part number fastener is not available, a fastener of equal size and strength (or stronger) may be used. Fasteners that are not reused, and those requiring thread locking compound will be called out. The correct torque value must be used when installing fasteners that require it. If the above conditions are not followed, parts or system damage could result.

CONTENTS

On-Vehicle Service .......................... 10-8-1 Convertible Interior Moldings, Garnishes, and Latch Plates ....................... 10-8-1 Number One Bow Garnish Molding ......... 10-8-1 Header Inner Trim Garnish .............. 10-8-2 "A" Pillar Inner Garnish ............... 10-8-2 Latch Plate ............................ 10-8-2 Folding Top Operation ...................... 10-8-3 Lowering Top ........................... 10-8-3 Raising Top............................. 10-8-4 Adjustments.. ............................ 10-8-4 Upstops ............................... 10-8-4 Downstops .............................. 10-8-4 Side Rail Downstop Adjustment .......... 10-8-5 Watertest and Waterleak Repair.......... 10-8-5 Folding Top Cover......................... 10-8-5 Folding Headliner......................... 10-8-8 Tonneau Panel............................. 10-8-10 Tonneau Panel Release Switch Replacement ......................... 10-8-10 Tonneau Panel Replacement............... 10-8-10 Tonneau Panel Secondary Pin and Secondary Receiver Bracket Replacement ......................... 10-8-11 Number Five Bow Release Handle ......... 10-8-13 Number Five Bow Latch .................. 10-8-13 Tonneau Panel Latch .................... 10-8-13 Tonneau Release Solenoid ............... 10-8-14 Seals and Retainers ....................... 10-8-14 Header "A" Pillar Seal ................. 10-8-14 Side Rail Seal and Retainer ............ 10-8-14 Main Pillar Seal and Retainer........... 10-8-15 Number Five Bow Seal ................... 10-8-15 Tonneau Panel Seal...................... 10-8-16 Tonneau Panel Protector Decal .......... 10-8-16 Stay Pads ................................. 10-8-17 Side Stay Pad .......................... 10-8-17 Rear Stay Pad .......................... 10-8-18 Roof Bows ................................. 10-8-19 Number One and Number Two Bow Assembly ......................... 10-8-19 Number Three Bow Assembly .............. 10-8-21 Number Four Bow Assembly ............... 10-8-22 Number Five Bow Assembly ............... 10-8-22 Side Rail and Main Pillar Rail Assembly ... 10-8-22 Main Pillar Rail Assembly ................. 10-8-23 Folding Top Stack ........................ 10-8-25 Top Stack Spring Assist ................ 10-8-25 Number Five Bow Striker Grommets.... ...... 10-8-26 Specifications .............................. 10-8-26

ON-VEHICLE SERVICE ================== CONVERTIBLE INTERIOR MOLDINGS, GARNISHES, AND LATCH PLATES ---------------------------------------------------------- Interior moldings are made of plastic and painted to match the interior of the vehicle. The moldings are held on with screws. The latch plates are made of metal and are attached to the header. They retain the top cover to the header.

Number One Bow Garnish Molding

Figure 1 [(-)] Remove or Disconnect o Unlatch and raise number five bow to its full vertical position. o Raise tonneau panel to its full vertical position. o Lower number five bow. o Unlatch and raise top from the windshield header and fold back halfway. 1. Exposed screws (2). 2. Top cover retainer (3).

[!] Important o Loosen outboard and rear garnish molding screws (5). Then slide number one bow garnish molding (4) back to expose retainer screws (2) previously hidden. 3. Screws (2) remaining on number one bow garnish molding (4). 4. Number one bow garnish molding (4), by sliding out from under retainer (3).

[) (] Install or Connect 1. Number one bow garnish molding (4). 2. Screws (2). o Sandwich tabs of number one bow garnish molding (4) under retainer (3) while tightening the five center-most retainer screws (2). o Slide number one bow garnish molding (4) over five screws (2). o Tighten the remaining number one bow garnish molding screws (5). 3. Top cover retainer (3) to number one bow. 4. Screws (2) remaining on retainer (3).

[!] Important o Be sure number one bow garnish molding (4) fits over glued portion of headliner front section. o Fold top to windshield header. o Raise number five bow to full vertical position. o Lower and latch tonneau panel. o Lower and latch number five bow to tonneau panel. o Lower and latch number one bow to windshield header.

Header Inner Trim Garnish

Figure 2 [(-)]Remove or Disconnect

1. Sunshade screws (10). 2. Sunshades (8). 3. Header inner trim garnish screws (6). NOTICE: Use care to prevent garnish from cracking during removal. 4. Header inner trim garnish (7). o Carefully shift edges rearward and out of latch plate (17). o Loosen "A" pillar inner garnish screw (9). o Slide up and out of "A" pillar inner garnish (11).

[) (] Install or Connect NOTICE: Use care to prevent garnish from cracking during installation. 1. Header inner trim garnish (7). o Slide down and into "A " pillar inner garnish (11). o Tighten "A" pillar inner garnish screw (9). o Carefully shift edges forward and inside edges of latch plate (17), while slipping upper lip of header inner trim garnish (7) over outside of header edge. o Apply sound deadener inside of header inner trim garnish (7) over sunshade screw holes (if it was removed). 2. Header inner trim garnish screws (6). 3. Sunshades (8). o Place sunshades (8) so screw holes align properly.

[!] Important o The sunshade should be mounted so the larger pivot hole is closest to the front of the vehicle when the sunshade is attached. Check the fit of the sunshade. Screws should fit in evenly with no difficulty. 4. Sunshade screws (10).

"A" Pillar Inner Garnish

Figure 2 [(-)] Remove or Disconnect 1. "A" pillar inner garnish screw (9). 2. "A" pillar inner garnish (11) by sliding down and off hidden screws (12).

[) (] Install or Connect 1. "A" pillar inner garnish (I 1) by sliding up and on hidden screws (12). 2. "A" pillar inner garnish screw (9).

Latch Plate Figure 2 [(-)] Remove or Disconnect 1. Header inner trim garnish. Refer to "Header Inner Trim Garnish" in this section. 2. Screw (13) on outboard edge holding "A" pillar seal tab to latch plate (17) by A-5 bracket (15). 3. Washer nuts (16) holding A-5 bracket (15) to outboard end of latch plate (17), detaching sound deadener. 4. A-5 bracket (15). o Detach sound deadener to gain access to rivets (18).

[!] Important o Drive out mandrels before drilling to make drilling easier.

5. Inboard rivets (18) by drilling out with 3/16-inch drill bit. 6. Latch plate (17).

[) (] Install or Connect 1. Latch plate (17). 2. New 3/16-inch rivets (18) along inboard edge. o Apply sound deadener over rivets (18) after installation (if sound deadener was removed). 3. A-5 bracket (15). o Align to allow seal tab attachment.

[!] Important o Short end of bracket bend should bend toward inner garnish and away from header.

4. Washer nuts (16) onto studs holding A-5 bracket (15) to outboard end of latch plate (17). 5. Screw (13) holding "A" pillar seal to latch plate (17) by first screwing through seal tab and then into A-5 bracket end hole. o Apply sound deadener over washer nuts (16) and screw (13) once they are installed (if sound deadener was removed). 6. Header inner trim garnish. Refer to "Header Inner Trim Garnish" in this section.

FOLDING TOP OPERATION

The folding top is manually operated. When the folding top is raised, it attaches to the windshield header in the front and to the tonneau panel in the rear. Raising the top is made easier by the addition of spring assist. When the folding top is lowered, it is stored in a top well behind the rear seat. The top well is covered by the tonneau panel.

Lowering Top

CAUTION:

The vehicle must be parked on a level surface with the trunk lid closed before lowering or raising the folding top or tonneau, or damage to the folding top or tonneau and possible personal injury could result.

1. Set the parking brake. 2. Shift the automatic transmission to "P" (park) or the manual transmission to "NEUTRAL." 3. Turn the ignition to "RUN" position. 4. Lower the side windows. If battery is discharged and windows won't lower, open the doors. 5. Pull the release lever located on the left side of the tonneau panel to release the number five bow. 6. Raise the number five bow to its vertical position. 7. Push the tonneau panel release switch rearward to release the tonneau panel. 8. Raise the tonneau panel to its vertical position. 9. Lower the number five bow. NOTICE: Before lowering the folding top, make sure nothing is in the top well, or damage to the folding top and bows could result. 10. Pull each latching handle down and rotate each latch handle outboard to release the folding top from the windshield header. 11. Grasp the front edge of the number one bow; lift upward and rearward. NOTICE: Avoid jamming the folding top bows against one another or damage to the folding top and bows could result. 12. Slowly bring the folding top rearward until it is all the way down and return the top latch handles to the closed and stowed position. 13. Lower and latch the tonneau panel. 14. Make sure the tonneau panel is latched securely by gently lifting up on both forward ends of the tonneau panel.

NOTICE: Do not sit or place excessive weight on the tonneau panel when the folding top is down, or damage to the tonneau panel could result.

Raising Top

CAUTION:

The vehicle must be parked on a level surface with the deck lid closed before lowering or raising the folding top or tonneau, or damage to the folding top or tonneau and possible personal injury could result.

1. Set the parking brake firmly. 2. Shift the automatic transmission to "P" (park) or the manual transmission to "NEUTRAL." 3. Turn the ignition to "RUN" position. 4. Lower the side windows. If battery is discharged and windows won't lower, open the doors. 5. Push the tonneau panel release switch rearward to release the tonneau panel. 6. Raise the tonneau panel to its vertical position. NOTICE: Do not sit or place excessive weight on the folding top when it is up, or damage to the folding top could result. 7. Grasp the number one bow, lift and slowly raise the folding top to the header. 8. Continue to raise the folding top until it is against the windshield header. 9. Press downward until the guide pins drop into the windshield header. 10. While holding the folding top in place, rotate each latch handle forward, securing the folding top to the windshield header and push each handle up to its stowed position. 11. Raise the number five bow to its vertical position. 12. Lower and latch the tonneau panel. 13. Make sure the tonneau panel is latched securely by firmly but gently lifting up on both forward ends of the tonneau panel. 14. Lower the number five bow and align the pin on number five bow into the hole in the tonneau panel. Push downward until pin engages into latch.

ADJUSTMENTS

The folding top linkage includes the number one bow, side roof rails, hinges, connecting links and bows. The top linkage is attached to the body at the rear quarter area by a stationary main pivot bracket and spring assist. The folding top locks to the windshield header with latches. When the folding top framework does not work correctly, the problem is usually a damaged or misaligned linkage.

For the folding top to work properly, all the folding top parts must be aligned accurately. If damage has occurred, forcing the pivot points out of alignment, it will be difficult to reset the links to the correct dimensions by visually realigning them. If the alignment cannot be corrected, the entire subassembly where the affected linkage is, must be replaced. If a pivot bolt or link is broken, it must be replaced.

Upstops Figure 3

The upstops (20) can be adjusted for proper alignment between the top latch guide pins to the windshield header receivers.

[ ] Adjust o Upstops.

o Lower folding top. Refer to "Lowering Top" in this section. o Loosen upstop jam nuts and turn upstops (20) clockwise. o Raise and latch the folding top to windshield header. o Raise number five bow to full vertical position. o Turn upstops (20) counterclockwise until they contact the folding top linkage. o Unlatch and lower folding top. o Tighten upstop jam nuts while holding upstops (20) in position. o Raise folding top. Refer to "Raising Top" in this section.

[ ] Inspect o Alignment of top latch guide pins to the windshield header receivers.

Downstops Figure 3

The downstops can be adjusted for proper clearance between the main rail and number four bow when the top is lowered completely. The downstops have right angle bends and face outboard.

[ ] Adjust o Downstops (22). o Raise folding top. Refer to "Raising Top" in this section. o Loosen downstop nuts and adjust downstops (22) as required. o Tighten downstop nuts while holding downstops (22) in position. o Lower folding top. Refer to "Lowering Top" in this section.

[ ] Inspect o Clearance between the main rail and the number four bow. o Clearance of tonneau panel.

Side Rail Downstop Adjustment Figure 3

The top cover often binds between the number one bow and the side rail links. The side rail downstop can be adjusted to prevent this binding and possible wear on the top cover.

1. Unlatch and lower top.

[ ] Inspect o Top for binding between links and number one bow.

2. Bring top to the header.

[ ] Adjust o Loosen side rail downstop adjustment (135) on inboard side to slide side rail(s) (19) rearward as far as possible. o Tighten side rail downstop adjustment (135). 3. Lower the top.

[ ] Inspect o Top cover should not bind in areas mentioned. 4. Bring top to header and latch.

Watertest and Waterleak Repair

For watertest and general waterleak repair procedures, refer to GENERAL BODY SERVICE PROCEDURES (SEC. 10-1) in the 1991 Firebird Service Manual. To replace a leaking weatherstrip seal, refer to "Seals and Retainers" in this section.

FOLDING TOP COVER

Figure 4 [(-)] Remove or Disconnect

1. Side rail seals and retainers. Refer to "Side Rail Seal and Retainer" in this section. 2. Main pillar seals and retainers. Refer to "Main Pillar Seal and Retainer" in this section. 3. Number one bow garnish molding and retainer. Refer to "Number One Bow Garnish Molding" in this section. 4. Top cover (24) from number one bow adhesive bond and move back to vertical position. o To help loosen top cover (24), apply heat with a heat gun held 25 mm (1 inch) from the adhesive and rotate in a circular motion. 5. Cable screws (31). 6. Headliner from number two and three bows. Refer to "Folding Headliner" in this section. (It is not necessary to remove headliner from number one bow with top folded enough to allow access to retainer screws.) 7. Screws (25 and 27) from underside of number two and number three bow top cover retainers (23 and 26). 8. Number two and number three bow top cover retainers (23 and 26) from pockets in top cover (24). 9. Outer quarter flaps (30) separated by seam from main pillar adhesive bond, pulling outer quarter flap (30) from front side of main pillar rail. o To help loosen quarter flaps (30), apply heat with a heat gun held 25mm (1 inch) from the adhesive and rotate in a circular motion. 10. Side retention cables (33) from listing pockets. 11. Screws (37). 12. Elastic stays (35), folding top from stack rearward to number three bow. 13. Number five bow seal from number five bow. Refer to "Number Five Bow Seal" in this section. 14. Black cover rivets (39) from number five bow (29), using a 1/8-inch drill bit. 15. Top cover (24) from number five bow adhesive bond. o To help loosen top cover (24), apply heat with a heat gun held 25 mm (1 inch) from the adhesive and rotate in a circular motion. 16. Top cover (24) from vehicle.

[) (] Install or Connect Use Hughes part number HC-4183, 3M part number 8046 or equivalent adhesive on cover attaching surfaces requiring adhesive.

1. New top cover (24) to vehicle. 2. Side retention cables (33) through listing pockets. o Check cable ends for proper locations. o Square top cover (24) to top stack frame; check for evenness of quarter flap positions to main pillar rail. o Fold top cover (24) to windshield header. 3. Top cover (24) to number five bow (29) using adhesive on surfaces of both. o Raise number five bow (29) to full vertical position.

[!] Important o Attach outer flap to number five bow (29) applying adhesive to inside of outer flap and number five bow (29). Glue one-half of top cover (24) to number five bow (29) first, checking for evenness by lowering number five bow (29). Length of material overhanging edges should be uniform. Continue pressing surface of flap until it adheres. Repeat procedure if necessary, until both sides are done evenly. o Trim excess fabric from number five bow (29) evenly at seal channel to allow attachment of number five bow seal (36) later. 4. New 1/8-inch by 3/16-inch black aluminum cover rivets (39). 5. Cable screws (31). o Lower and latch tonneau cover. o Lower and latch number five bow (29). o Raise number one bow (34) off of header. 6. Number five bow seal. Refer to "Number Five Bow Seal" in this section. 7. Elastic stays (35) inside of number five bow seal (36) to link arms. 8. Screws (37). 9. Quarter flaps (30) separated by seam to main pillar rails. o Lower number five bow (29). o Fold inner quarter flaps to inside of main pillar rails. o Fold outer quarter flaps around outside of main pillar rails to forward edge using adhesive on flaps and rails.

[!] Important o Attach quarter flaps (30) to main pillar rails applying adhesive to inside of outer flap and inside forward surfaces of main pillar rail. Continue pressing surfaces of quarter flaps (30) until they adhere. Seams must be aligned with forward edge of rail evenly on both rails. Trim excess material after using adhesive to join to center channel edge. 10. Number two and number three bow top cover retainers (23 and 26) to top cover listing pockets. o Raise number five bow (29). o Raise tonneau panel and lower number five bow (29). o Slide the number two and number three bow top cover retainers (23 and 26) into pockets, if not already in place, and align screw holes. 11. Screws (25 and 27) to underside of number two and number three bows. 12. Headliner to number three and number two bows. Refer to "Folding Headliner" in this section. 13. Top cover (24) to number one bow (34). o Latch top to windshield header and pull top cover (24) straight forward at seams over number one bow (34) to desired fullness. o While maintaining tension on the top cover (24) over number one bow (34), make pencil mark on outer surface along forward edge of number one bow (34). o Unlatch top from the windshield header and lower the top halfway. o Pull top cover (24) 6 mm (1/4 inch) past reference mark over number one bow (34) and attach it to number one bow (34) by first attaching cover side flaps (38). o Fold cover side flaps (38) around number one bow (34) using adhesive on both cover and bow surfaces. o Fold top cover (24) over number one bow (34) along edge and over cover side flap (38) using adhesive on both cover and bow surfaces.

[!] Important o Attach top cover (24) to number one bow (34) starting at center, working toward each end to pull out wrinkles. Then lower and latch top to check for proper tension. If additional tension is needed, repeat step 13 and pull cover farther forward.

o Trim off excess material along number one bow (34). 14. Number one bow garnish molding and retainer. Refer to " Number One Bow Garnish Molding " in this section. 15. Main pillar seals and retainers. Refer to "Main Pillar Seal and Retainer" in this section. 16. Side rail seals and retainers.. Refer to "Side Rail Seal and Retainer" in this section.

FOLDING HEADLINER

Figure 5 [(-)] Remove or Disconnect 1. Main pillar seals and retainers. Refer to "Main Pillar Seal and Retainer" in this section. 2. Quarter headliner section (50) from main pillar (32) by breaking front-side adhesive bond. o To help loosen quarter headliner section (50), apply heat with a heat gun held 25 mm (I inch) from the adhesive and rotate in a circular motion. 3. Number one bow garnish molding. Refer to "Number One Bow Garnish Molding" in this section. 4. Front headliner section (52) carefully from number one bow adhesive bond. o To help loosen front headliner section (52), apply heat with a heat gun held 25 mm (1 inch) from the adhesive and rotate in a circular motion.

NOTICE: Be careful not to damage or distort plastic extrusion panel during removal.

5. Front headliner section (52) from number two bow (42), carefully prying off plastic extrusion channel (41). 6. Screws (43). 7. Front headliner section (52) from number three bow (45). o Front headliner section (52) attaches to front side of number three bow (45) while seam aligns with rear bottom edge. 8. Rear headliner section (46) from number three bow adhesive bond. o To help loosen rear headliner section (46), apply heat with a heat gun held 25 mm (1 inch) from the adhesive and rotate in a circular motion. o Carefully pull from front side of number three bow (45). 9. Quarter headliner section (50) from main pillar (32) through link arms to interior. o Raise number five bow to full vertical position.

10. Screws (53) from rear-most hole of number five bow rear stay pad bracket. 11. Screws (48). 12. Rear headliner retainer (47) from rear side of number four bow (28). o Raise number five bow to full vertical position. 13. Rear headliner section (46) from number four bow adhesive bond. o To help loosen rear headliner section (46), apply heat with a heat gun held 25 mm (1 inch) from the adhesive and rotate in a circular motion. 14. Rear headliner section (46).

[) (] Install or Connect Use Hughes part number HC-4183, 3M part number 8046 or equivalent adhesive on headliner attaching surfaces.

o Raise number one bow (34) to header and latch. o Raise number five bow to full vertical position. 1. Rear headliner section (46). 2. Screws (53) attaching corners of rear headliner section (46) with headliner inner side facing back, to rear-most holes of number five bow rear stay pad bracket. o Lower tonneau panel and latch. o Lower number five bow and latch. 3. Rear headliner section (46) to number four bow (28), inner side facing up, using adhesive.

[!] Important o Attach rear headliner section (46) to number four bow (28) starting at center, working toward each end forward to pull out wrinkles. o Apply adhesive to length of rear side of number four bow (28) and portion of rear headliner section (46) being attached. o Align screw holes.

4. Rear headliner retainer (47), aligning with screw holes on back side of number four bow (28). 5. Screws (48).

[!] Important o Avoid contact with backlite. If necessary unlatch and raise number five bow temporarily to make headliner adhesive attachment and screw in retainer. Immediately lower number five bow and latch when furnished to continue procedure with proper tension on headliner.

6. Rear headliner section (46) to number three bow (45).

[!] Important o Attach headliner to bow starting at center, working toward each end forward to pull out wrinkles. o Apply adhesive to length of front side of number three bow (45) and portion of rear headliner section (46) being attached. o Align holes. o Tuck quarter headliner section (50) between link arms and around main pillar front edge. 7. Front headliner section (52) to number three bow (45).

[!] Important o Rear end of front headliner section (52) is designed so number three bow headliner retainer (44) overlaps and attaches to number three bow (45). Replacement front headliner sections (52) and number three bow headliner retainers (44) are supplied separately; number three bow headliner retainer (44) must be slid into pocket of front headliner section (52) with adhesive applied evenly prior to attachment to number three bow (45). o Align number three bow headliner retainer (44) to front side screw holes seam and align to rear edge of number three bow (45) inner side facing up. 8. Screws (43). 9. Front headliner section (52) to number two bow (42). o Align front of front headliner section (52) to number one bow screw holes and space plastic extrusion channel (41) length evenly along number two bow (42). o Press one edge of open plastic extrusion channel (41) onto number two bow (42) and then attach remaining edge by pressing firmly.

[!] Important o Plastic extrusion channel (41) should snap on along full length of number two bow (42). If plastic extrusion channel (41) fails to snap on, use pliers without contacting front headliner section (52) or top cover material.

10. Front headliner section (52) to number one bow (34). o Align screw holes.

[!] Important o Attach front headliner section (52) to number one bow (34) starting at center, working toward each end and pulling front headliner section (52) forward to pull out wrinkles. o Apply adhesive to rear side of number one bow flange and portion of front headliner section (52) being attached. o Attach front headliner section (52) to number one bow (34) at an even depth of material.

11. Quarter headliner section (50) to front side of main pillar (32), using adhesive on both. o Press quarter headliner section (50) in evenly.

[!] Important o Top cover must be attached before main pillar retainers and seals are attached.

12. Main pillar retainers and seals. Refer to "Main Pillar Seal and Retainer" in this section. 13. Number one bow garnish molding. Refer to "Number One Bow Garnish Molding" in this section.

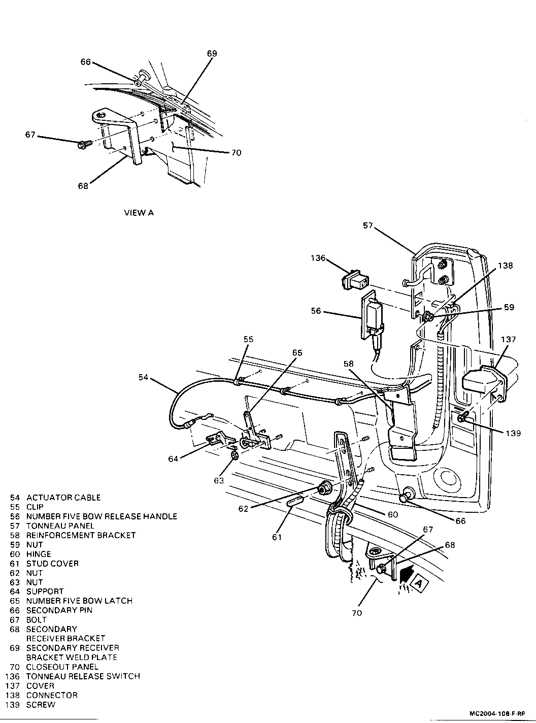
TONNEAU PANEL

The tonneau panel covers the top well when the folding top is raised. The number five bow attaches to the number five bow latch on the tonneau panel. The tonneau panel latches at the sides and is held onto hinges with nuts.

Tonneau Panel Release Switch Replacement Figure 6

[(-)] Remove or Disconnnect o Unlatch and raise number five bow. o Release and raise tonneau panel (57). o If tonneau relase switch (136) won't operate, use manual release cables. 1. Screws (139). 2. Cover (137). 3. Connector (138) from tonneau panel release switch (136). 4. Tonneau panel release switch (136) from tonneau panel (57) by squeezing tabs.

[) (] Install or Connect 1. Tonneau panel release switch (136) to tonneau panel (57) by squeezing tabs. 2. Connector (138) to tonneau panel release switch (136). 3. Cover (137). 4. Screws (139). o Lower and latch tonneau panel (57). o Lower and latch number five bow.

Tonneau Panel Replacement Figure 6

[(-)] Remove or Disconnect o Protect nearby body panels. o Release and raise tonneau panel (57) to its vertical position.

CAUTION:

A helper must support the tonneau panel while the hinge nuts are being removed, or the tonneau panel may fall causing damage to the tonneau panel and body panels and possible personal injury.

o Support the tonneau panel (57). 1. Hinge nuts (62). 2. Tonneau panel (57) with a helper.

[) (] Install or Connect o Protect nearby body panels. 1. Tonneau panel (57) to hinges (60) with a helper. CAUTION: A helper must support the tonneau panel while the hinge nuts are being installed, or the tonneau panel may fall causing damage to the tonneau panel and body panels and possible personal injury.

2. Hinge nuts (62). o Lower tonneau panel (57).

[ ] Adjust

o Tonneau panel (57) forward and rearward as necessary. o Loosen hinge nuts (62). o Slide tonneau panel (57) forward or rearward on hinge (60). o Tighten hinge nuts (62).

Tonneau Panel Secondary Pin and Secondary Receiver Bracket Replacement

Figure 6

The tonneau panel (57) includes secondary pins (66) and secondary receiver brackets (68). They are used as a safety feature to prevent the tonneau panel (57) from moving out of position during an accident. The shoulder harness would not work properly during an accident if it did not include this feature and the tonneau panel (57) would not be prevented from sliding forward and causing possible injury to a passenger. When the tonneau panel (57) is closed, the secondary pins (66) fit into the spaces provided by the holes in the secondary receiver brackets (68). There is one of each on both sides of the tonneau panel (57).

Secondary Pins Figure 6

o Remove or Disconnect o Release and raise the number five bow. o Release and raise the tonneau panel (57). o Secondary pin (66) by unscrewing.

NOTICE: A threaded washer is attached to the secondary pin. Do not remove it from the secondary pin. Replace the entire secondary pin assembly if either part is damaged.

[) (] Install or Connect NOTICE: See "Notice" on page 10-8-1 of this section.

[!] Important

o All parts must be aligned and installed in proper functioning order. The tonneau panel must open and close properly and without interference. Torque all fasteners and adjustments to specifications and check repeatedly for proper latching, opening and shutting. o Secondary pin (66).

[ ] Tighten o Secondary pin (66) to 42 N-m (31 lb. ft.). o Lower and latch the tonneau panel (57). o Lower and latch the number five bow.

Secondary Receiver Brackets Figure 6 [(-)] Remove or Disconnect o Open the deck lid and remove the one piece carpet section from the rear side of the top well closeout panel (70) by pulling gently.

[!] Important o The weld plate contains weld nuts. Once the bolts are removed from the secondary receiver bracket side, the weld plate will become loose and fall freely from its position. Before removing, secure the weld plate with tape to its position at the rear side of the top well closeout panel for installation later. Make sure the bolt holes are aligned. o Tape the secondary receiver bracket weld plate (69) in position securely. o Close the deck lid. o Release and raise the number five bow.

NOTICE: Do not attempt to raise the tonneau panel while the deck lid is raised or damage will result.

o Release and raise the tonneau panel (57).

1. Bolts (67). 2. Secondary receiver bracket (68) from secondary receiver bracket weld plate (69).

[) (] Install or Connect NOTICE: All parts must be aligned and installed in proper functioning order. The tonneau panel must open and close properly and without interference. Torque to the required specification on all fasteners and adjustments and check repeatedly for proper latching, opening and shutting.

NOTICE: See "Notice" on page 10-8-1 of this section.

1. Secondary receiver bracket (68).

NOTICE: The secondary receiver bracket weld plate should be aligned and attached securely to the bolts.

2. Bolts (67) through secondary receiver bracket (68) and closeout panel (70) and into weld nuts.

[ ] Tighten o Bolts (67) to 29 N-m (21 lb. ft.).

0 Lower and latch the tonneau panel (57). 0 Lower and latch the number five bow. 0 Raise deck lid.

[ ] Inspect o Secondary receiver bracket weld plate (69). o Remove tape. 3. Carpet section. o Wedge into place.

NOTICE: Do not let carpet section become tangled in deck lid or tonneau panel moving parts.

o Close deck lid.

Number Five Bow Release Handle

Figure 6

[(-)] Remove or Disconnect o Release and raise number five bow to its vertical position. o Release and raise tonneau panel (57) to its vertical position. 1. Actuator cable (54) from number five bow latch (65) and cable support (64).

NOTICE: Be careful not to damage clips (55) while removing.

2. Clips (55) supporting actuator cable (54). 3. Actuator cable (54) out through reinforcement bracket (58). 4. Nuts (59). 5. Number five bow release handle (56).

[) (] Install or Connect 1. Number five bow release handle (56). 2. Nuts (59). 3. Actuator cable (54) through reinforcement bracket (58). 4. Clips (55) around actuator cable (54) and align to mounting holes. 5. Clips (55) with actuator cable (54). o Press clips (55) in firmly. 6. Actuator cable (54) to cable support (64) and number five bow latch (65). o Lower tonneau panel (57) and latch. o Lower number five bow and latch.

Number Five Bow Latch Figure 6

[(-)] Remove or Disconnect o Unlatch and raise number five bow to its vertical position. o Unlatch and raise tonneau panel (57) to its vertical position.

1. Actuator cable (54) from number five bow latch (65) and support (64). 2. Latch nuts (63). 3. Number five bow latch (65).

[) (] Install or Connect 1. Number five bow latch (65). 2. Latch nuts (63). 3. Actuator cable (54) to number five bow latch (65) and support (64). o Lower and latch tonneau panel (57). o Lower and latch number five bow.

Tonneau Panel Latch Figure 7

[(-)] Remove or Disconnect 1. Quarter trim panel. Refer to REAR QUARTERS (SEC. 10-7) in this service bulletin. 2. Cable (76) from latch mount plate (73). 3. Latch screws (71). 4. Tonneau panel latch (72).

[) (] Install or Connect 1. Tonneau panel latch (72). 2. Latch screws (71). 3. Cable (76) to latch mount plate (73). 4. Quarter trim panel. Refer to REAR QUARTERS (SEC. 10-7) in this service bulletin.

[ ] Adjust

o Tonneau panel latch (72) to give correct tonneau panel alignment at front corners. o Loosen latch screws (71). o Slide tonneau panel latch (72) up or down as necessary. o Tighten latch screws (71).

Tonneau Release Solenoid Figure 7

[(-)] Remove or Disconnect 1. Quarter trim panel. Refer to REAR QUARTERS (SEC. 10-7) in this service bulletin. 2. Cable (76) from latch mount plate (73). 3. Cable retainer screws (74). 4. Cable retainers (75) from cable (76). 5. Wire connector (79). 6. Solenoid screws (77). 7. Solenoid (78).

[) (] Install or Connect 1. Solenoid (78). 2. Solenoid screws (77). 3. Cable retainers (75) to cable (76). 4. Cable retainer screws (74). 5. Cable (76) to latch mount plate (73). 6. Wire connector (79). 7. Quarter trim panel. Refer to REAR QUARTERS (SEC. 10-7) in this service bulletin.

SEALS AND RETAINERS

The folding top seals are attached to the retainers with 3M or equivalent weatherstrip adhesive. The header "A" pillar seal and number five bow seal also have screws. The side rail seals and main pillar seal have removable retainers. The tonneau panel seal is attached to the tonneau panel with double-coated adhesive tape.

Header "A" Pillar Seal Figure 2 [(-)] Remove or Disconnect

1. Header inner trim garnish. Refer to "Header Inner Trim Garnish" in this section. 2. Screws (13). 3. Header "A" pillar seal (14). o Grasp header "A" pillar seal (14) and pull gently while inserting a flat-bladed tool between the header "A" pillar seal (14) and the seal retainer. o Use a suitable release agent or heat gun to help break the adhesive bond if necessary.

[) (] Install or Connect 1. Header "A" pillar seal (14). o Scrape excess adhesive from the seal retainer. o Apply a continuous bead of black weatherstrip adhesive into the seal retainer. o Press the header "A" pillar seal (14) into the seal retainer. 2. Screws (13). 3. Header inner trim garnish. Refer to "Header Inner Trim Garnish" in this section.

Side Rail Seal and Retainer Figure 8

[(-)] Remove or Disconnect 1. Side rail seal (82). o Grasp side rail seal (82) and pull gently while inserting a flat-bladed tool between the side rail seal (82) and side rail seal retainer (81). o Use a suitable release agent or a heat gun to help break the adhesive bond if necessary. 2. Side rail seal retainer screws (80). 3. Side rail seal retainer (81).

[) (] Install or Connect o Scrape excess adhesive from the side rail seal retainer (81).

1. Side rail seal retainer foam tape (87), if necessary. o Align with screw holes. 2. Side rail seal retainer (81). 3. Side rail seal retainer screws (80). 4. Weatherstrip adhesive to side rail seal retainer (81). 5. Side rail seal (82) into side rail seal retainer (81) using a flat-bladed tool.

Main Pillar Seal and Retainer Figure 8

[(-)] Remove or Disconnect

1. Main pillar seal (83). o Grasp main pillar seal (83) and pull gently while inserting a flat-bladed tool between the main pillar seal (83) and the main pillar seal retainer (85). o Use a suitable release agent or a heat gun to help break the adhesive bond if necessary. 2. Main pillar seal retainer screws (84). 3. Main pillar seal retainer (85).

[) (] Install or Connect o Scrape excessive adhesive from the main pillar seal retainer (85). 1. Main pillar seal retainer (85). 2. Main pillar seal retainer screws (84). 3. Black weatherstrip adhesive to main pillar seal retainer (85). 4. Main pillar seal (83) into main pillar seal retainer (85) using a flat-bladed tool.

Number Five Bow Seal Figure 8

[(-)] Remove or Disconnect o Unlatch and raise number five bow (29) to its full vertical position. o Unlatch and raise tonneau panel. o Number five bow seal screws (86). o Grasp number five bow seal (36) and pull gently while inserting a flat-bladed tool between the number five bow seal (36) and the number five bow (29). o Use a suitable release agent or a heat gun to help break the adhesive bond if necessary.

[) (] Install or Connect o Scrape excessive adhesive from the number five bow (29). 1. Black weatherstrip adhesive to number five bow (29). 2. Number five bow seal (36) to number five bow (29) using a flat-bladed tool if necessary. 3. Number five bow seal screws (86). o Lower and latch tonneau panel. o Lower and latch number five bow (29).

Tonneau Panel Seal Figure 9

[(-)] Remove or Disconnect o Unlatch and raise number five bow. o Release and raise tonneau panel (57). o Tonneau panel seal (88) by peeling gently away from tonneau panel (57).

[ ] Clean o Adhesive from tonneau panel (57).

[) (] Install or Connect o New tonneau panel seal (88). o Peel self-stick backing from rear tonneau panel seal (88). o Place new seal (88) into position carefully by aligning ends to edge of tonneau panel (57) and clipping into place to secure. o Lower and latch tonneau panel (57). o Lower and latch number five bow.

Tonneau Panel Protector Decal Figure 1 0

[(-)] Remove or Disconnect o Unlatch and raise the number five bow.

NOTICE: Do not use excessive heat on the tonneau surfaces or damage to the paint may result.

o Protector decal (140). o Using a hot air gun held about 30 cm (12 inches) from the surface, apply heat in a circular motion, and carefully lift the protector decal (140) from the surface. o Use alcohol or grease and wax removal agent to remove any pieces of the protector decal (140) still remaining.

[) (] Install or Connect o Protector decal (140).

[ ] Clean o Saturate a clean cloth with alcohol and water. o Wipe entire upper painted surface of tonneau panel (57). o Wipe entire cleaned surface of tonneau panel (57) with lint-free cloth once more.

o With tonneau face side up, spray tonneau painted surface with a liberal coat of wetting agent. o Wetting agent consists of 6-8 drops of Ivory Liquid dish soap to 16 oz. of water. o Peel backing from half of protector decal (140). o Spray back side of protector decal (140) with wetting agent. o Center decal (140) on tonneau panel (57) around number five bow latch and press up to applique (142) with wet half. o Hold protector decal (140) in place while removing remaining portion of backing. o Spray remaining half of protector decal (140) with wetting agent. o Hold applied half of protector decal (140) in place. Apply remaining half by sliding into proper position as necessary. o Using a soft rubber squeegee starting at the center by the number five bow latch plate, wipe out all excess wetting agent and remove all air bubbles with a side-to-side motion.

[ ] Inspect o For bubbles and squeegee to remove trapped air or liquid.

[ ] Clean o Entire surface of tonneau panel (57) with a clean cloth.

o Lower and latch number five bow.

STAY PADS

The stay pads help keep the roof bows aligned. The stay pads are attached to the bows with aluminum rivets and stainless steel staples. The rear stay pad is attached to the number five bow with a bracket. The folding top cover must be removed from the number one bow before the side stay pads can be serviced. Use transfer marks to locate position of pads when reattaching or attaching new pads.

Side Stay Pad Figure 11 [(-)] Remove or Disconnect 1. Folding top cover from all except the number five bow. Refer to "Folding Top Cover" in this section. 2. Tape (89) from over rivets (90). 3. Rivets (90) from number one bow (34) using a 1/8-inch drill bit. 4. Staples (91) from bow tack strips. o Note location and spacing of staples (91). 5. Side stay pad (92).

[!] Important o Place the old side stay pad (92) on the new side stay pad (92) and mark the edges and holes of the old side stay pad (92) on the new side stay pad (92) for reference later.

[) (] Install or Connect

1. Side stay pad (92) onto number four bow (28). o Align side stay pad positions to transfer marks to assure proper tension and even spacing of side stay pads (92) to bows. o Latch number one bow (34). o Lower and latch tonneau panel. o Lower number five bow (29). o Place side stay pad (92) on top of all bows. o Align with rivet and staple positions. 2. Staples (91) to number four bow tack strip. 3. Side stay pad (92) to number one bow (34). 4. Rivets (90) to number one bow (34). o Use 1/8-inch by 3/16-inch aluminum rivets (90) in original holes. 5. Tape (89) over rivets (90). o Latch folding top to the windshield header. o Latch number five bow (29) to tonneau panel. 6. Side stay pad (92) to number three and number two bows (45 and 42). 7. Staples (91) to number three bow tack strip connecting side stay pad (92). 8. Staples (91) to number two bow tack strip connecting side stay pad (92). 9. Folding top cover. Refer to "Folding Top Cover" in this section.

Rear Stay Pad Figures 5 and 12

[(-)] Remove or Disconnect o Unlatch number five bow (29) and raise to its vertical position. 1. Screws (48) without contacting backlite. 2. Rear headliner retainer (47) from number four bow (28) without contacting backlite. 3. Rear headliner section (46) from number four bow adhesive bond without tearing rear headliner section (46). o To help loosen rear headliner section (46), apply heat with a heat gun held 25 mm (1 inch) from the adhesive and rotate in a circular motion. 4. Headliner screws (53). 5. Rear headliner section (46) from rear stay pad bracket (94). o Move number four bow (28) rearward without contacting backlite. 6. Staples (91) from number four bow tack strip on side stay pad (92).

[!] Important o Mark the location of the side stay pad (92) on the number four bow (28). 7. Side stay pad (92) from number four bow (28). 8. Staples from number four bow tack strip on rear stay pad (93). 9. Rear stay pad screws (95) from rear stay pad bracket (94). 10. Rear stay pad (93) from rear stay pad bracket (94) and number four bow (28).

[!] Important Place the old rear stay pad (93) on the new rear stay pad (93) and mark the edges and holes of the old rear stay pad (93) on the new rear stay pad (93) for reference later.

[) (] Install or Connect 1. Rear stay pad (93) to rear stay pad bracket (94) and number four bow (28). o Align pad positions to transfer marks to assure proper tension and even spacing of pad to bows. 2. Rear stay pad screws (95) to rear stay pad bracket (94). 3. Staples (91) to rear stay pad (93) on number four bow (28). o Align to original holes and attach to tacking strip. 4. Side stay pad (92) to number four bow (28). 5. Staples (91) to side stay pad (92) on number four bow (28). o Align to original holes and attach to tacking strip. 6. Rear headliner section (46) to rear stay pad bracket (94). 7. Headliner screws (53). 8. Rear headliner section (46) to number four bow (28). o Align holes of rear headliner section (46) with screw holes. o Apply adhesive to rear headliner section (46) and number four bow (28) and attach from center to sides evenly.

o Push number four bow (28) forward into original position. o Lower number five bow (29) to check evenness of rear headliner section (46) alignment. o Raise number five bow (29).

9. Rear headliner retainer (47) to number four bow (28) without contacting backlite. 10. Screws (48). o Lower and latch tonneau panel. o Lower and latch number five bow (29).

ROOF BOWS

The roof bows run from one outboard side of the vehicle to the other. The roof bows hold the folding top cover and keep its shape. The roof bows are attached to the side rails, main pillars and main pivot brackets with nuts and bolts.

Number One and Number Two Bow Assembly Figures 4, 13 and 14

[(-)] Remove or Disconnect o Lower side windows.

1. Number one Bow Garnish Moldin,. Refer to "Number One Bow Garnish Molding" in this section. 2. Top cover from number one bow. Refer to "Folding Top Cover" in this section. 3. Headliner with plastic extrusion attached from number one and number two bows. Refer to "Folding Headliner" in this section. 4. Top cover from number two bow. Refer to "Folding Top Cover" in this section. 5. Retention cable screws (3 1) from number one bow (34). 6. Side stay pads, marking their locations, from number one and number two bows. Refer to "Side Stay Pad" in this section. 7. Jam nuts (112) and washers (113) from outboard side of number three bow center links (114). 8. Number two bow actuators (111) from number three bow center links (114). o Remove washer (115). 9. Bolts (104).

10. Number one bow (34). o Number one and number two bow assembly from top.

[ ] Disassemble 1. Jam nuts (106) from number two bow pivot links (108). 2. Washers (107) from number two bow pivot links (108). 3. Number two bow actuator (111). o Remove washer (109). 4. Number one bow (34) from number two bow (42). o Remove spring pins (105) of number two bow pivot links (108) by driving out from number one bow (34). o Mark thread location on number two bow pivot links (108). o Remove number two bow pivot links (108) from number two bow (42) by unscrewing the links.

[ ] Assemble 1. Number one bow (34) with number two bow (42). o Screwing the pivot links (108) into the number two bow (42). o Screw in to depth of transfer mark. o Align and drive spring pins (105) into number two bow pivot links (108) connecting number two bow pivot links (108) to number one bow (34).

[!] Important o The number two bow actuator (111) is supplied with nuts (110 and 116) already tightened to 5 N-m (45 lb. in.). o The number two bow actuator (111) curves away from the top cover. o Do not reverse the direction of the actuators end-from-end. The 19mm (3/4-inch) bend sides attach to the number three bow center links (I 14). o The end of the number two bow actuators (111) that connect to the number two bow pivot links (108) must show bends outboard, with threaded ends to pass through pivot links facing inboard. 2. Washers (109), outboard of number two bow pivot links (108) to number two bow actuators (111). 3. Number two bow actuator threaded ends through number two bow pivot links (108) from outboard side to inboard side. 4. Washers (107), inboard of number two bow pivot links (108) to the ends of number two bow actuators (111). 5. Jam nuts (106), inboard of number two bow pivot links (108) to the ends of number two bow actuators (111).

[!] Important

o Note that jam nuts (106) have notches in the threads. They must face away from the number two bow actuators (111) at either point of attachment.

o Tighten jam nuts (106) to number two bow actuators (111) and then back off 1/2 turn so that they do not restrict movement of the number two bow actuators (111).

[ ] Inspect o Number two bow actuator (111) curves away from the top cover.

[) (] Install or Connect o Attach number one and number two bow assembly to top stack. 1. Number one bow (34). 2. Bolts (104). 3. Washers (115) to 3/4-inch end of number two bow actuator (111). 4. Number three bow center links (114) to number two bow actuator (111). 5. Washers (113) and jam nuts (112) to outboard side of number three bow center links (114).

[!] Important o Note that jam nuts (112) have notches in the threads. They must face away from the number two bow actuators (111) at either point of attachment. o Tighten jam nuts (112) to number two bow actuators (111) and then back off 1/2 turn so that they do not restrict movement of the number two bow actuators (111).

NOTICE: Do not allow number two bow actuator (111) to bend (if improperly installed) or damage may result. Carefully test by raising or lowering top.

6. Side stay pads to original positions on number one and number two bows. Refer to "Side Stay Pad" in this section. 7. Retention cable screws (3 1) to number one bow (34), through and exiting listing pockets of top cover and attaching to underside of number one bow (34). 8. Top cover to number one and number two bows. Refer to "Folding Top Cover" in this section. o Lower the number one bow (34) and latch. 9. Headliner with plastic extrusion attached to underside of number two bow and number one bow. Refer to "Folding Headliner" in this section. 10. Number one bow garnish molding. Refer to "Number One Bow Garnish Molding" in this section.

Number Three Bow Assembly Figures 5, 11 and 13

[(-)] Remove or Disconnect o Unlatch number five bow (29) and raise to its vertical position. o Unlatch and raise tonneau cover to its vertical position. o Lower number five bow (29). o Unlatch and raise number one bow (34). o Fold top cover back to expose the front headliner section (52). 1. Headliner from number two and number three bows and main pillar. Refer to "Folding Headliner" in this section. 2. Top cover from number three bow. Refer to "Folding Top Cover" in this section. 3. Staples (91) of side stay pads (92) from number three bow tack strips. 4. Side stay pads (92) from number three bow (45). o Mark location of side stay pads (92). 5. Number three bow screws (103). 6. Number three bow (45).

[) (] Install or Connect 1. Number three bow (45). 2. Number three bow screws (103). 3. Side stay pads (92) to original positions on number three bow (45). o Staples to number three bow tack strips. 4. Top cover to number three bow. Refer to "Folding Top Cover" in this section. o Lower and latch number one bow (34). o Raise number five bow (29). o Lower and latch tonneau cover. o Lower and latch number five bow (29). 5. Headliner to number two and number three bows and main pillar. Refer to "Folding Headliner" in this section.

Number Four Bow Assembly Figure 13

[(-)] Remove or Disconnect 1. Unlatch number five bow (29) and raise to its vertical position. NOTICE: Be careful not to scratch the backlite. o Pull number four bow (28) gently rearward for easier access. 2. Side stay pads, marking their locations, from number four bow. Refer to "Side Stay Pad" in this section. 3. Rear stay pads, marking their locations, from number four bow. Refer to "Rear Stay Pad" in this section. 4. Rear headliner section from number four bow. Refer to "Folding Headliner" in this section. 5. Screws (99) from number four bow (28). 6. Number four bow (28).

[) (] Install or Connect [!] Important o Without removing the top cover, the following order of procedures is the best method for installation. o Raise number five bow (29). 1. Number four bow (28). 2. Screws (99) to number four bow (28). 3. Rear stay pads to original positions on number four bow. Refer to "Rear Stay Pad" in this section. 4. Side stay pads to original positions on number four bow. Refer to "Side Stay Pad" in this section.

[!] Important o Take care to position headliner in the correct place.

5. Rear headliner section to number four bow. Refer to "Folding Headliner" in this section. o Lower and latch number five bow (29).

Number Five Bow Assembly Figure 13

[(-)] Remove or Disconnect 1. Number five bow seal. Refer to "Number Five Bow Seal" in this section. 2. Folding top cover from number five bow. Refer to "Folding Top Cover" in this section. 3. Rear stay pads and brackets from number five bow. Refer to "Rear Stay Pad" in this section. 4. Number four bow screws (99). 5. Number five bow screws (101). 6. Number five bow (29).

[) (] Install or Connect 1. Number five bow (29). 2. Number five bow screws (101).

[ ] Inspect o Number five bow latch pin (97) to make sure number five bow latch pin (97) is aligned properly with number five bow latch.

[ ] Adjust o Number five bow screws (101), if necessary, to align number five bow latch pin (97) and number five bow latch. 3. Number four bow screws (99). 4. Rear stay pads and brackets to number five bow. Refer to "Rear Stay Pad" in this section. 5. Folding top cover to number five bow. Refer to "Folding Top Cover" in this section. 6. Number five bow seal. Refer to "Number Five Bow Seal" in this section.

SIDE RAIL AND MAIN PILLAR RAIL ASSEMBLY

Figure 15

[(-)] Remove or Disconnect o Unlatch and lower the number one bow (34). 1. Number One Bow Garnish Molding. Refer to "Number One Bow Garnish Molding" in this section. 2. Side rail retainer. Refer to "Side Rail Seal and Retainer" in this section. o Mark position of side rail screws. 3. Main pillar seal and retainer. Refer to "Main Pillar Seal and Retainer" in this section. 4. Headliner from main pillar rail. Refer to "Folding Headliner" in this section. o Mark location of headliner on rail. 5. Top cover from main pillar rail. Refer to "Folding Top Cover" in this section. o Mark location of cover on main rail. o Bring the number one bow (34) to the header. o Unlatch and raise the number five bow (29) and unlatch and raise the tonneau panel. 6. Screw (86) of number five bow seal (36) from main pillar rail (1 19). 7. Screw (37) of elastic stay (35) from number five bow slat (120). o Raise number five bow (29). 8. Screws (101) of number five bow slat (120) from number five bow (29). o Lower number five bow (29). o Lower number one bow (34) halfway. 9. First screw from front headliner section retainer outboard (operation side) of number three bow. Refer to "Folding Headliner" in this section. o Reach into fold made by headliner with screwdriver to remove. o Peel back rear headliner section from front of number three bow (operation side) up to first screw hole. 10. Screws (103) from number three bow (45). 11. Bolts (104) from number one bow (34). 12. Nuts (112) from number two bow actuator (111). o Cover quarter belt molding near main pillar rail with tape for protection. o Bring the number one bow (34) to the header. o Raise number five bow (29). 13. Nuts (102) of main pivot bracket (21) from stud on vehicle. 14. Screws (129) of side retention cable (128) from back of main pillar rail (119). 15. Side retention cable (128). 16. Side rail (125) and main pillar rail (119) as an assembly.

[) (] Install or Connect

Use Hughes part number HC-4183, 3M part number 8046 or equivalent adhesive on headliner or top cover attaching surfaces.

1. Side rail (125) and main rail (119) as an assembly. 2. Side retention cable (128). 3. Screws (129) of side retention cable (128) to back of main pillar rail (119). 4. Nuts (102) of main pivot bracket (21) loosely to stud on vehicle. o Leave nuts (102) loose until other attachments are made. o Lower number five bow (29). 5. Screws (103) to number three bow (45). o Tighten nuts (102) of main pivot bracket (21) to stud on vehicle. 6. Nuts (112) to number two bow actuator (111). 7. Bolts (104) to number one bow (34). o Use Loctite. o Apply adhesive to rear headliner section and to front of number three bow (operation side) up to first screw hole and attach. Refer to "Folding Headliner" in this section. o Lower number one bow (34) halfway. 8. First screw to front headliner section retainer (operation side) of number three bow. Refer to "Folding Headliner" in this section. o Reach into fold made by headliner section (operation side) of number three bow. o Bring number one bow (34) to header and latch. o Raise number five bow (29). 9. Screws (101) of number five bow slat (120) to number five bow (29). 10. Screw (37) of elastic stay (35) to number five bow slat (120). 11. Screw (86) of number five bow seal (36) to main rail (119). o Remove tape from quarter belt molding. o Lower number five bow (29). o Align headliner to main pillar rail (119). 12. Top cover to main pillar rail. Refer to "Folding Top Cover" in this section. o Align headliner to reference marks. 13. Headliner to main pillar rail. Refer to "Folding Headliner" in this section. 14. Main pillar seal and retainer. Refer to "Main Pillar Seal and Retainer" in this section. 15. Side rail seal with retainer. Refer to "Side Rail Seal and Retainer" in this section. 16. Number one bow garnish molding. Refer to "Number One Bow Garnish Molding" in this section. o Latch the number one bow (34) to header. o Lower tonneau and latch. o Lower number five bow (29) and latch.

MAIN PILLAR RAIL ASSEMBLY

Figure 15

[(-)] Remove or Disconnect o Unlatch and lower the number one bow (34) halfway. 1. Main pillar seal and retainer. Refer to "Main Pillar Seal and Retainer" in this section. 2. Headliner from main pillar rail. Refer to "Folding Headliner" in this section. o Mark location of headliner on rail. 3. Top cover from main pillar rail. Refer to "Folding Top Cover" in this section. o Mark location of cover on main rail. o Bring the number one bow (34) to the header. o Unlatch and raise the number five bow (29) and then unlatch and raise the tonneau panel. 4. Screw (86) of number five bow seal (36) from main pillar rail (I 19). o Raise number five bow (29). o Mark location of nuts (102) of main pivot bracket (21). 5. Nuts (102) of main pivot bracket (21) from studs. 6. Bolt (131), washer (147), bushings (148) and nut (149) from main pillar link (132). o Lower number five bow (29). o Lower number one bow (34) halfway. 7. First screw from front headliner section retainer outboard (operation side) of number three bow. Refer to "Folding Headliner" in this section. o Reach into fold made by headliner with screwdriver to remove. o Peel back rear headliner section from front of number three bow (operation side) up to first screw hole. 8. Screws (103) from number three bow (45). o Cover quarter belt molding near main pillar rail with tape for protection. o Bring the number one bow (34) to the header. o Raise number five bow (29). 9. Assist spring (121) from spring link bracket (122). 10. Screws (129) of side retention cable (128) from back of main pillar rail (119). 11. Side retention cable (128). o Lift main pillar rail (I 19) up and move rearward to clear quarter panel. 12. Bolt (130) from main pivot bracket (21). 13. Bolt (126), washer (143) and bushings (144) of center link (127) from main pillar rail (119). 14. Bolt (118), washer (145) and bushings (146). 15. Main pillar rail (119) assembly.

[) (] Install or Connect Use Hughes part number HC-4183, 3M part number 8046 or equivalent adhesive on headliner or top cover attaching surfaces. 1. Main rail (119) assembly. 2. Bolt (130) to main pivot bracket (21). 3. Bolt (118), washer (145) and bushings (146). 4. Bolt (126), washer (143) and bushings (144) of center link (127) to main pillar rail (119). 5. Side retention cable (128). 6. Screws (129) of side retention cable (128) to back of main pillar rail (119). 7. Assist spring (121) to spring link bracket (122). 8. Bolt (131). washer (147), bushings (148), and nut (149) to main pillar link (132). Lower number five bow (29). 9. Screws (103) to number three bow (45). o Apply adhesive to rear headliner section and to front of number three bow (operation side) up to first screw hole and attach. Refer to "Folding Headliner" in this section. o Lower number one bow (34) halfway. o Reach into fold made by headliner section (operation side) of number three bow. 10. First screw to front headliner section retainer (operation side) of number three bow. Refer to "Folding Headliner" in this section. o Raise number one bow (34) to header and latch. o Raise number five bow (29). 11. Nuts (102) of main pivot bracket (21) to stud. o Use marks for location. 12. Screw (86) of number five bow seal (36) to main rail (119). o Remove tape from quarter belt molding. o Lower number five bow (29). 13. Top cover to main pillar rail. Refer to "Folding Top Cover" in this section. o Align top cover to reference marks. 14. Headliner to main pillar rail. Refer to "Folding Headliner" in this section. 15. Main pillar seal and retainer. Refer to "Main Pillar Seal and Retainer" in this section. o Latch the number one bow (34) to header. o Lower tonneau and latch. o Lower number five bow (29) and latch.

FOLDING TOP STACK

Figure 13 [(-)] Remove or Disconnect o Release and raise number five bow (29) to its vertical position. o Release and raise tonneau panel to its vertical position. 1. Nuts (102). o Unlatch folding top stack from windshield header. 2. Folding top assembly from vehicle with the aid of a helper.

[) (] Install or Connect NOTICE: See "Notice" on page 10-8-1 of this section. 1. Folding top stack assembly to vehicle with the aid of a helper. o Latch folding top to windshield header. 2. Nuts (102).

[ ] Tighten Nuts (102) to 10 N-m (89 lb. in.).

o Lower and latch tonneau panel. o Lower and latch number five bow (29).

Top Stack Spring Assist Figure 15

[(-)] Remove or Disconnect o Unlatch and raise the number five bow (29). o Release and raise the tonneau panel, o Reach into quarter area next to main pivot bracket (21) to locate assist spring (121). o There should be no tension on assist spring (121) in this position. o Spring hooks.

[) (] Install or Connect 1. Rearward spring hook from right to left. 2. Forward spring hook from top through bottom.

[ ] Inspect o For bushing damage. Assist spring (121) should fit snugly without damaging bushings (150). o Test top operation by raising and lowering number one bow (34). o Repeat procedure as necessary. o Lower and latch number one bow (34). o Lower and latch tonneau panel. o Lower and latch number five bow (29).

NUMBER FIVE BOW STRIKER GROMMETS

[ ] Install or Connect

Figure 16 o Pull the release lever located on the left side of the tonneau panel, forward to release the number five bow (29). o Raise the number five bow (29) to its full vertical position. o Push rubber grommets (133), small ends first, over the head of striker (134). o Lower the number five bow (29).

[!] Important o When the number five bow (29) is lowered the small ends of the rubber grommets (133) face upward and the large ends should face downward. o Latch the number five bow (29).

[ ] Inspect o With the number five bow (29) latched the rubber grommets (133) should cover the hole in the striker receiver plate. o Repeat procedure if necessary, adding grommets (133) until hole is covered.

SPECIFICATIONS

FASTENER TORQUE SPECIFICATIONS Secondary Pin .......................................... 42 Nm (31 lb. ft.) Secondary Receiver Bracket Bolt ........................ 29 Nm (21 lb. ft.) Folding Top Stack Nut .................................. 10 Nm (89 lb. in.) Number Two Bow Actuator Nut (Pre-Tightened Torque)...... 5 Nm (45 lb. in.)

SAFETY BELTS

The following "Notice" applies to one or more steps in the assembly procedure of components in this portion of the manual as indicated at appropriate locations by the terminology: "NOTICE: See "Notice" on page 10-10-1 of this section. "

NOTICE: When fasteners are removed, always reinstall them at the same location from which they were removed. If a fastener needs to be replaced, use the correct part number fastener for that application. If the correct part number fastener is not available, a fastener of equal size and strength (or stronger) may be used. Fasteners that are not reused, and those requiring thread locking compound will be called out. The correct torque value must be used when installing fasteners that require it. If the above conditions are not followed, parts or system damage could result.

CONTENTS

Restraint Systems ................................ 10-10-1 Manual Safety Belts ............................ 10-10-1 Retractor Side Safety Belts (Convertible)....... 10-10-1 Specifications .................................... 10-10-3

RESTRAINT SYSTEMS

MANUAL SAFETY BELTS

Retractor Side Safety Belts (Convertible) Front Seats

Figure 1 [(-)] Remove or Disconnect 1. Quarter trim panel. Refer to REAR QUARTERS (SEC. 10-6) in this service bulletin. 2. Shoulder belt retractor anchor bolt (3). 3. "D" ring bolt (20). 4. Electrical connector (4) on driver's seat. o Open retractor cover door. 5. Lap belt retractor anchor bolt (3). 6. Safety belt (22) with shoulder belt retractor (23), "D" ring (21) and lap belt retractor (24) attached.

[) (] Install or Connect NOTICE: See "Notice" on page 10-10-1 of this section. 1. Safety belt (22) with shoulder belt retractor (23), "D" ring (21) and lap belt retractor (24) attached. 2. Lap belt retractor anchor bolt (3).

[ ] Tighten o Lap belt retractor anchor bolt (3) to 42 N-m (31 lb. ft.).

o Close retractor cover door. 3. Electrical connector (4) on driver's seat. 4. "D" ring bolt (20).

[ ] Tighten o "D" ring bolt (20) to 42 N-m (31 lb. ft.).

5. Shoulder belt retractor anchor bolt (3).

[ ] Tighten o Shoulder belt retractor anchor bolt (3) to 42 N-m (31 lb. ft.).

6. Quarter trim panel. Refer to REAR QUARTERS (SEC. 10-6) in this service bulletin.

Rear Seat Lap Belt Figure 2

[(-)] Remove or Disconnect 1. Rear quarter trim panel. Refer to REAR QUARTERS (SEC. 10-6) in this service bulletin. 2. Lap belt anchor bolt (3). 3. Lap belt (31).

[) (] Install or Connect NOTICE: See "Notice" on page 10-10-1 of this section. 1. Lap belt (31). 2. Lap belt anchor bolt (3).

[ ] Tighten o Lap belt anchor bolt (3) to 42 N-m (31 lb. ft.).

3. Rear quarter trim panel. Refer to REAR QUARTERS (SEC. 10-6) in this service bulletin.

Rear Seat Shoulder Belt Figure 2

[(-)] Remove or Disconnect 1. Bezel screws (30). 2. Shoulder belt bezel (29) from tonneau panel (25). o Raise tonneau panel (25). 3. Retractor cover (27) by unsnapping it from the shoulder belt retractor (28). CAUTION: Failure to support the shoulder belt retractor while removing the anchor bolts will allow the shoulder belt retractor to fall, causing damage to the vehicle and possible personal injury. 4. Shoulder belt retractor anchor bolts (3). 5. Shoulder belt (26) with shoulder belt retractor (28) and shoulder belt bezel (29) attached.

[) (] Install or Connect NOTICE: See "Notice" on page 10-10-1 of this section. 1. Shoulder belt (26), with shoulder belt retractor (28) and shoulder belt bezel (29) attached, to the tonneau panel (25). 2. Shoulder belt retractor anchor bolts (3).

[ ] Tighten o Shoulder belt retractor anchor bolts (3) to 29 N-m (21 lb. ft.).

3. Retractor cover (27), by snapping to shoulder belt retractor (28). o Lower tonneau panel (25). 4. Shoulder belt bezel (29) to tonneau panel (25). 5. Bezel screws (30).

SPECIFICATIONS

FASTENER TORQUE SPECIFICATIONS Rear Lap Belt Anchor Bolt.............................. 42 N-m (31 lb. ft.) Front Lap Belt Retractor Anchor Bolt .................. 42 N-m (31 lb. ft.) "D" Ring Bolt ......................................... 42 N-m (31 lb. ft.) Front Shoulder Belt Retractor Anchor Bolt.............. 42 N-m (31 lb. ft.) Rear Shoulder Belt Retractor Anchor Bolt .............. 29 N-m (21 lb. ft.)


Object Number: 84296  Size: FS


Object Number: 87910  Size: MF


Object Number: 85283  Size: FS


Object Number: 85282  Size: FS


Object Number: 86426  Size: MF


Object Number: 94089  Size: MF


Object Number: 94088  Size: MF


Object Number: 85281  Size: FS


Object Number: 85926  Size: FS


Object Number: 85280  Size: FS


Object Number: 85279  Size: FS


Object Number: 93354  Size: MF


Object Number: 84295  Size: FS


Object Number: 92488  Size: MF


Object Number: 87177  Size: MF


Object Number: 94087  Size: MF


Object Number: 92487  Size: MF


Object Number: 85925  Size: LF


Object Number: 85924  Size: MF


Object Number: 84294  Size: FS


Object Number: 94619  Size: MF


Object Number: 93353  Size: MF


Object Number: 86425  Size: FS

General Motors bulletins are intended for use by professional technicians, not a "do-it-yourselfer". They are written to inform those technicians of conditions that may occur on some vehicles, or to provide information that could assist in the proper service of a vehicle. Properly trained technicians have the equipment, tools, safety instructions and know-how to do a job properly and safely. If a condition is described, do not assume that the bulletin applies to your vehicle, or that your vehicle will have that condition. See a General Motors dealer servicing your brand of General Motors vehicle for information on whether your vehicle may benefit from the information.