---------------------------------------------------------------------- SERVICE MANUAL UPDATE ----------------------------------------------------------------------
THIS BULLETIN CONTAINS REVISIONS TO SECTIONS 6E3 AND 8A. THE PAGES IN THIS BULLETIN ARE DIRECT REPLACEMENT PAGES FOR THE SERVICE MANUAL YEAR LISTED.
YEAR PAGE 1994 1995 ---- ---- ----
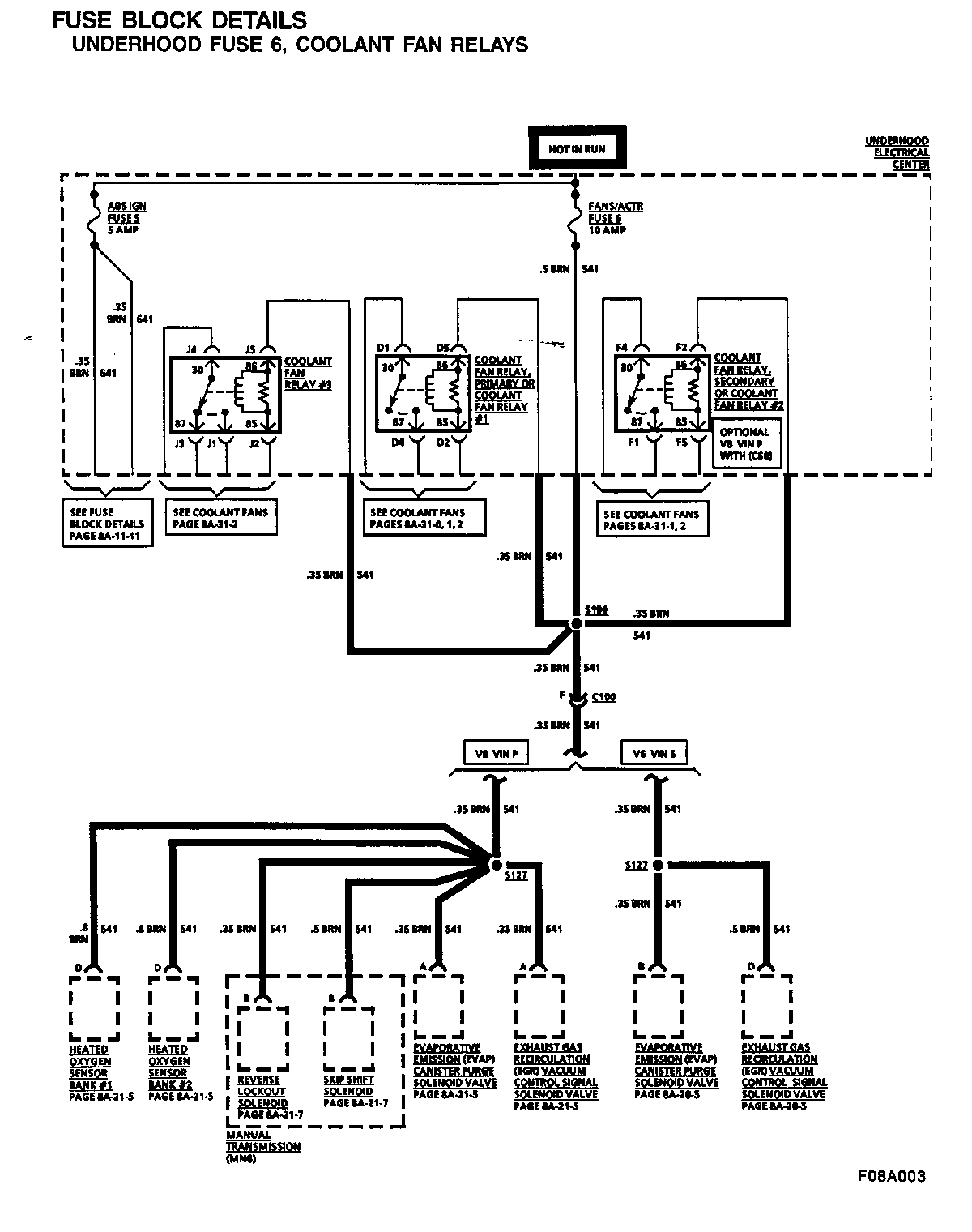
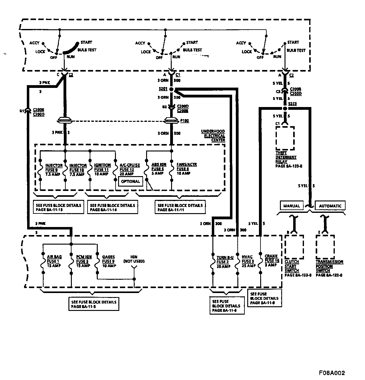
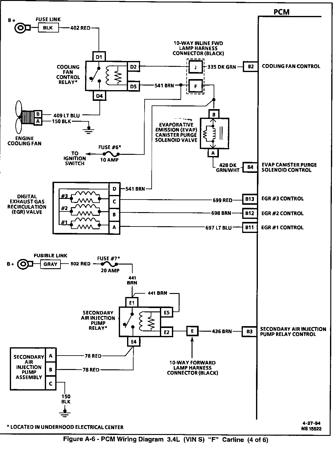
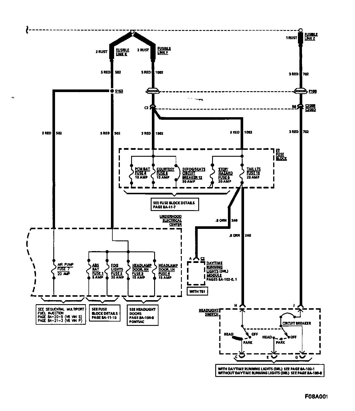
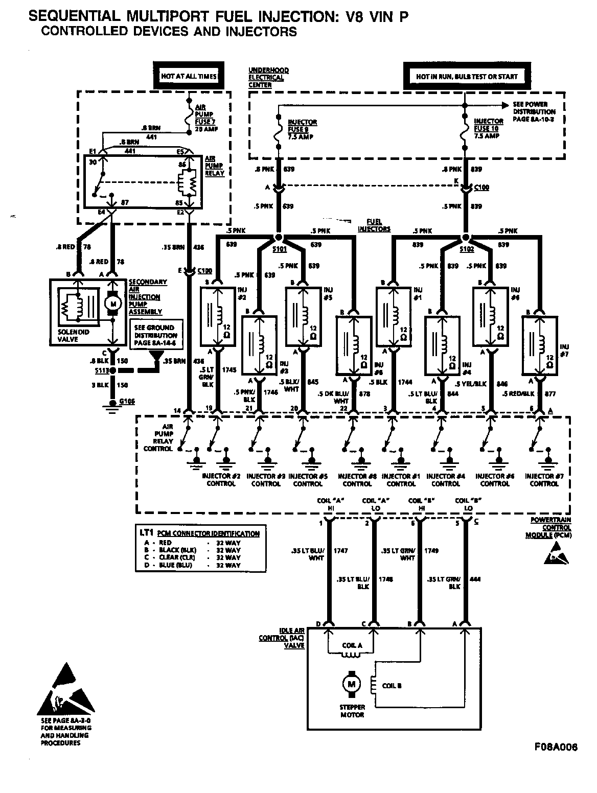
8A-10-1 YES NO 8A-10-3 YES NO 8A-11-3 YES NO 8A-11-11 YES NO 8A-11-12 YES NO 8A-20-5 YES NO 8A-21-3 YES NO 6E3-A-8 (L32) YES NO 6E3-C6-6 (L32) YES NO 6E3-C6-7 (L32) YES NO 6E3-A-7 (LT1) YES NO 6E3-A-68 (LT1) YES YES 6E3-A-69 (LT1) YES YES 6E3-C6-6 (LT1) YES YES 6E3-C6-7 (LT1) YES YES
FIGURES: 0 ATTACHMENTS: 15
GENERAL MOTORS BULLETINS ARE INTENDED FOR USE BY PROFESSIONAL TECHNICIANS, NOT A "DO-IT-YOURSELFER". THEY ARE WRITTEN TO INFORM THOSE TECHNICIANS OF CONDITIONS THAT MAY OCCUR ON SOME VEHICLES, OR TO PROVIDE INFORMATION THAT COULD ASSIST IN THE PROPER SERVICE OF A VEHICLE. PROPERLY TRAINED TECHNICIANS HAVE THE EQUIPMENT, TOOLS, SAFETY INSTRUCTIONS AND KNOW-HOW TO DO A JOB PROPERLY AND SAFELY. IF A CONDITION IS DESCRIBED, DO NOT ASSUME THAT THE BULLETIN APPLIES TO YOUR VEHICLE, OR THAT YOUR VEHICLE WILL HAVE THAT CONDITION. SEE A GENERAL MOTORS DEALER SERVICING YOUR BRAND OF GENERAL MOTORS VEHICLE FOR INFORMATION ON WHETHER YOUR VEHICLE MAY BENEFIT FROM THE INFORMATION.
COPYRIGHT 1994 GENERAL MOTORS CORPORATION. ALL RIGHTS RESERVED.