GM Service Manual Online
For 1990-2009 cars only

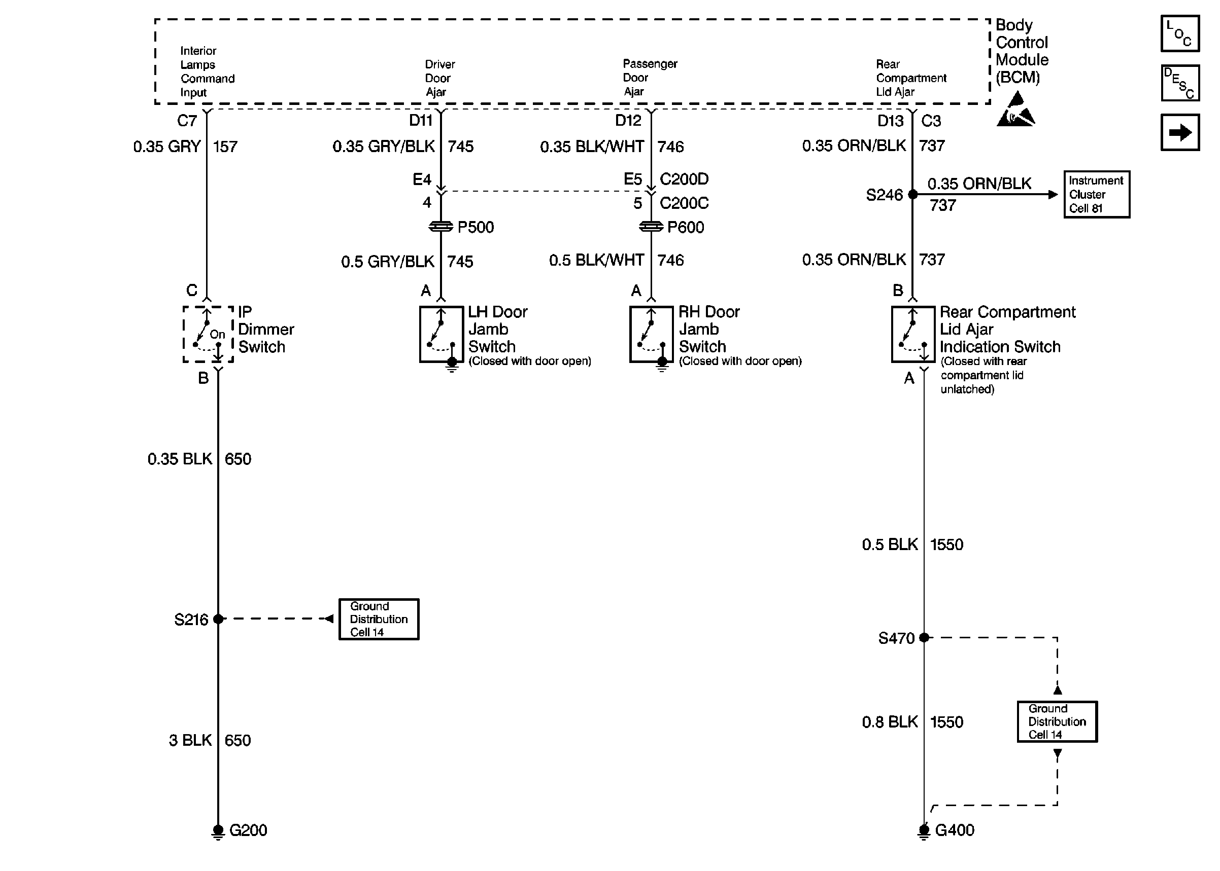
Interior Lights Schematics With Door Jamb Switches

Figure 1:

Cell 114: IP Dimmer Switch, Door Jamb Switches, Rear Compartment Lid Ajar Indication Switch


Object Number: 483561  Size: FS
Lighting Systems Components
Interior Lights Circuit Description
Cell 114: Rear Courtesy Lamps, Rear Compartment Lamp, Dome Lamp, IP Compartment Lamp
Handling ESD Sensitive Parts Notice
Ground Distribution Schematics
Instrument Cluster: Analog Schematics
Ground Distribution Schematics
Figure 2:

Cell 114: Rear Courtesy Lamps, Rear Compartment Lamp, Dome Lamp, IP Compartment Lamp


Object Number: 483559  Size: FS
Lighting Systems Components
Interior Lights Circuit Description
Cell 114: IP Dimmer Switch, Front Side Door Locks, Rear Compartment Lid Ajar Indication Switch
Handling ESD Sensitive Parts Notice
Ground Distribution Schematics

Interior Lights Schematics Without Door Jamb Switches

Figure 1:

Cell 114: IP Dimmer Switch, Front Side Door Locks, Rear Compartment Lid Ajar Idication Switch


Object Number: 480125  Size: FS
Lighting Systems Components
Interior Lights Circuit Description
Cell 114: Rear Courtesy Lamps, Rear Compartment Lamp, Dome Lamp, IP Compartment Lamp
Handling ESD Sensitive Parts Notice
Ground Distribution Schematics
Instrument Cluster: Analog Schematics
Ground Distribution Schematics
Figure 2:

Cell 114: Rear Courtesy Lamps, Rear Compartment Lamp, Dome Lamp, IP Compartment Lamp


Object Number: 480131  Size: FS
Lighting Systems Components
Interior Lights Circuit Description
Cell 114: IP Dimmer Switch, Front Side Door Locks, Rear Compartment Lid Ajar Indication Switch
Handling ESD Sensitive Parts Notice
Ground Distribution Schematics