GM Service Manual Online
For 1990-2009 cars only

Removal Procedure


    Object Number: 571445  Size: SH
  1. Remove the instrument panel (IP) carrier. Refer to Instrument Panel Carrier Replacement in Instrument Panel, Gauges and Console.
  2. Remove the front floor air duct. Refer to Floor Air Outlet Replacement .
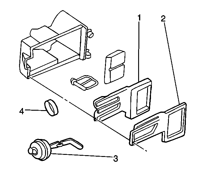
  3. Remove the air distributor case face (1) and seal (2).
  4. Disconnect the vacuum hose from the defroster valve actuator.
  5. Disconnect the defroster valve actuator linkage from the defroster actuator.
  6. Remove the defroster valve actuator (3).

Installation Procedure


    Object Number: 571445  Size: SH
  1. Install the defroster valve actuator (3).
  2. Connect the defroster valve actuator linkage to the defroster actuator.
  3. Connect the vacuum hose to the defroster valve actuator.
  4. Install the air distributor case face (1) and seal (2).
  5. Install the front floor air duct. Refer to Floor Air Outlet Replacement .
  6. Install the IP carrier. Refer to Instrument Panel Carrier Replacement in Instrument Panel, Gauges and Console.