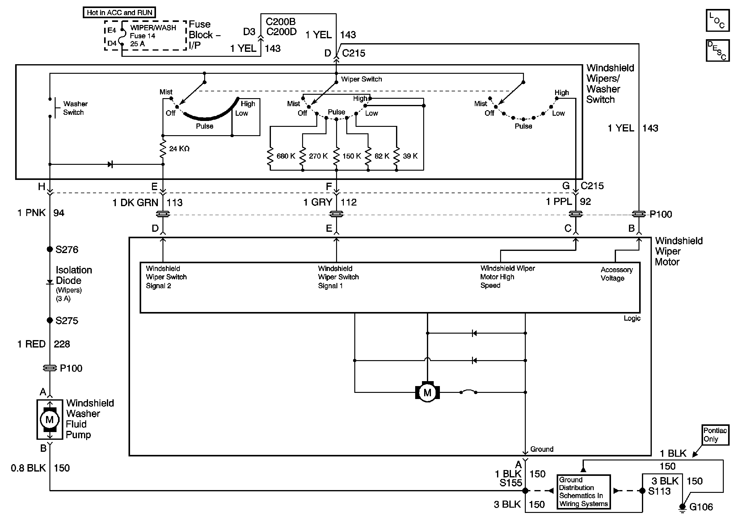
GM Service Manual Online
For 1990-2009 cars only
Makes
🢒
Chevrolet
🢒
2002
🢒
Camaro
🢒
Body and Accessories
🢒
Wipers/Washer Systems
🢒 Wiper/Washer Schematics
Master Electrical Component List
Wiper/Washer System Description and Operation
G106