GM Service Manual Online
For 1990-2009 cars only

INTERMITTENT ELECTRICAL CONDITIONS

SUBJECT: INTERMITTENT ELECTRICAL CONDITIONS (REPLACE STUD ASSEMBLY)

MODELS: 1994-95 CHEVROLET CAPRICE WITHOUT SEO OPTION 1994-95 BUICK ROADMASTER

CONDITION:

THE CUSTOMER MAY COMMENT ON ONE OR MORE INTERMITTENT ELECTRICAL CONDITIONS, SUCH AS FLICKERING INSTRUMENTS OR LIGHTS, OR ENGINE HESITATION OR STALLING.

CAUSE:

UNDER CERTAIN CONDITIONS, THE BATTERY CABLE CONNECTION AT THE UNDERHOOD ELECTRICAL CENTER STUD MAY OVERHEAT. THIS MAY CAUSE MELTING OF THE BATTERY CABLE PLASTIC COVER, THE PLASTIC STUD HOUSING, AND/OR THE STUD ITSELF, RESULTING IN INTERMITTENT LOSS OF VEHICLE POWER. THIS CONDITION IS MORE LIKELY TO OCCUR IF EXTRA ELECTRICAL LOADS HAVE BEEN ADDED TO THE VEHICLE.

CORRECTION:

1. DISCONNECT NEGATIVE BATTERY CABLE FROM BATTERY.

2. REMOVE "AUX BATT POS" COVER FROM ELECTRICAL CENTER STUD. THE ELECTRICAL CENTER AND STUD ARE LOCATED ON THE TOP OF THE RIGHT HAND WHEELHOUSE, JUST AHEAD OF THE FRONT OF DASH. SEE FIGURE 1.

3. REMOVE THE STUD NUT (NOT TO BE REINSTALLED) AND THE POSITIVE BATTERY CABLE FROM THE STUD (FIGURE 1).

4. REMOVE THE TWO NUTS HOLDING THE ELECTRICAL CENTER TO THE WHEELHOUSE.

5. REMOVE THE TOP COVER FROM THE ELECTRICAL CENTER.

6. REMOVE THE ELECTRICAL CENTER FROM THE PLASTIC BRACKET. USE A SMALL SCREWDRIVER TO RELEASE THE RETAINING TABS (FIGURE 2).

7. REMOVE THE SMALL SHORTING PREVENTION COVER FROM THE LOWER PORTION OF THE STUD ASSEMBLY (FIGURE 3).

8. REMOVE THE BOLT SECURING THE RING TERMINALS TO THE BOTTOM PORTION OF THE STUD (FIGURE 2).

9. REMOVE THE 4 LARGE MAXI-FUSES.

10. REMOVE THE TERMINAL POSITION ASSURANCE (TPA) CLOSEST TO THE STUD (FIGURE 4).

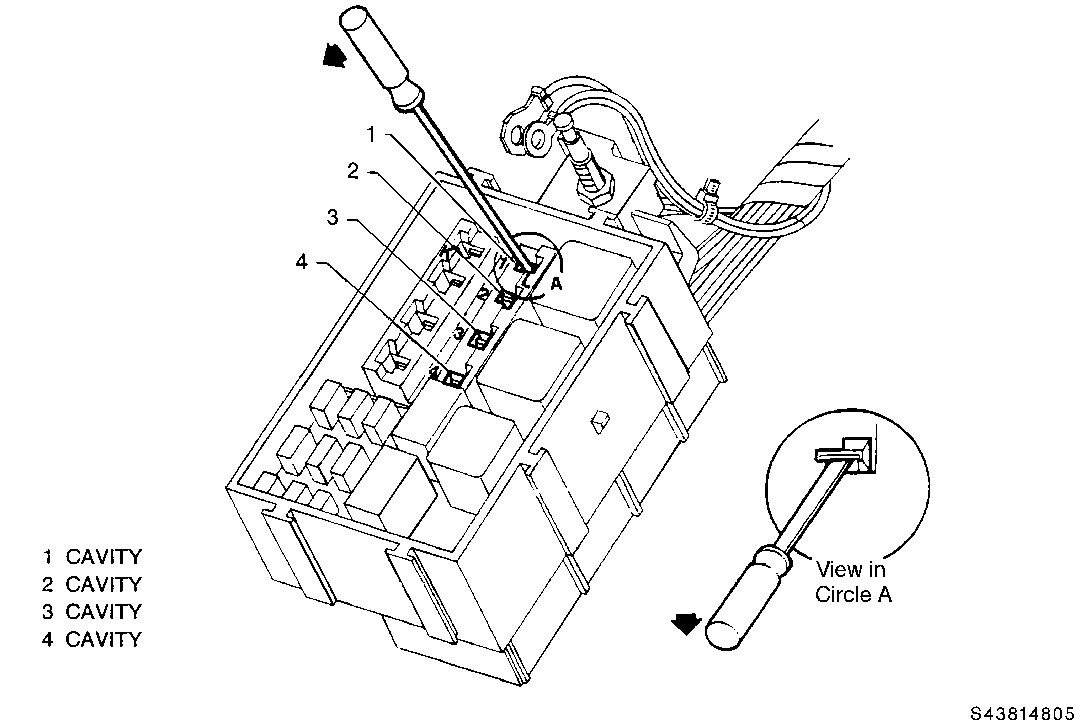
11. USE A SMALL FLAT BLADE SCREWDRIVER TO RELEASE THE FOUR TERMINALS SECURING THE TWO BUSBARS IN THE ELECTRICAL CENTER (FIGURE 5). PULL THE BUSBARS OUT THE BOTTOM.

12. RELEASE THE RETAINING TAB, THEN SLIDE THE STUD ASSEMBLY FROM THE ELECTRICAL CENTER (FIGURE 6).

13. INSTALL A NEW STUD ASSEMBLY, P/N 12161130, TO THE ELECTRICAL CENTER.

14. REINSTALL THE BUSBARS. MAKE CERTAIN THAT THE BUSBARS ARE NOT DAMAGED, AND CLICK THEM FIRMLY INTO PLACE. IF THE BUSBARS ARE DAMAGED, REPLACEMENT PARTS ARE AVAILABLE, P/N'S 12129481 AND 12146182.

15. REINSTALL THE TPA.

16. REINSTALL THE MAXI-FUSES. REFER TO THE INSIDE OF THE COVER FOR CORRECT POSITIONS.

17. ROUTE WIRES HORIZONTALLY TOWARD FRONT OF DASH (AT A 45 DEGREE ANGLE AWAY FROM THE ELECTRICAL CENTER). SECURE RING TERMINALS TO THE LOWER STUD ASSEMBLY. TORQUE NUT TO 8 N.M (70 LB.IN).

18. REINSTALL THE SHORTING PREVENTION COVER OVER THE BOTTOM OF THE STUD ASSEMBLY.

19. REASSEMBLE THE ELECTRICAL CENTER INTO THE PLASTIC BRACKET.

20. REINSTALL THE TOP COVER.

21. REINSTALL THE BRACKET TO THE FENDER SKIRT. TIGHTEN THE NUTS TO 6.0 N.M (50 FT.IN.).

22. RECONNECT THE POSITIVE BATTERY CABLE TO THE STUD, USING A NEW NUT, P/N 11516161. TORQUE TO 14 N.M (10 LB.FT.).

23. REINSTALL THE "AUX BATT POS" COVER TO THE STUD. IF THE CAP WAS DAMAGED, THE REPLACEMENT PART NUMBER IS 12146183.

24. RECONNECT THE NEGATIVE BATTERY CABLE.

PARTS LIST

12161130 STUD ASSEMBLY 11516161 NUT, STUD ASSEMBLY 12146183 COVER, ELECTRICAL CENTER STUD 12129481 BUSBAR, CAVITY L1 AND L3 12146182 BUSBAR, CAVITY L2 AND L4

NOTE: THE COVER AND BUSBARS WILL BE REPLACED AS NEEDED, AND WILL PROBABLY NOT BE REQUIRED IN MOST VEHICLES.

PART AVAILABILITY:

PARTS ARE CURRENTLY AVAILABLE FROM GMSPO.

WARRANTY INFORMATION:

FOR VEHICLES REPAIRED UNDER WARRANTY, USE: LABOR OPERATION: N6270 LABOR TIME: 0.5 HR.

FIGURES: 6


Object Number: 84880  Size: FS


Object Number: 83996  Size: FS


Object Number: 84879  Size: FS


Object Number: 83995  Size: FS


Object Number: 83702  Size: FS


Object Number: 84878  Size: FS

GENERAL MOTORS BULLETINS ARE INTENDED FOR USE BY PROFESSIONAL TECHNICIANS, NOT A "DO-IT-YOURSELFER". THEY ARE WRITTEN TO INFORM THOSE TECHNICIANS OF CONDITIONS THAT MAY OCCUR ON SOME VEHICLES, OR TO PROVIDE INFORMATION THAT COULD ASSIST IN THE PROPER SERVICE OF A VEHICLE. PROPERLY TRAINED TECHNICIANS HAVE THE EQUIPMENT, TOOLS, SAFETY INSTRUCTIONS AND KNOW-HOW TO DO A JOB PROPERLY AND SAFELY. IF A CONDITION IS DESCRIBED, DO NOT ASSUME THAT THE BULLETIN APPLIES TO YOUR VEHICLE, OR THAT YOUR VEHICLE WILL HAVE THAT CONDITION. SEE A GENERAL MOTORS DEALER SERVICING YOUR BRAND OF GENERAL MOTORS VEHICLE FOR INFORMATION ON WHETHER YOUR VEHICLE MAY BENEFIT FROM THE INFORMATION.

COPYRIGHT 1994 GENERAL MOTORS CORPORATION. ALL RIGHTS RESERVED.