GM Service Manual Online
For 1990-2009 cars only
Makes
🢒
Chevrolet
🢒
1996
🢒
Caprice
🢒
Engine
🢒
Engine Cooling
🢒 Coolant Fans Schematics
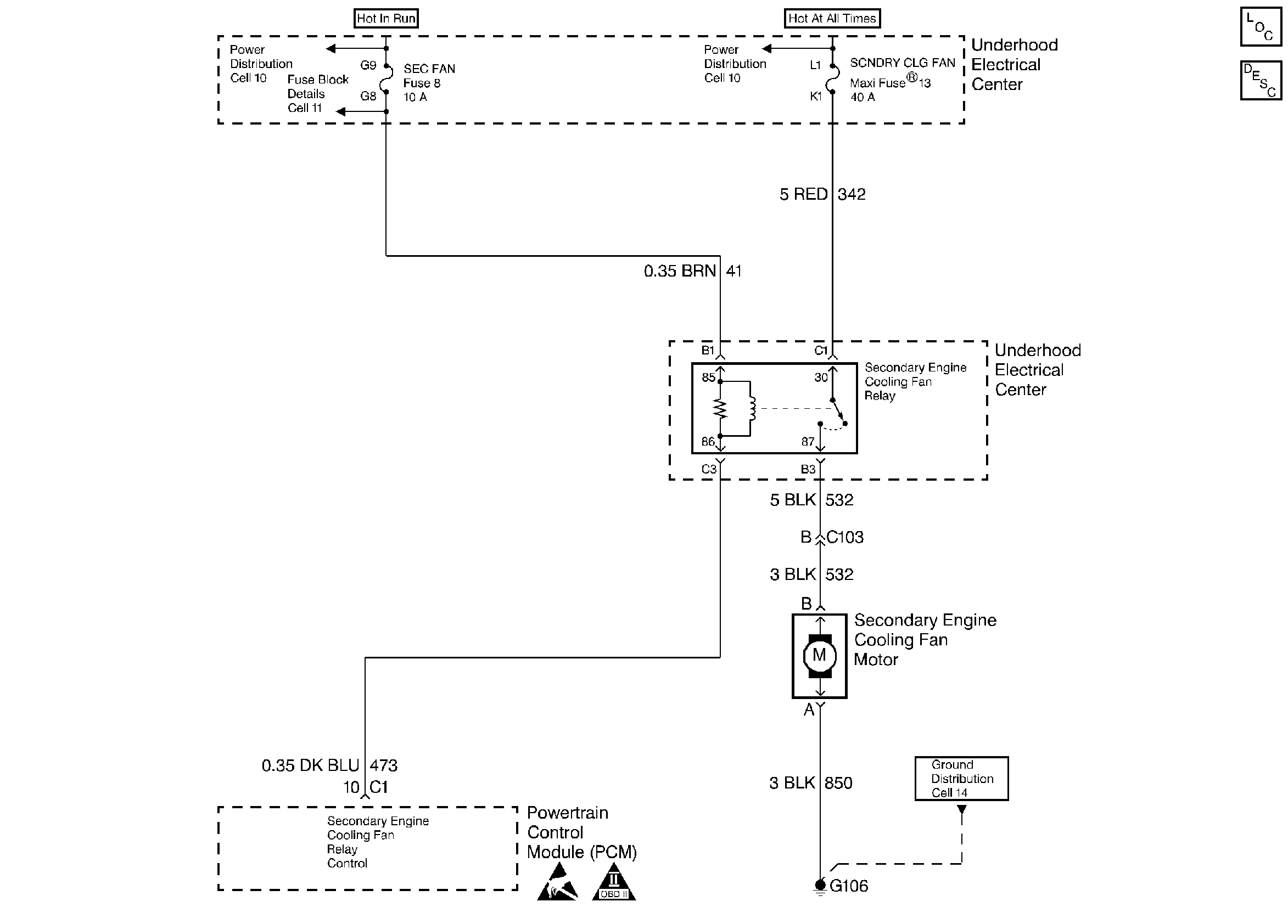
Figure
1:
Base and V03
Handling Electrostatic Discharge Sensitive Parts Notice
Cooling System Components
Electric Engine Cooling Fan Assembly
OBD II Symbol Description Notice
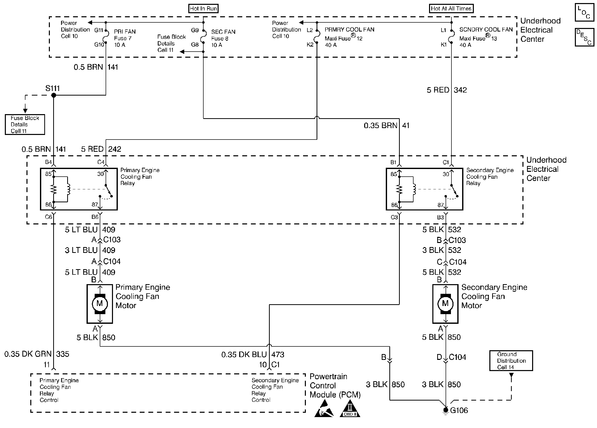
Figure
2:
V08
Handling Electrostatic Discharge Sensitive Parts Notice
Cooling System Components
Electric Engine Cooling Fan Assembly
OBD II Symbol Description Notice