GM Service Manual Online
For 1990-2009 cars only

Removal Procedure

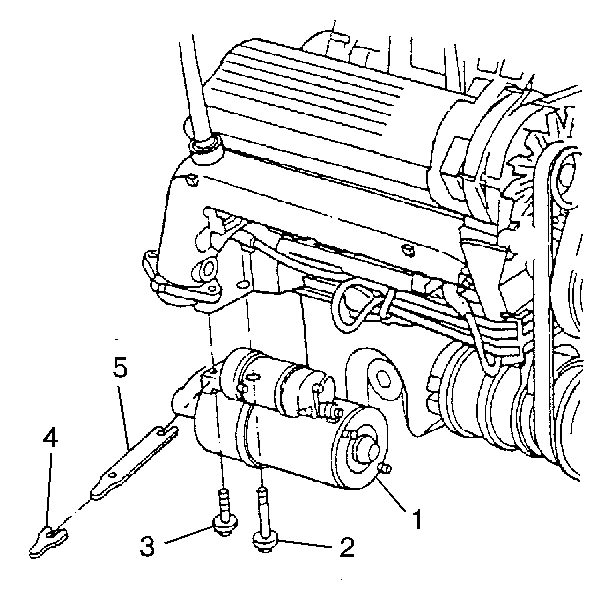
    Important: This vehicle was designed for starter mounting without shims. However if single shims (4) or double shims (5) have been added to correct a noise or engagement condition, they should be reinstalled in their original location to ensure proper pinion-to-flywheel engagement.

  1. Disconnect the negative battery cable. Refet to

    Caution: Unless directed otherwise, the ignition and start switch must be in the OFF or LOCK position, and all electrical loads must be OFF before servicing any electrical component. Disconnect the negative battery cable to prevent an electrical spark should a tool or equipment come in contact with an exposed electrical terminal. Failure to follow these precautions may result in personal injury and/or damage to the vehicle or its components.

    in General Information.
  2. Raise and suitably support the vehicle. Refer to Lifting and Jacking in General Information.

  3. Object Number: 106004  Size: SH
  4. Remove the two starter mounting bolts/screws (2 and 3) and lower starter motor (1).
  5. Disconnect the electrical leads from the starter motor (1).
  6. Note the position of the wires before disconnecting.

  7. Remove the starter motor (1).

Installation Procedure

    Notice: Before attaching electrical leads, tighten the inner nuts on the solenoid terminals. If the nuts are not tight, the solenoid cap may be damaged during installation of the leads. Tighten the inner nut of BAT terminal to 9 N·m (80 lb in) on PG-250. This does not apply to the PG-260 starter motor.


    Object Number: 106004  Size: SH
  1. Connect the electrical leads to the starter motor (1).
  2. Tighten

        • Tighten the starter solenoid switch BAT terminal outer nut to 9 N·m (80 lb in) on SD-260, PG-250, or PG-260 starter motors.
        • Tighten the starter solenoid switch S terminal nut to 2.5 N·m (22 lb in).

    Notice: Use the correct fastener in the correct location. Replacement fasteners must be the correct part number for that application. Fasteners requiring replacement or fasteners requiring the use of thread locking compound or sealant are identified in the service procedure. Do not use paints, lubricants, or corrosion inhibitors on fasteners or fastener joint surfaces unless specified. These coatings affect fastener torque and joint clamping force and may damage the fastener. Use the correct tightening sequence and specifications when installing fasteners in order to avoid damage to parts and systems.

  3. Install the starter motor (1) to the engine.
  4. Install the bolts/screws (2 and 3) and shims (4 or 5), if removed.
  5. Tighten
    Tighten the botls/screws (2 and 3) to 47 N·m (35 lb ft).

  6. Connect the negative battery cable.
  7. Tighten
    Tighten the cable to 15 N·m (11 lb ft).