GM Service Manual Online
For 1990-2009 cars only
Figure 1:

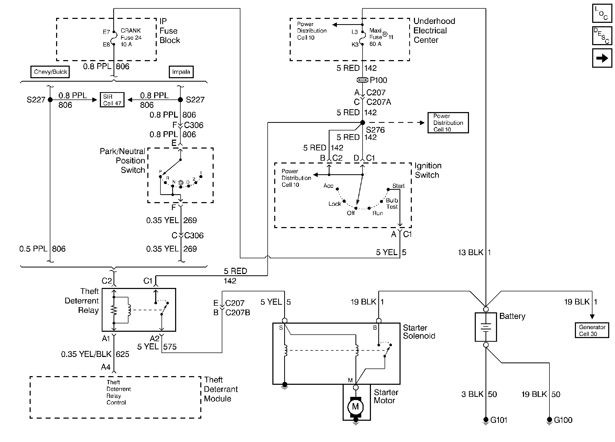
Starting System - Non SEO


Object Number: 26643  Size: FS
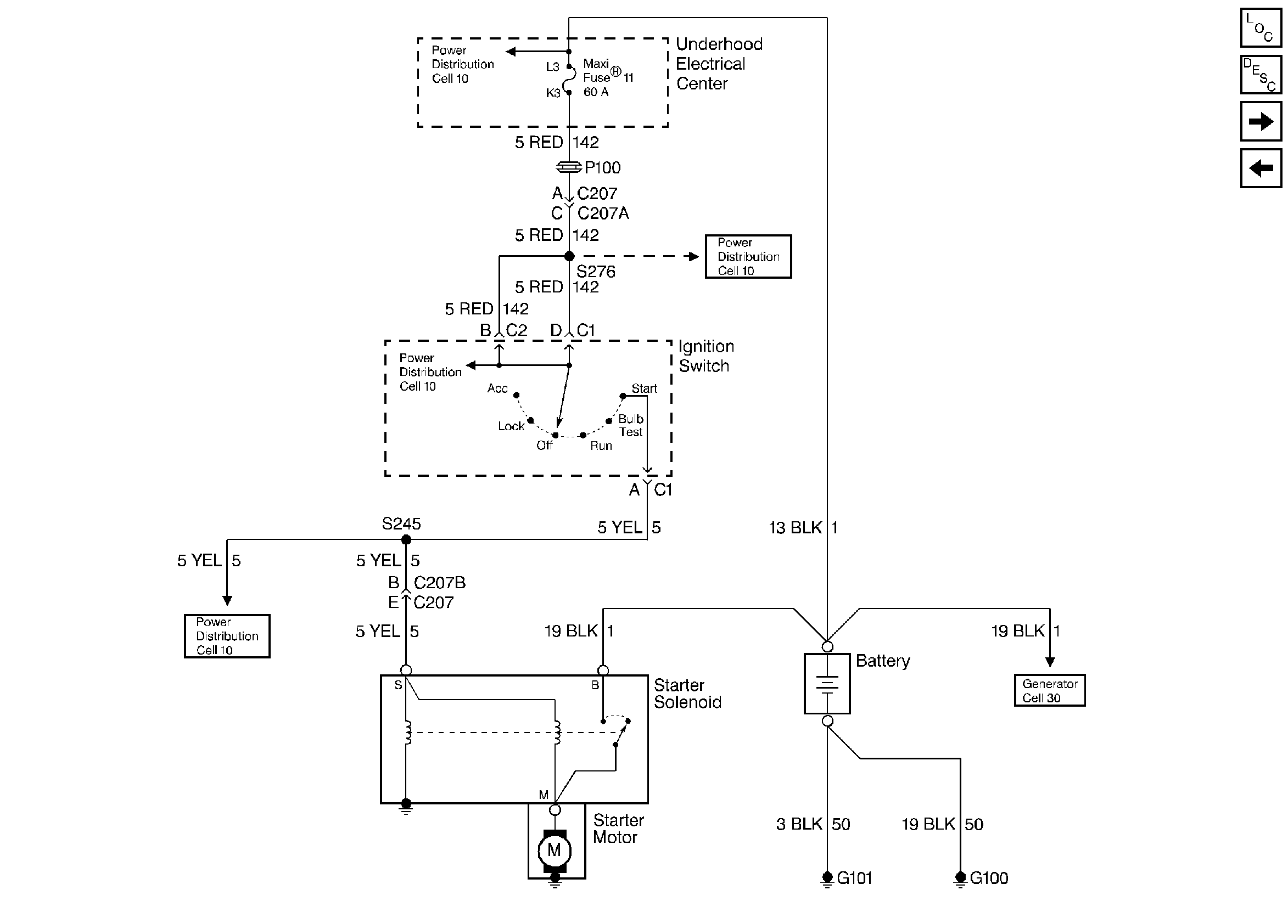
Starting System - SEO
Figure 2:

Starting System - SEO


Object Number: 26646  Size: FS
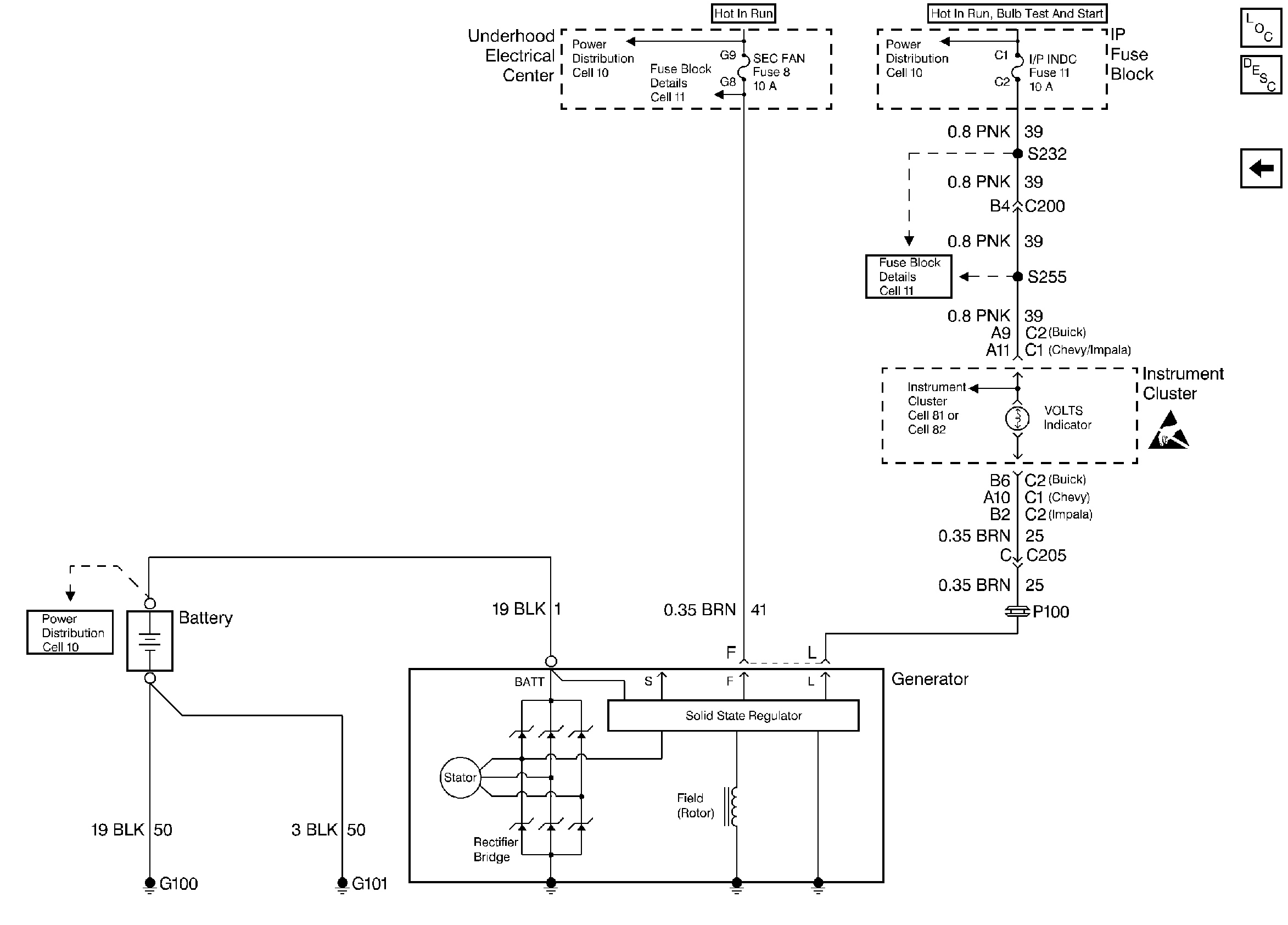
Charging System
Starting System - Non SEO
Figure 3:

Charging System


Object Number: 26644  Size: FS
Starting System - SEO