GM Service Manual Online
For 1990-2009 cars only
Makes
🢒
Chevrolet
🢒
1996
🢒
Caprice
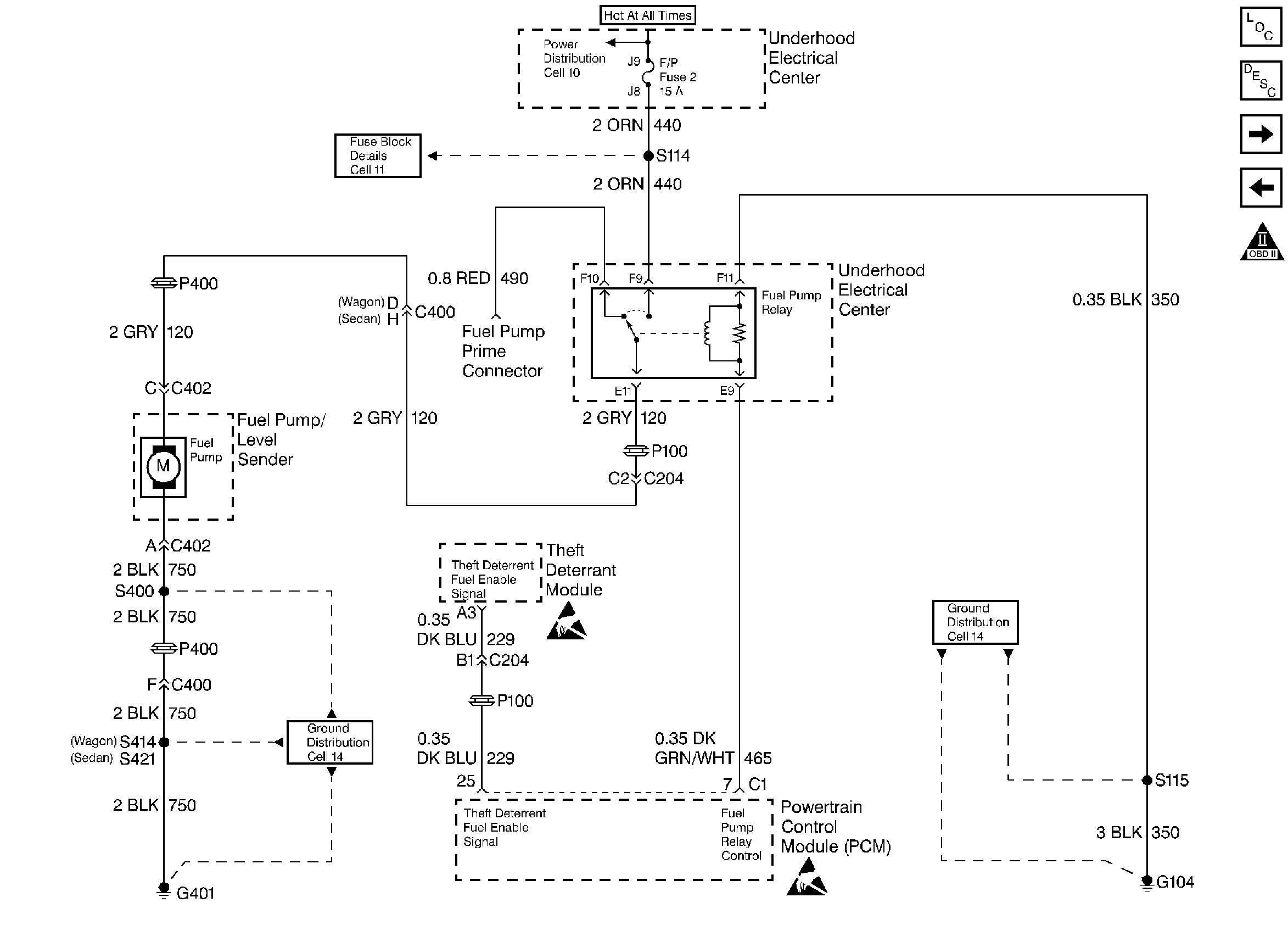
🢒 Fuel Pump
Fuel Pump
Fuel Pump
Engine Controls Components
Powertrain Control Module (PCM)
Injectors
Ignition System
OBD II Symbol Description Notice
Handling ESD Sensitive Parts Notice
Handling ESD Sensitive Parts Notice