GM Service Manual Online
For 1990-2009 cars only
Makes
🢒
Chevrolet
🢒
1996
🢒
Caprice
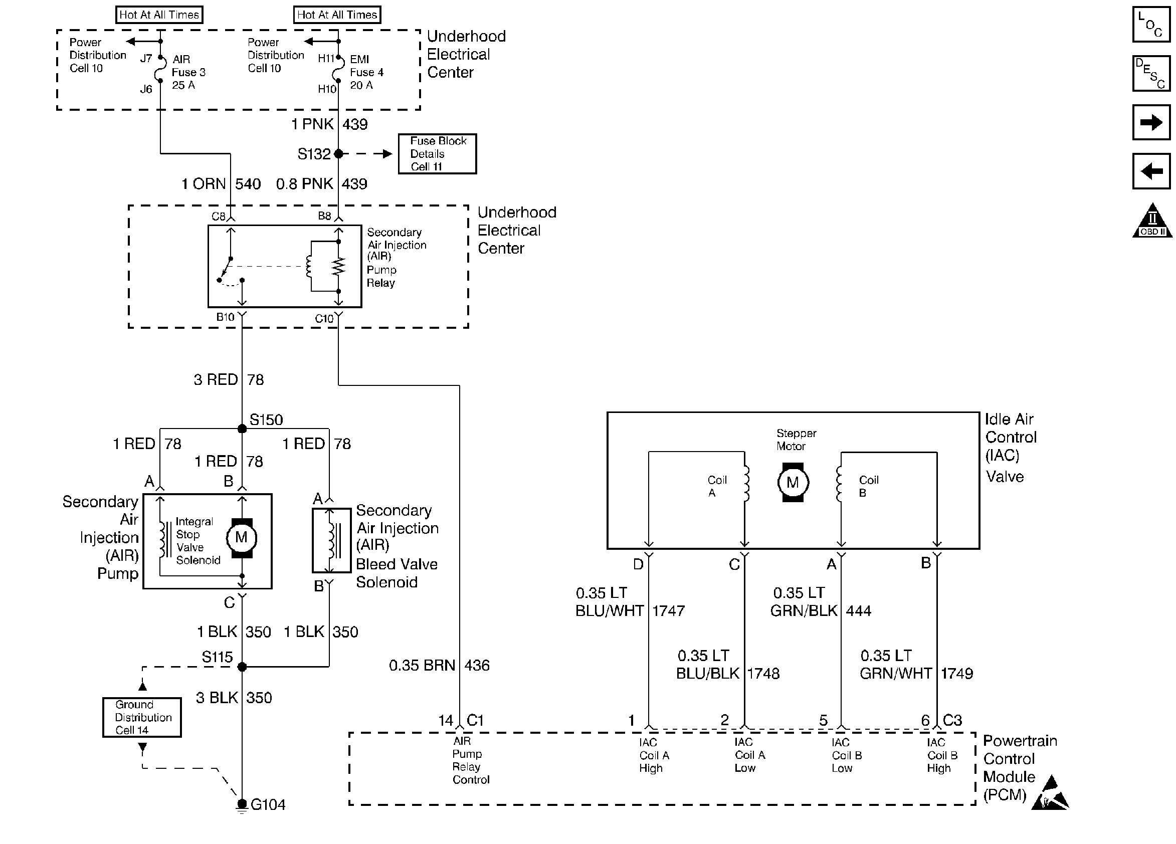
🢒 AIR and IAC
AIR and IAC
AIR and IAC
Engine Controls Components
Powertrain Control Module (PCM)
Change/Low Oil, PSP and PNP
MAF, EVAP and EGR
OBD II Symbol Description Notice
Handling ESD Sensitive Parts Notice