GM Service Manual Online
For 1990-2009 cars only
Makes
🢒
Chevrolet
🢒
1996
🢒
Caprice
🢒 Transmission Controls
Transmission Controls
Transmission Controls
Engine Controls Components
Powertrain Control Module (PCM)
A/C Controls - C60
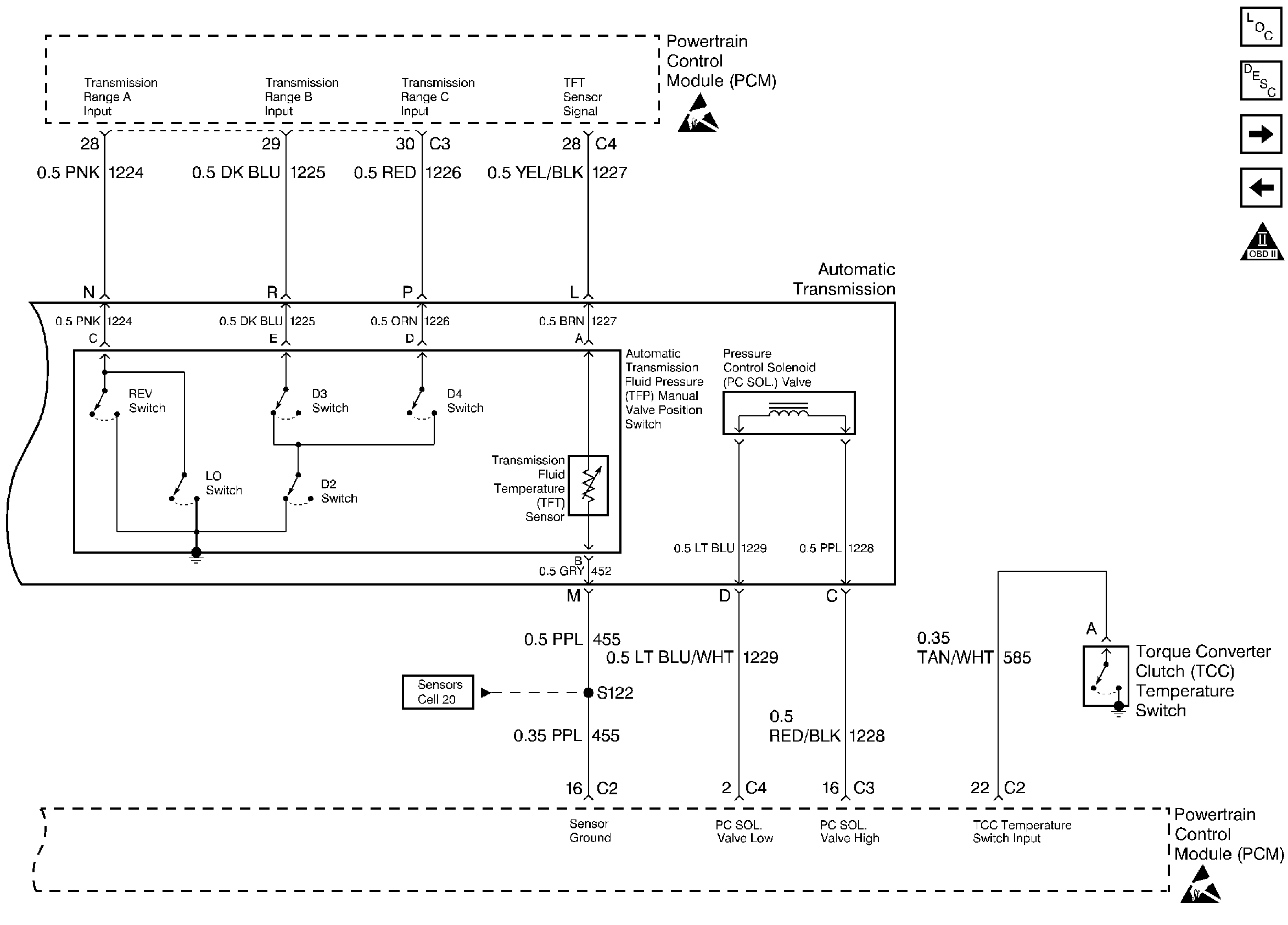
Transmission Controls
OBD II Symbol Description Notice
Handling ESD Sensitive Parts Notice
Handling ESD Sensitive Parts Notice