GM Service Manual Online
For 1990-2009 cars only
Makes
🢒
Chevrolet
🢒
1996
🢒
Caprice
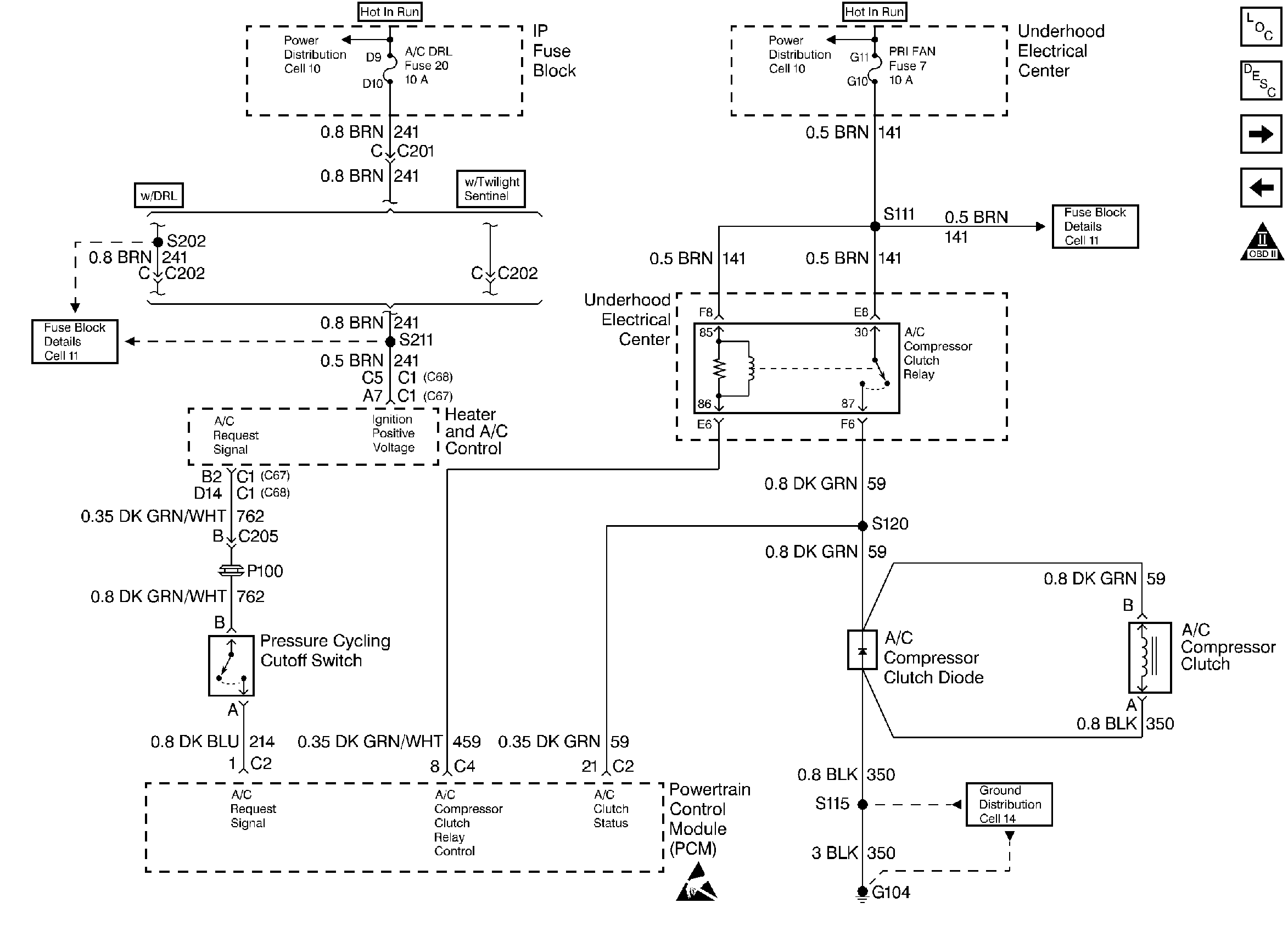
🢒 A/C Controls - C67 and C68
A/C Controls - C67 and C68
A/C Controls - C67 and C68
Engine Controls Components
Powertrain Control Module (PCM)
Engine Cooling Fan Control - w/o VO8
A/C Controls - C60
OBD II Symbol Description Notice
Handling ESD Sensitive Parts Notice