GM Service Manual Online
For 1990-2009 cars only

Object Number: 30389  Size: LF
Engine Controls Components
Ignition System
OBD II Symbol Description Notice
Handling ESD Sensitive Parts Notice

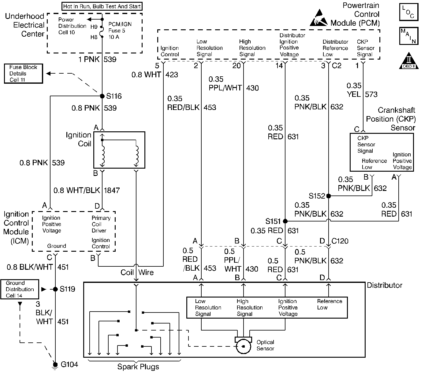
Circuit Description

The distributor ignition system provides two timing inputs to the PCM, a high resolution signal (180 pulses per crankshaft revolution) and a low resolution signal (4 pulses per crankshaft revolution). One of the PCMs uses for these signals is to calculate spark timing. This timing signal is sent to the ignition coil module on the IC circuit. Each pulse on the IC circuit triggers the coil module to fire the ignition coil. The secondary ignition voltage then travels through the distributor to the spark plug. The IC signal voltage ranges from about 0.5 volt to 4.5 volts.

Conditions for Setting the DTC

The PCM detects voltage on the IC circuit in excess of 4.6 volts during cranking.

Action Taken When the DTC Sets

    • The PCM will illuminate the Malfunction Indicator Lamp (MIL) when the diagnostic runs and fails.
    • The PCM will record operating conditions at the time the diagnostic fails. This information will be stored in the Freeze Frame and/or Failure Records.
    • The injector will be disabled for the entire ignition cycle.

Conditions for Clearing the MIL/DTC

    • The PCM will turn the MIL OFF after three consecutive drive trips that the diagnostic runs and does not fail.
    • A last test failed (Current DTC) will clear when the diagnostic runs and does not fail.
    • A History DTC will clear after forty consecutive warm-up cycles, if no failures are reported by this or any other emission related diagnostic.
    • PCM battery voltage is interrupted.
    • Using a Scan tool.

Diagnostic Aids

Using Freeze Frame and/or Failure Records data may aid in locating an intermittent condition. If the DTC cannot be duplicated, the information included in the Freeze Frame and/or Failure Records data can be useful in determining how many miles since the DTC set. The Fail Counter and Pass Counter can also be used to determine how many ignition cycles the diagnostic reported a pass and/or a fail. Operate vehicle within the same freeze frame conditions (RPM, load, vehicle speed, temperature etc.) that were noted. This will isolate when the DTC failed. For intermittents, refer to Symptoms .

Test Description

Number(s) below refer to step numbers on the diagnostic table.

  1. The voltage fluctuates. This feature on the DVM will capture the minimum and maximum voltage of the signal.

Step

Action

Value(s)

Yes

No

1

Was the Powertrain On-Board Diagnostic (OBD) System Check performed?

--

Go to Step 2

Go to Powertrain On Board Diagnostic (OBD) System Check

2

Attempt to start the engine.

Does the engine start?

--

Go to Diagnostic Aids

Go to Step 3

3

  1. Turn the ignition OFF.
  2. Disconnect the Ignition Coil Module harness connector.
  3. Using a DVM (J 39200) on DC scale, 40 volt range and Peak Min/Max, measure the voltage between the Ignition Coil Module harness connector terminal B and ground during cranking.

Is the voltage within the range shown?

1.0-4.0 V

Go to Step 4

Go to Step 5

4

  1. Turn the ignition ON, engine OFF.
  2. With a test light (J 34142-B) connected to B+, probe Ignition Coil Module harness connector terminal C.

Is the test light ON?

--

Go to Step 7

Go to Step 6

5

Repair the IC circuit.

Is the action complete?

--

Go to Step 8

--

6

Repair the open Ignition Coil Module ground circuit.

Is the action complete?

--

Go to Step 8

--

7

Replace the faulty Ignition Coil Module.

Is the action complete?

--

Go to Step 8

--

8

  1. Using the scan tool, select DTC, Clear Info.
  2. Start the engine and idle at normal operating temperature.
  3. Select DTC, Specific, then enter the DTC number which was set.
  4. Operate the vehicle within the conditions for setting this DTC as specified in the supporting text, if applicable.

Does the scan tool indicate that this test ran and passed?

--

Go to Step 9

Go to Step 2

9

Using the scan tool, select Capture Info, Review Info.

Are any DTCs displayed that have not been diagnosed?

--

Go to the applicable DTC table

System OK