GM Service Manual Online
For 1990-2009 cars only

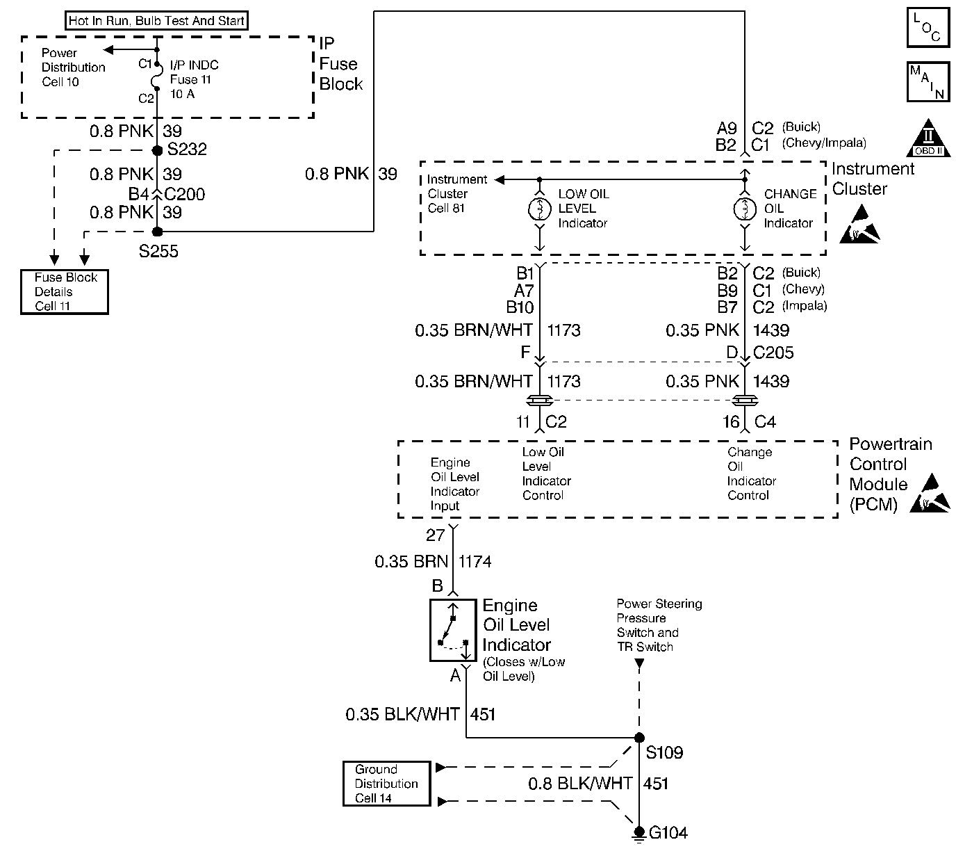
Object Number: 30428  Size: LF
Engine Controls Components
Change/Low Oil, PSP and PNP
OBD II Symbol Description Notice
Handling ESD Sensitive Parts Notice
Handling ESD Sensitive Parts Notice

Circuit Description

Ignition voltage is supplied directly to the Oil Level Lamp. The PCM controls the lamp by grounding the control circuit via an internal switch called a driver. The primary function of the driver is to supply the ground for the component being controlled. Each driver has a fault line which is monitored by the PCM. When the PCM is commanding a component ON, the voltage of the control circuit should be low (near 0 volts). When the PCM is commanding the control circuit to a component OFF, the voltage potential of the circuit should be high (near battery voltage). If the fault detection circuit senses a voltage other than what is expected, the fault line status will change causing the DTC to set.

Conditions for Setting the DTC

    • Engine speed greater than 600 RPM.
    • The PCM detects that the commanded state of the driver and the actual state of the control circuit do not match.
    • Condition must be present for a minimum of 5 seconds.

Action Taken When the DTC Sets

    • DTC P1653 will be stored in the PCM memory when the diagnostic runs and fails.
    • The Malfunction Indicator Lamp (MIL) will not illuminate.
    • The PCM will record operating conditions at the time the diagnostic fails. This information will be stored in Failure Records.

Conditions for Clearing the MIL/DTC

    • If no failures are reported by this or any other non-emission related diagnostic.
    • A last test failed (Current DTC) will clear when the diagnostic runs and does not fail.
    • PCM battery voltage is interrupted.
    • Using a Scan tool.

Diagnostic Aids

Using Freeze Frame and/or Failure Records data may aid in locating an intermittent condition. If the DTC cannot be duplicated, the information included in the Freeze Frame and/or Failure Records data can be useful in determining how many miles since the DTC set. The Fail Counter and Pass Counter can also be used to determine how many ignition cycles the diagnostic reported a pass and/or a fail. Operate vehicle within the same freeze frame conditions (RPM, load, vehicle speed, temperature etc.) that were noted. This will isolate when the DTC failed.

Test Description

Number(s) below refer to step numbers on the diagnostic table.

  1. Be sure that both the ON and the OFF states are commanded. Repeat the commands as necessary.

  2. If no trouble is found in the control circuit or the connection at the PCM, the PCM may be faulty, however, this is an extremely unlikely failure.

Step

Action

Value(s)

Yes

No

1

Was the Powertrain On-Board Diagnostic (OBD) System Check performed?

--

Go to Step 2

Go to Powertrain On Board Diagnostic (OBD) System Check

2

  1. Turn the ignition ON, engine OFF.
  2. Using a Scan tool, command the lamp ON and OFF.

Does the lamp turn ON and OFF with each command?

--

Go to Diagnostic Aids

Go to Step 3

3

  1. Turn the ignition OFF.
  2. Disconnect the PCM connector containing the lamp control circuit.
  3. Turn the ignition ON.

Is the lamp OFF?

--

Go to Step 4

Go to Step 5

4

With a fused jumper wire connected to ground, probe the lamp control circuit in the PCM harness connector.

Is the lamp ON?

--

Go to Step 6

Go to Step 7

5

Repair the lamp control circuit for a short to ground.

Is the repair complete?

--

Go to Step 9

--

6

Check the connections at the PCM.

Was a problem found and corrected?

--

Go to Step 9

Go to Step 8

7

Check for the following conditions:

    • Faulty bulb (refer to Section 8A ).
    • Open ignition feed to the bulb (refer to Section 8A ).
    • Control circuit open or shorted to B+.

Is the repair complete?

--

Go to Step 9

--

8

Important:  Replacement PCM must be programmed. Refer to Powertrain Control Module Replacement/Programming

Replace the PCM.

Is the action complete?

--

Go to Step 9

--

9

  1. Using the scan tool, select DTC, Clear Info.
  2. Start engine and idle at normal operating temperature.
  3. Select DTC, Specific, then enter the DTC number which was set.
  4. Operate vehicle within the conditions for setting this DTC as specified in the supporting text, if applicable.

Does the scan tool indicate that this test ran and passed?

--

Go to Step 10

Go to Step 2

10

Using the scan tool, select Capture Info, Review Info.

Are any DTCs displayed that have not been diagnosed?

--

Go to the applicable DTC table

System OK