GM Service Manual Online
For 1990-2009 cars only

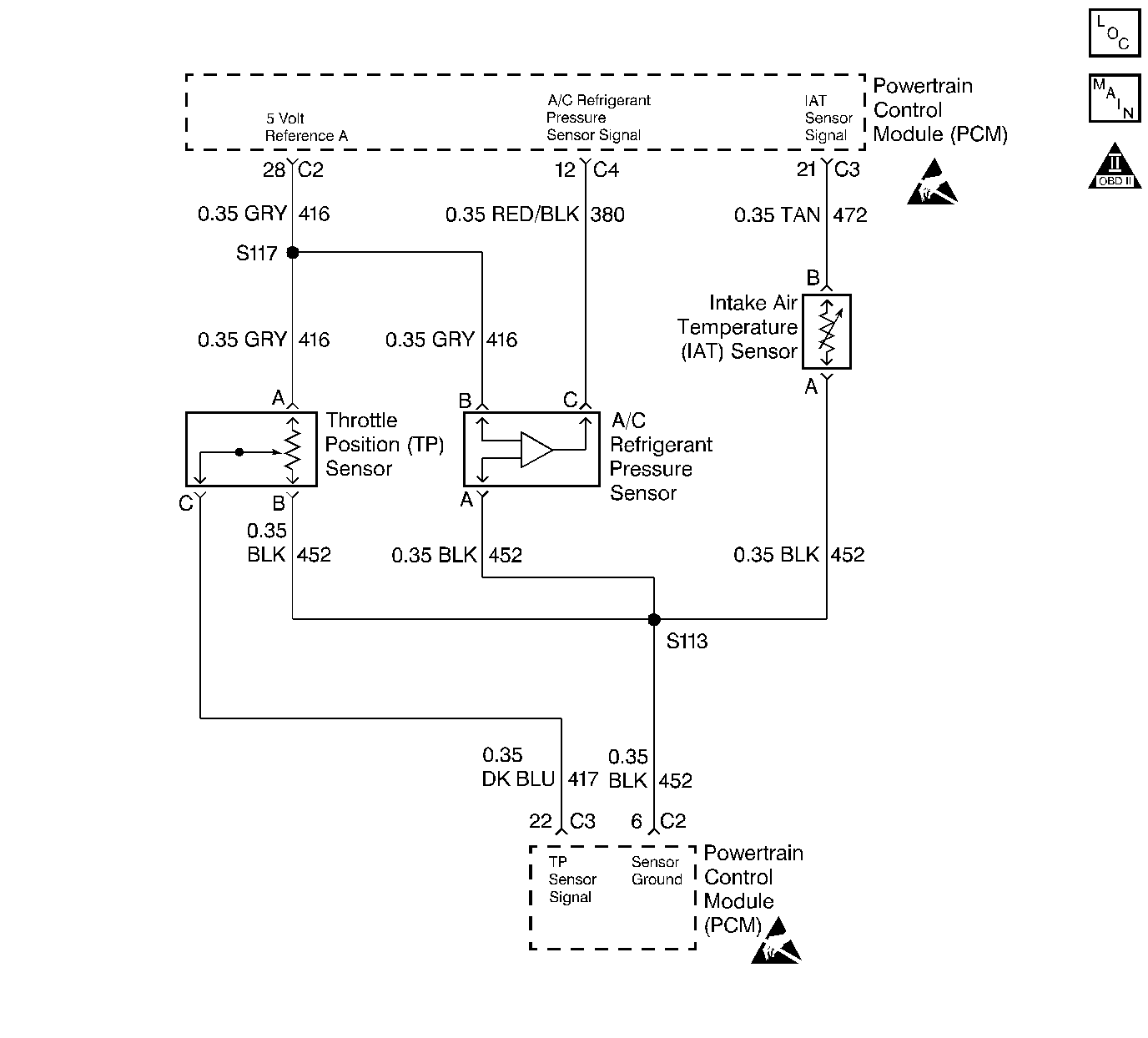
Object Number: 30393  Size: LF
Engine Controls Components
Engine Data Sensors
OBD II Symbol Description Notice
Handling ESD Sensitive Parts Notice
Handling ESD Sensitive Parts Notice

Circuit Description

The Throttle Position (TP) sensor is a potentiometer. The TP sensor is mounted to the right side of the throttle body. The TP sensor provides a voltage signal that changes relative to throttle blade angle. This signal voltage is one of the most important inputs used by the PCM. The TP sensor has a 5.0 volt reference, a ground and a signal circuit.

TP sensor Signal voltage should be about 0.6 volt at idle. The TP sensor voltage should increase to above 4.0 volts at wide open throttle (WOT).

This diagnostic compares actual throttle position from the TP sensor to a predicted throttle position value. The predicted throttle position is calculated from engine speed and other inputs. If the PCM detects the predicted throttle position is below the actual TP sensor value, this DTC will set.

Conditions for Setting the DTC

    • No MAP sensor DTCs set and no other TP sensor DTCs set.
    • MAP less than 60 kPa.
    • TP steady.
    • Predicted throttle angle is less than actual throttle angle.
    • All conditions present for 38 seconds.

Action Taken When the DTC Sets

    • The PCM will illuminate the Malfunction Indicator Lamp (MIL) on the second consecutive drive trip that the diagnostic runs and fails.
    • The PCM will record operating conditions at the time the diagnostic fails. The first time the diagnostic fails, this information will be stored in Failure Records. If the diagnostic reports a failure on the second consecutive drive trip, the operating conditions at the time of failure will be written to Freeze Frame and the Failure record will be updated.

Conditions for Clearing the MIL/DTC

    • The PCM will turn the MIL OFF after three consecutive drive trips that the diagnostic runs and does not fail.
    • A last test failed (Current DTC) will clear when the diagnostic runs and does not fail.
    • A History DTC will clear after forty consecutive warm-up cycles, if no failures are reported by this or any other emission related diagnostic.
    • PCM battery voltage is interrupted.
    • Using a Scan tool.

Diagnostic Aids

    • An intermittent may be caused by the following:
       - Mis-routed harness.
       - Rubbed through wire insulation.
       - Broken wire inside the insulation.
    • If other DTCs are set that share the same ground and/or 5.0 volt reference circuit, check for faulty connections and for faulty wiring.
    • The PCM 5 volt reference circuits are internally connected within the PCM. If all the TP sensor circuits check to be OK, inspect related 5.0 volt reference circuits.
    • If it is determined that the DTC occurs intermittently, performing the DTC P1121 diagnostic table may isolate the cause of the fault.

For intermittents, refer to Symptoms .

Test Description

Number(s) below refer to step numbers on the diagnostic table.

  1. This checks if the fault is present.

  2. Using Freeze Frame and/or Failure Records data may aid in locating an intermittent condition. If the DTC cannot be duplicated, the information included in the Freeze Frame and/or Failure Records data can be useful in determining how many miles since the DTC set. The Fail Counter and Pass Counter can also be used to determine how many ignition cycles the diagnostic reported a pass and/or a fail. Operate vehicle within the same freeze frame conditions (RPM, load, vehicle speed, temperature etc.) that were noted. This will isolate when the DTC failed.

  3. If the TP sensor voltage drops indicates that there is no malfunction with the TP sensor wiring or the PCM.

  4. This checks the 5.0 volt reference circuit, signal circuit and the PCM. If the scan tool displayed 5.0 volts indicates the TP sensor circuits are OK.

Step

Action

Value(s)

Yes

No

1

Was the Powertrain On-Board Diagnostic (OBD) System Check performed?

--

Go to Step 2

Go to Powertrain On Board Diagnostic (OBD) System Check

2

  1. Turn the ignition ON, engine OFF.
  2. Using a scan tool on the Engine 1 data list, monitor the TP sensor voltage while moving accelerator pedal from a closed throttle to a wide open throttle.

Does the TP sensor voltage go from below the specified value to above the specified value?

Below 1.0 V to above 4.0 V

Go to Step 3

Go to Step 4

3

  1. Turn the ignition ON, engine OFF, review Freeze Frame and/or Failure Records data for this DTC and note parameters.
  2. Turn the ignition OFF for 15 seconds.
  3. Start the engine and operate the vehicle within the conditions required for this diagnostic to run, and as close to the conditions recorded in Freeze Frame/Failure Records as possible. Special operating conditions that need to be met before the PCM will run this diagnostic, where applicable, are listed in Conditions for Setting the DTC.
  4. Using the scan tool, select DTC, Specific, then enter the DTC number which was set.

Does the scan tool indicate that this diagnostic failed this ignition?

--

Go to Step 4

Go to Diagnostic Aids

4

  1. Disconnect the TP sensor.
  2. Observe the TP sensor reading on the scan tool.

Is the TP sensor voltage near the specified value?

0.0 V

Go to Step 5

Go to Step 7

5

Using a fused jumper wire, jump the TP sensor 5.0 volt reference circuit to the TP sensor signal circuit.

Is the TP sensor voltage near the specified value?

5.0 V

Go to Step 6

Go to Step 8

6

Replace the TP sensor. Refer to Throttle Position Sensor Replacement .

Is the action complete?

--

Go to Step 10

--

7

Check for the following conditions:

    • TP signal circuit for a short to voltage.
    • TP sensor ground circuit for high resistance between the PCM and the TP sensor.
    • TP sensor ground circuit for a poor connection.

If a problem is found, repair wiring harness as necessary. Refer to Repair Procedures in Electrical Diagnosis (8A Cell 5).

Was a problem found?

--

Go to Step 10

Go to Step 9

8

Check for the following conditions:

    • TP signal circuit or 5 volt reference circuit for a poor connection.
    • TP signal circuit or 5 volt reference circuit for high resistance between the PCM and the TP sensor.

If a problem is found, repair wiring harness as necessary. Refer to Repair Procedures in Electrical Diagnosis (8A Cell 5).

Was a problem found?

--

Go to Step 10

Go to Step 9

9

Important:: Replacement PCM must be programmed. Refer to Powertrain Control Module Replacement/Programming .

Replace the PCM.

Is the action complete?

--

Go to Step 10

--

10

  1. Using the scan tool, select DTC, Clear Info.
  2. Start the engine and idle at normal operating temperature.
  3. Select DTC, Specific, then enter the DTC number which was set.
  4. Operate the vehicle within the conditions for setting this DTC as specified in the supporting text, if applicable.

Does the scan tool indicate that this test ran and passed?

--

Go to Step 11

Go to Step 2

11

Using the scan tool, select Capture Info, Review Info.

Are any DTCs displayed that have not been diagnosed?

--

Go to the applicable DTC table

System OK