GM Service Manual Online
For 1990-2009 cars only

Tools Required

    • J 41818 Crankshaft Bearing Cap Remover.
    • J 6125-1B Slide Hammer with Adapter.

Crankshaft Removal


    Object Number: 1958898  Size: SH
  1. Remove the crankshaft bearing cap side bolts (3).
  2. Remove the crankshaft bearing cap outer bolts  (1).
  3. Remove the crankshaft bearing cap inner bolts (2).

  4. Object Number: 1958903  Size: SH
  5. Install the J 41818  (2) to the inner bolt holes of the crankshaft bearing cap (3).
  6. Notice: Refer to Fastener Notice in the Preface section.

  7. Tighten the J 41818 nuts (1).
  8. Tighten
    Tighten the nuts to 11 N·m (97 lb in).

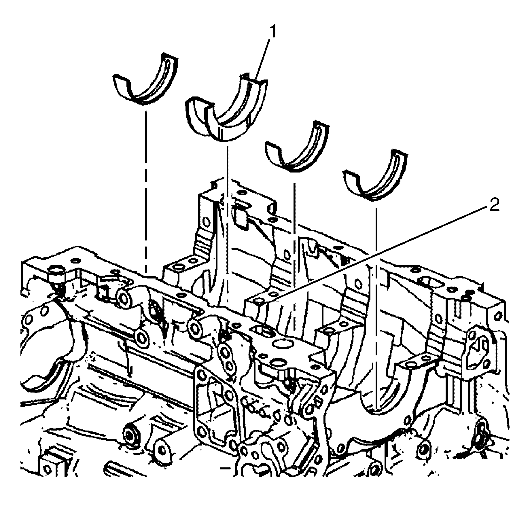
  9. Install the J 6125-1B  (4) onto the J 41818  (2).
  10. Remove the crankshaft bearing cap

  11. Object Number: 1958904  Size: SH

    Important: Lift the crankshaft (1) straight up evenly to remove from the cylinder block (2).

  12. Remove the crankshaft (1).
  13. Place the crankshaft in a secure place.

  14. Object Number: 1958906  Size: SH
  15. Remove the crankshaft sprocket drive pin (1) from the nose of the crankshaft (2), if required.
  16. Prepare a piece of cardboard or equivalent, numbered 1-4 for bearing identification. Main bearing journals are numbered from the front of the cylinder block.

  17. Object Number: 1958908  Size: SH
  18. Remove the crankshaft upper bearing halves from the cylinder block. Note the position of the thrust bearing (1) at the number 3 journal (2).
  19. Place the crankshaft upper bearing halves on the cardboard in the correct positions. Note that the number 3 bearing is the thrust bearing.

  20. Object Number: 1958910  Size: SH
  21. Remove the crankshaft lower bearing halves (2) from the crankshaft bearing caps (1).
  22. Place the crankshaft lower bearing halves (2) in the correct positions on the cardboard.