GM Service Manual Online
For 1990-2009 cars only

Tools Required

    • J 42385-700 High Feature Thread Repair Kit
    • J 42385-2000 Thread Insert Kit
    • J 43965 Thread Repair Extension Kit
    • The thread repair process involves a solid, thin walled, self-locking, carbon steel, bushing type insert. During the insert installation process, the installation driver tool cold-rolls the bottom internal threads and expands the bottom external threads of the insert into the base material. This action mechanically locks the insert into place.
    • The drill bit and counter bore tool from the tool kit J 42385-700 and J 42385-2000 is designed for use with either a suitable tap wrench or drill motor. Limited access and larger hole repair may process better using a tap wrench. An extension from kit J 43965 may also be necessary to drive the thread repair tooling dependent on access to the hole being repaired. Use only a tap wrench when tapping the hole and during installation of the insert.

    Object Number: 1961590  Size: SH
  1. It is critical that the drilling, counterboring and tapping of the hole to be repaired follows the same centerline as the original hole.

  2. Object Number: 1961591  Size: SH
  3. During the drilling and tapping of the hole being repaired ensure the tooling is consistently machining perpendicular to the surface of the base material.

  4. Object Number: 1961592  Size: SH
  5. If the threaded hole being repaired has a base surface perpendicular to the hole centerline, tapping guides are available to aid in tapping the hole.

Tap Size

Tap Guide

Tape Size

Tape Guide

Tap Size

Tape Guide

--

J 42385-

--

J 42385-

--

J 42385-

6 x 1.0

729

10 x 1.5

731

14 x 1.5

736

8 x 1.25

730

12 x 1.5

732

20 x 1.5

737

Standard Thread Repair - Flush Hole


    Object Number: 1961594  Size: SH

    Important: 

       • During the drilling process, it is necessary to repeatedly remove the drill and clean chips from the hole and the flutes of the drill.
       • DO NOT drill any further than the original hole depth.

  1. Drill out the threads of the damaged hole.
  2. Specifications

        • M6 inserts require a minimum drill depth of 15 mm (0.59 in).
        • M8 inserts require a minimum drill depth of 20 mm (0.79 in).
        • M10 inserts require a minimum drill depth of 23.5 mm (0.93 in).

    Object Number: 1961595  Size: SH

    Important: All chips must be removed from the drilled hole prior to tapping.

  3. Using compressed air, clean out any chips.

  4. Object Number: 1961596  Size: SH

    Important: A correctly counterbored hole will show a slight burnishing on the surface of the base material for 360 degrees around the drilled hole.

  5. Counterbore the drilled hole to the full depth permitted by the tool (1).

  6. Object Number: 1961595  Size: SH

    Important: All chips must be removed from the drilled hole prior to tapping.

  7. Using compressed air, clean out any chips.

  8. Object Number: 1961597  Size: SH

    Important: 

       • During the tapping process, it is necessary to repeatedly remove the tap and clean chips from the hole and the flutes of the tap.
       • Make sure the tap has created full threads at least to the depth equal to the insert length.

  9. Using a suitable tapping wrench, tap the threads of the drilled hole by hand only.
  10. Specifications

        • M6 inserts require a minimum tap depth of 15 mm (0.59 in).
        • M8 inserts require a minimum tap depth of 20 mm (0.79 in).
        • M10 inserts require a minimum tap depth of 23.5 mm (0.93 in).

    Object Number: 1961595  Size: SH

    Important: All chips must be removed from the tapped hole prior to insert installation.

  11. Using compressed air, clean out any chips.

  12. Object Number: 1961598  Size: SH
  13. Spray a commercially available thread cleaner (2) into the tapped hole (1).

  14. Object Number: 1961595  Size: SH

    Important: All chips must be removed from the tapped hole prior to insert installation.

  15. Using compressed air, clean out any chips.

  16. Object Number: 1961599  Size: SH

    Important: DO NOT allow oil or other foreign material to contact the Outside Diameter (OD) of the insert.

  17. Lubricate the threads of the driver installation tool (2) with the driver oil (1).

  18. Object Number: 1961600  Size: SH
  19. Install the insert (2) onto the driver installation tool (1).

  20. Object Number: 1961601  Size: SH
  21. Apply threadlock sealant LOCTITE 277® or equivalent (1) to the insert OD threads (2).

  22. Object Number: 1961602  Size: SH
  23. Install the insert (1) into the tapped hole by hand only.
  24. Install the insert until the flange of the insert contacts the counterbored surface. Continue to rotate the installer tool (1) through the insert.

    The installer tool will tighten up before screwing completely through the insert. This is acceptable. You are forming the bottom threads of the insert and mechanically locking the insert to the base material threads.


    Object Number: 1961593  Size: SH
  25. Inspect the insert for correct installation into the hole.
  26. A correctly installed insert (1) will be either flush or slightly below flush with the surface of the base material (2).


    Object Number: 1961604  Size: SH
  27. Any installed insert that restricts or blocks an oil or engine coolant passage (3) will need to have the oil or engine coolant passage drilled out (4) to the original size of the oil or engine coolant passage. After drilling the restriction or blockage, clean out any chips and thread the installation driver tool through the insert again to remove any burrs caused by the drilling of the oil or engine coolant passage.

Recessed Thread Repair


    Object Number: 1961605  Size: SH
  1. Install a stop collar (2) on the counterbore drill (1), if required.

  2. Object Number: 1961594  Size: SH

    Important: 

       • During the drilling process, it is necessary to repeatedly remove the drill and clean chips from the hole and the flutes of the drill.
       • Drill the hole until the stop collar contacts the surface of the base material.

  3. Drill out the threads of the damaged hole.

  4. Object Number: 1961595  Size: SH

    Important: All chips must be removed from the drilled hole prior to tapping.

  5. Using compressed air, clean out any chips.

  6. Object Number: 1961597  Size: SH

    Important: 

       • During the tapping process, it is necessary to repeatedly remove the tap and clean chips from the hole and the flutes of the tap.
       • Make sure the tap has created full threads at least to the depth equal to the insert length.

  7. Using a suitable tapping wrench, tap the threads of the drilled hole by hand only.

  8. Object Number: 1961595  Size: SH

    Important: All chips must be removed from the tapped hole prior to insert installation.

  9. Using compressed air, clean out any chips.

  10. Object Number: 1961598  Size: SH
  11. Spray a commercially available thread cleaner (2) into the tapped hole (1).

  12. Object Number: 1961595  Size: SH

    Important: All chips must be removed from the tapped hole prior to insert installation.

  13. Using compressed air, clean out any chips.

  14. Object Number: 1961599  Size: SH

    Important: DO NOT allow oil or other foreign material to contact the Outside Diameter (OD) of the insert.

  15. Lubricate the threads of the driver installation tool (2) with the driver oil (1).

  16. Object Number: 1961600  Size: SH
  17. Install the insert (2) onto the driver installation tool (1).

  18. Object Number: 1961601  Size: SH
  19. Apply threadlock sealant LOCTITE 277® or equivalent (1) to the insert OD threads (2).

  20. Object Number: 1961606  Size: SH
  21. Install the insert (1) into the tapped hole by hand only.

  22. Object Number: 1961607  Size: SH

    Important: If the insert will not thread down until the flange contacts the counterbored surface remove the insert immediately with a screw extracting tool and inspect the tapped hole for any remaining chips and/or incorrect tapping.

  23. Install the insert until the flange (1) of the insert contacts the counterbored surface.

  24. Object Number: 1961603  Size: SH

    Important: The driver installation tool will tighten up before screwing completely through the insert. This is acceptable. The threads at the bottom of the insert are being formed and the insert is mechanically locking the insert into the base material threads.

  25. Continue to rotate the driver installation tool (1) through the insert (2).

  26. Object Number: 1961608  Size: SH
  27. Inspect the insert (1) for correct installation (2) into the tapped hole.

  28. Object Number: 1961609  Size: SH
  29. Any installed insert that restricts or blocks an oil or engine coolant passage (3) will need to have the oil or engine coolant passage drilled out (4) to the original size of the oil or engine coolant passage. After drilling the restriction or blockage, clean out any chips and thread the installation driver tool through the insert again to remove any burrs caused by the drilling of the oil or engine coolant passage.

Tapered Pipe Thread Repair


    Object Number: 1961594  Size: SH

    Important: 

       • The thread repair insert for tapered pipe threads is coated with a clear silver zinc coating.
       • During the drilling process, it is necessary to repeatedly remove the drill and clean chips from the hole and the flutes of the drill.
       • Drill the hole until the stop collar contacts the surface of the base material.

  1. Drill out the threads of the damaged hole.

  2. Object Number: 1961595  Size: SH

    Important: All chips must be removed from the drilled hole prior to tapping.

  3. Using compressed air, clean out any chips.

  4. Object Number: 1961597  Size: SH

    Important: 

       • During the tapping process, it is necessary to repeatedly remove the tap and clean chips from the hole and the flutes of the tap.
       • Make sure the tap has created full threads at least to the depth equal to the insert length.

  5. Using a suitable tapping wrench, tap the threads of the drilled hole by hand only.

  6. Object Number: 1961611  Size: SH
  7. Tap the drilled hole until the threads at the top of the tap (1) are down to the surface of the base material (2).

  8. Object Number: 1961595  Size: SH

    Important: All chips must be removed from the tapped hole prior to insert installation.

  9. Using compressed air, clean out any chips.

  10. Object Number: 1961598  Size: SH
  11. Spray a commercially available thread cleaner (2) into the tapped hole (1).

  12. Object Number: 1961595  Size: SH

    Important: All chips must be removed from the tapped hole prior to insert installation.

  13. Using compressed air, clean out any chips.

  14. Object Number: 1961599  Size: SH

    Important: DO NOT allow oil or other foreign material to contact the Outside Diameter (OD) of the insert.

  15. Lubricate the threads of the driver installation tool (2) with the driver oil (1).

  16. Object Number: 1961600  Size: SH
  17. Install the insert (2) onto the driver installation tool (1).

  18. Object Number: 1961601  Size: SH
  19. Apply threadlock sealant LOCTITE 277® or equivalent (1) to the insert OD threads (2).

  20. Object Number: 1961612  Size: SH
  21. Install the insert (1) into the tapped hole by hand only.

  22. Object Number: 1961613  Size: SH

    Important: If the insert will not thread down until the flange contacts the surface of the base material remove the insert immediately with a screw extracting tool and inspect the tapped hole for any remaining chips and/or incorrect tapping.

  23. Install the insert until the flange (1) of the insert contacts the surface of the base material.

  24. Object Number: 1961614  Size: SH

    Important: The driver installation tool will tighten up before screwing completely through the insert. This is acceptable. The threads at the bottom of the insert are being formed and the insert is mechanically locking the insert into the base material threads.

  25. Continue to rotate the driver installation tool (1) until the top of the threaded section (2) is level with the top of the insert (3).

  26. Object Number: 1961610  Size: SH
  27. Inspect the insert (1) for correct installation (2) into the tapped hole.

  28. Object Number: 1961615  Size: SH
  29. Any installed insert that restricts or blocks an oil or engine coolant passage (3) will need to have the oil or engine coolant passage drilled out (4) to the original size of the oil or engine coolant passage. After drilling the restriction or blockage, clean out any chips and thread the installation driver tool through the insert again to remove any burrs caused by the drilling of the oil or engine coolant passage.

Cylinder Head Bolt Hole Thread Repair

Tools Required

    • J 42385-700 High Feature Thread Repair Kit
    • J 42385-2000 Thread Insert Kit
   • 
Object Number: 1961616  Size: SH
  • The cylinder head bolt hole thread repair tooling are in the kits J 42385-2000 and J 42385-700 . The cylinder head bolt hole thread repair components consist of the following:
  •     • J 42385-723 Drill (1)
        • J 42385-724 Tap (2)
        • J 42385-725 Installation driver (3)
        • J 42385-303 Alignment pin (4)
        • J 42385-302 Bushing (5)
        • J 42385-733 Bolts (6)
        • J 42385-401 Fixture plate (7)

    Caution: Refer to Safety Glasses Caution in the Preface section.

           Important: 
       • Remove the fixture plate prior to installing the insert with the installer tool.
       • The use of a cutting type fluid such as WD 40®; or equivalent is recommended when performing the drilling, counterboring and tapping procedures.

        • When installed to the correct depth, the flange of the insert will be seated against the counterbore of the drilled/tapped hole.

      Object Number: 1961617  Size: SH
    1. Position the fixture plate (3) with the bushing (1) installed over the cylinder head bolt hole to be repaired (4).
    2. Loosely install the fixture plate bolts (2) into the remaining cylinder head bolt holes.

    3. Object Number: 1961618  Size: SH
    4. Position the alignment pin (1) through the bushing and into the cylinder head bolt hole.
    5. With the alignment pin in the desired cylinder head bolt hole, tighten the fixture retaining bolts (2).
    6. Remove the alignment pin (1) from the cylinder head bolt hole.

    7. Object Number: 1961619  Size: SH

      Important: 

         • During the drilling process, it is necessary to repeatedly remove the drill and clean chips from the hole and the flutes of the drill.
         • Drill the hole until the stop collar contacts the top of the drill bushing.

    8. Drill out the threads of the damaged hole.

    9. Object Number: 1961595  Size: SH

      Important: All chips must be removed from the drilled hole prior to tapping.

    10. Using compressed air, clean out any chips.

    11. Object Number: 1961620  Size: SH

      Important: 

         • During the tapping process, it is necessary to repeatedly remove the tap and clean chips from the hole and the flutes of the tap.
         • Make sure the tap has created full threads at least to the depth equal to the insert length.

    12. Using a suitable tapping wrench (1), tap the threads of the drilled hole by hand only.

    13. Object Number: 1961621  Size: SH
    14. In order to tap the new threads for the insert to the correct depth, rotate the tap into the cylinder head bolt hole until the mark (1) on the tap aligns with the top of the drill bushing.

    15. Object Number: 1961617  Size: SH

      Important: Remove the fixture plate prior to installing the insert with the installer tool.

    16. Remove the fixture plate bolts (2).
    17. Remove the fixture plate (3) and bushing (1).

    18. Object Number: 1961595  Size: SH

      Important: All chips must be removed from the tapped hole prior to insert installation.

    19. Using compressed air, clean out any chips.

    20. Object Number: 1961598  Size: SH
    21. Spray a commercially available thread cleaner (2) into the tapped hole (1).

    22. Object Number: 1961595  Size: SH

      Important: All chips must be removed from the tapped hole prior to insert installation.

    23. Using compressed air, clean out any chips.

    24. Object Number: 1961599  Size: SH

      Important: DO NOT allow oil or other foreign material to contact the outside diameter (OD) of the insert.

    25. Lubricate the threads of the driver installation tool (2) with the driver oil (1).

    26. Object Number: 1961600  Size: SH
    27. Install the insert (2) onto the driver installation tool (1).

    28. Object Number: 1961601  Size: SH
    29. Apply threadlock sealant such as LOCTITE 277®; or equivalent (1) to the insert OD threads (2).

    30. Object Number: 1961621  Size: SH
    31. Install the insert and installation driver (1) into the tapped hole by hand only.
    32. Start the insert into the threaded hole.
    33. Important: If the insert will not thread down until the flange contacts the counterbored surface remove the insert immediately with a screw extracting tool and inspect the tapped hole for any remaining chips and/or incorrect tapping.

    34. Install the insert until the flange of the insert contacts the counterbored surface.
    35. Important: The driver installation tool will tighten up before screwing completely through the insert. This is acceptable. The threads at the bottom of the insert are being formed and the insert is mechanically locking the insert into the base material threads.

    36. Continue to rotate the driver installation tool through the insert.

    37. Object Number: 1961622  Size: SH
    38. In order to completely form the new threads in the insert, rotate the driver installation tool through the insert until the mark (1) on the driver installation tool aligns with the surface of the cylinder block deck (2).
    39. Inspect the insert for correct installation into the tapped hole.

    Crankshaft Main Bolt Hole Thread Repair

    Tools Required

        • J 42385-700 High Feature Thread Repair Kit
        • J 42385-2000 Thread Insert Kit
       • 
    Object Number: 1961623  Size: SH

    Important: 

       • In order to repair some crankshaft main bolt holes it will be necessary to mount the fixture plate upside down.
       • DO NOT remove the fixture plate prior to installing the insert with the installation driver. The fixture plate remains in position throughout the thread repair process.

  • The crankshaft main bearing bolt hole thread repair tooling are in the kits J 42385-2000 and J 42385-700 . The crankshaft main bearing bolt hole thread repair components consist of the following:
  •     • J 42385-702 Drill (1) for outboard holes
        • J 42385-703 Tap (2) for outboard holes
        • J 42385-704 Installation driver (3) for outboard holes
        • J 42385-726 Bushing (4) for outboard holes
        • J 42385-727 Alignment pin (5) for outboard holes
        • J 42385-728 Bolts (6) for outboard holes
        • J 42385-720 Drill (7) for inboard holes
        • J 42385-721 Tap (8) for inboard holes
        • J 42385-722 Installation driver (9) for inboard holes
        • J 42385-713 Bushing (10)
        • J 42385-308 Alignment pin (11)
        • J 42385-734 Bolts (12)
        • J 42385-712 Fixture plate (13)

    Outboard Bolt Holes

    Caution: Refer to Safety Glasses Caution in the Preface section.

           Important: 
       • Ensure the fixture plate is installed during the machining and installation processes of the insert.
       • The use of a cutting type fluid such as WD 40® or equivalent is recommended when performing the drilling, counterboring and tapping procedures.

        • When installed to the correct depth, the flange of the insert will be seated against the counterbore of the drilled/tapped hole.

      Object Number: 1961624  Size: SH
    1. Position the fixture plate (3) with the bushing (2) installed over the crankshaft main cap bolt hole to be repaired.
    2. Loosely install the fixture plate bolts (1) into the remaining crankshaft main cap bolt holes.

    3. Object Number: 1961625  Size: SH
    4. Position the alignment pin (1) through the bushing and into the crankshaft main cap bolt hole.
    5. With the alignment pin in the desired crankshaft main cap bolt hole, tighten the fixture retaining bolts (2).
    6. Remove the alignment pin (1) from the crankshaft main cap bolt hole.

    7. Object Number: 1961626  Size: SH

      Important: 

         • During the drilling process, it is necessary to repeatedly remove the drill and clean chips from the hole and the flutes of the drill.
         • Drill the crankshaft main bolt hole until the mark (1) on the drill aligns with the top of the drill bushing (2).

    8. Drill out the threads of the damaged hole.

    9. Object Number: 1961595  Size: SH

      Important: All chips must be removed from the drilled hole prior to tapping.

    10. Using compressed air, clean out any chips.

    11. Object Number: 1961627  Size: SH

      Important: 

         • DO NOT remove the fixture plate, ensure the fixture plate is installed during the machining and installation processes of the insert.
         • During the tapping process, it is necessary to repeatedly remove the tap and clean chips from the hole and the flutes of the tap.
         • Make sure the tap has created full threads at least to the depth equal to the insert length.

    12. Using a suitable tapping wrench (1), tap the threads of the drilled hole by hand only.

    13. Object Number: 1961760  Size: SH
    14. In order to tap the new threads for the insert to the correct depth, rotate the tap into the crankshaft main cap bolt hole until the mark (1) on the tap aligns with the top of the drill bushing (2).

    15. Object Number: 1961595  Size: SH

      Important: All chips must be removed from the tapped hole prior to insert installation.

    16. Using compressed air, clean out any chips.

    17. Object Number: 1961598  Size: SH
    18. Spray a commercially available thread cleaner (2) into the tapped hole (1).

    19. Object Number: 1961595  Size: SH

      Important: All chips must be removed from the tapped hole prior to insert installation.

    20. Using compressed air, clean out any chips.

    21. Object Number: 1961599  Size: SH

      Important: 

         • DO NOT remove the fixture plate, make sure the fixture plate is installed during the installation process of the insert.
         • DO NOT allow oil or other foreign material to contact the Outside Diameter (OD) of the insert.

    22. Lubricate the threads of the driver installation tool (2) with the driver oil (1).

    23. Object Number: 1961600  Size: SH
    24. Install the insert (2) onto the driver installation tool (1).

    25. Object Number: 1961601  Size: SH
    26. Apply threadlock sealant such as LOCTITE 277®, or equivalent (1) to the insert OD threads (2).

    27. Object Number: 1961628  Size: SH
    28. Install the insert and installation driver (1) into the tapped hole by hand only.
    29. Start the insert into the threaded hole.
    30. Important: If the insert will not thread down until the flange contacts the counterbored surface remove the insert immediately with a screw extracting tool and inspect the tapped hole for any remaining chips and/or incorrect tapping.

    31. Install the insert until the flange of the insert contacts the counterbored surface.
    32. Important: The driver installation tool (1) will tighten up before screwing completely through the insert. This is acceptable. The threads at the bottom of the insert are being formed and the insert is mechanically locking the insert into the base material threads.

    33. Continue to rotate the driver installation tool (1) through the insert.

    34. Object Number: 1961760  Size: SH
    35. Rotate the driver installation tool until the mark (1) on the driver installation tool aligns with the top of the drill bushing (2).
    36. Inspect the insert for correct installation into the tapped hole.

    37. Object Number: 1961629  Size: SH
    38. Remove the fixture plate bolts (1).
    39. Remove the fixture plate (3) and bushing (2).

    Inboard Bolt Holes

    Caution: Refer to Safety Glasses Caution in the Preface section.

           Important: 
       • Ensure the fixture plate is installed during the machining and installation processes of the insert.
       • The use of a cutting type fluid such as WD 40® or equivalent is recommended when performing the drilling, counterboring and tapping procedures.

        • When installed to the correct depth, the flange of the insert will be seated against the counterbore of the drilled/tapped hole.

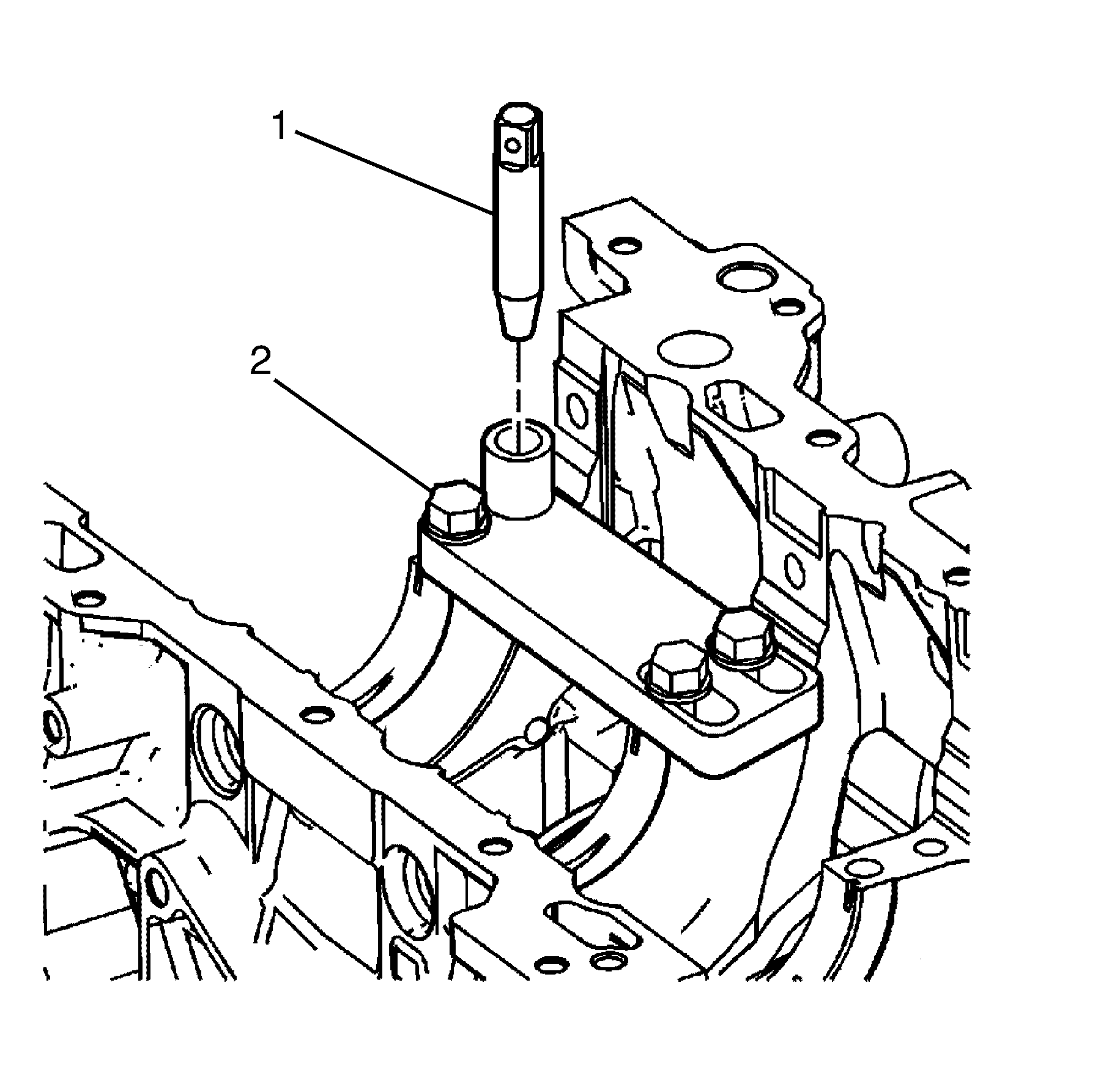
      Object Number: 1961630  Size: SH
    1. Position the fixture plate (3) with the bushing (1) installed over the crankshaft main cap bolt hole to be repaired.
    2. Loosely install the fixture plate bolts (2) into the remaining crankshaft main cap bolt holes.

    3. Object Number: 1961631  Size: SH
    4. Position the alignment pin (1) through the bushing and into the crankshaft main cap bolt hole.
    5. With the alignment pin in the desired crankshaft main cap bolt hole, tighten the fixture retaining bolts (2).
    6. Remove the alignment pin (1) from the crankshaft main cap bolt hole.

    7. Object Number: 1961632  Size: SH

      Important: 

         • During the drilling process, it is necessary to repeatedly remove the drill and clean chips from the hole and the flutes of the drill.
         • Drill the crankshaft main bolt hole until the mark (1) on the drill aligns with the top of the drill bushing (2).

    8. Drill out the threads of the damaged hole.

    9. Object Number: 1961595  Size: SH

      Important: All chips must be removed from the drilled hole prior to tapping.

    10. Using compressed air, clean out any chips.

    11. Object Number: 1961634  Size: SH

      Important: 

         • DO NOT remove the fixture plate, ensure the fixture plate is installed during the machining and installation processes of the insert.
         • During the tapping process, it is necessary to repeatedly remove the tap and clean chips from the hole and the flutes of the tap.
         • Make sure the tap has created full threads at least to the depth equal to the insert length.

    12. Using a suitable tapping wrench, tap the threads of the drilled hole by hand only.

    13. Object Number: 1961760  Size: SH
    14. In order to tap the new threads for the insert to the correct depth, rotate the tap into the crankshaft main cap bolt hole until the mark (1) on the tap aligns with the top of the drill bushing (2).

    15. Object Number: 1961595  Size: SH

      Important: All chips must be removed from the tapped hole prior to insert installation.

    16. Using compressed air, clean out any chips.

    17. Object Number: 1961598  Size: SH
    18. Spray a commercially available thread cleaner (2) into the tapped hole (1).

    19. Object Number: 1961595  Size: SH

      Important: All chips must be removed from the tapped hole prior to insert installation.

    20. Using compressed air, clean out any chips.

    21. Object Number: 1961599  Size: SH

      Important: 

         • DO NOTremove the fixture plate, make sure the fixture plate is installed during the installation process of the insert.
         • DO NOT allow oil or other foreign material to contact the Outside Diameter (OD) of the insert.

    22. Lubricate the threads of the driver installation tool (2) with the driver oil (1).

    23. Object Number: 1961600  Size: SH
    24. Install the insert (2) onto the driver installation tool (1).

    25. Object Number: 1961601  Size: SH
    26. Apply threadlock sealant such as LOCTITE 277®, or equivalent (1) to the insert OD threads (2).

    27. Object Number: 1961635  Size: SH
    28. Install the insert and installation driver into the tapped hole by hand only.
    29. Start the insert into the threaded hole.
    30. Important: If the insert will not thread down until the flange contacts the counterbored surface remove the insert immediately with a screw extracting tool and inspect the tapped hole for any remaining chips and/or incorrect tapping.

    31. Install the insert until the flange of the insert contacts the counterbored surface.
    32. Important: The driver installation tool will tighten up before screwing completely through the insert. This is acceptable. The threads at the bottom of the insert are being formed and the insert is mechanically locking the insert into the base material threads.

    33. Continue to rotate the driver installation tool through the insert.

    34. Object Number: 1961760  Size: SH
    35. Rotate the driver installation tool until the mark (1) on the driver installation tool aligns with the top of the drill bushing (2).
    36. Inspect the insert for correct installation into the tapped hole.

    37. Object Number: 1961636  Size: SH
    38. Remove the fixture plate bolts (2).
    39. Remove the fixture plate (3) and bushing (1).