GM Service Manual Online
For 1990-2009 cars only

    Object Number: 1958873  Size: SH
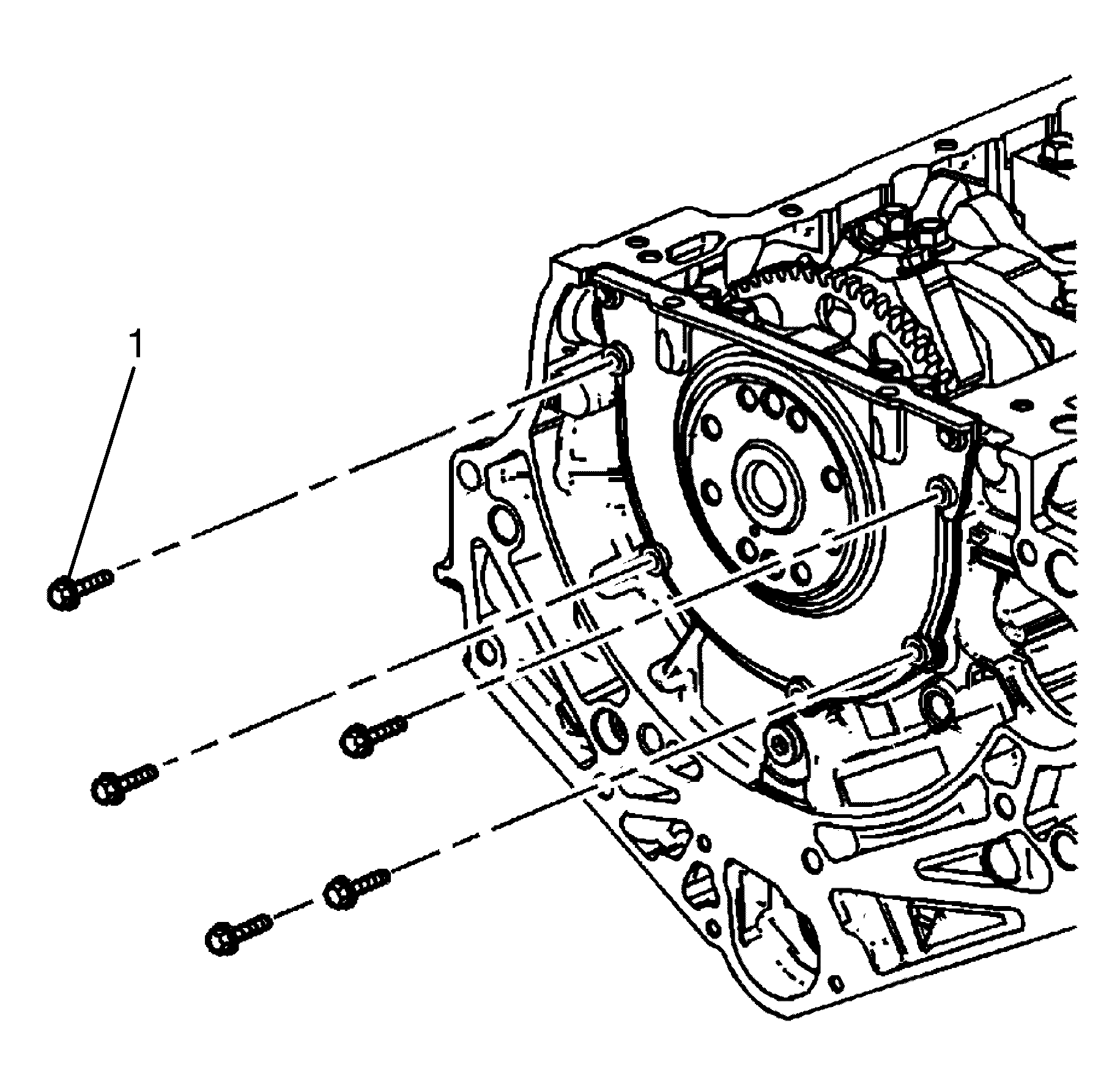
  1. Remove the crankshaft rear oil seal housing bolts (1).

  2. Object Number: 1958876  Size: SH
  3. Using the pry points located at the edge of the crankshaft rear oil seal housing shear the RTV sealant.

  4. Object Number: 1958877  Size: SH
  5. Remove and discard the crankshaft rear oil seal housing (1) from the cylinder block (2).