Tools Required
| • | J 41818
Crankshaft
Bearing Cap Remover |
Important:
| • | The crankshaft bearing caps are machined with the engine block for the
correct clearances. Mark or identify each crankshaft bearing cap location and direction
before removal. The crankshaft bearing caps MUST be installed to their original position
and direction. |
| • | Do not use the bearing cap M8 side bolts again. |
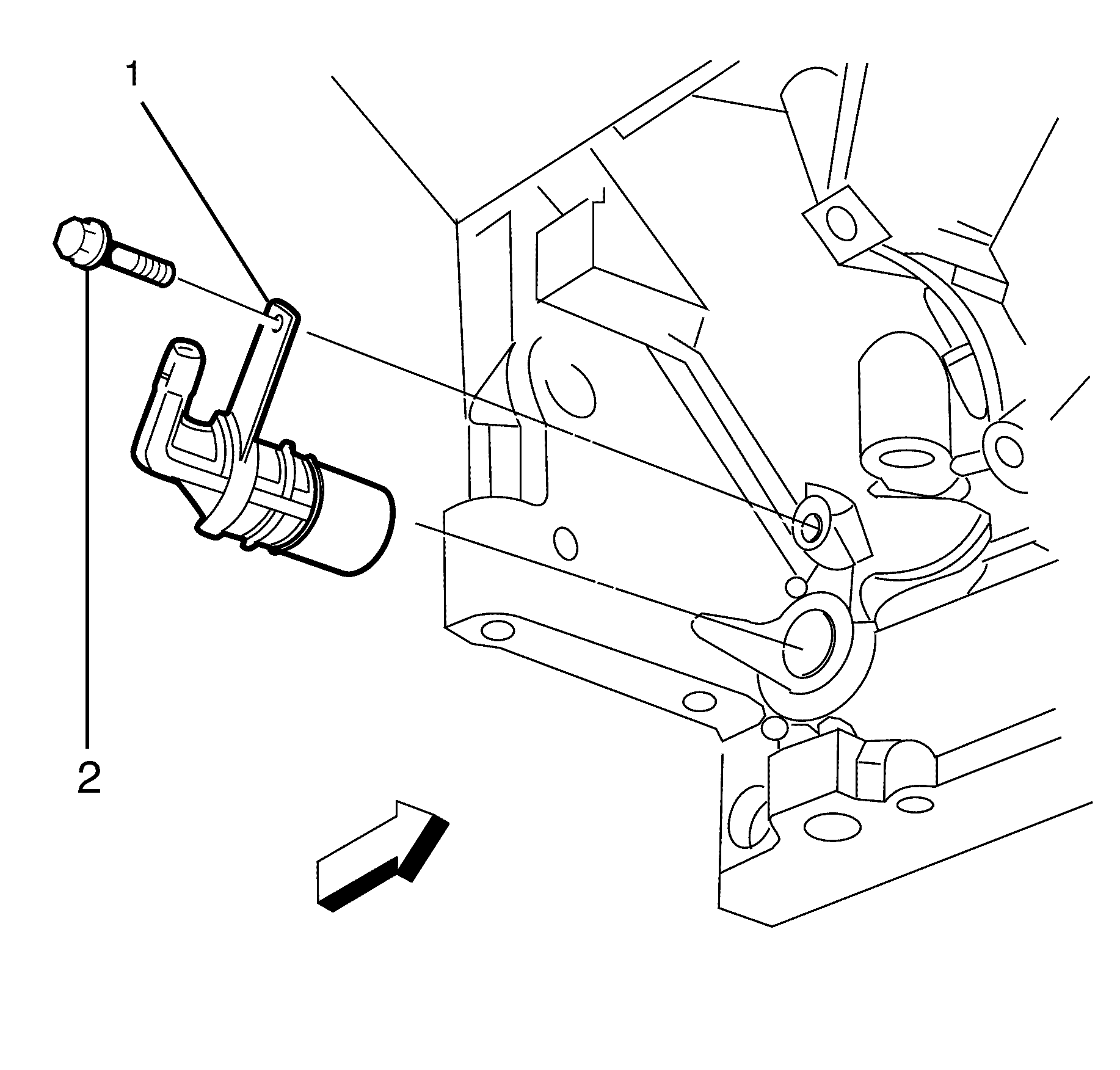
- Remove the crankshaft position (CKP)
sensor retaining bolt (2).
- Remove the CKP sensor (1).
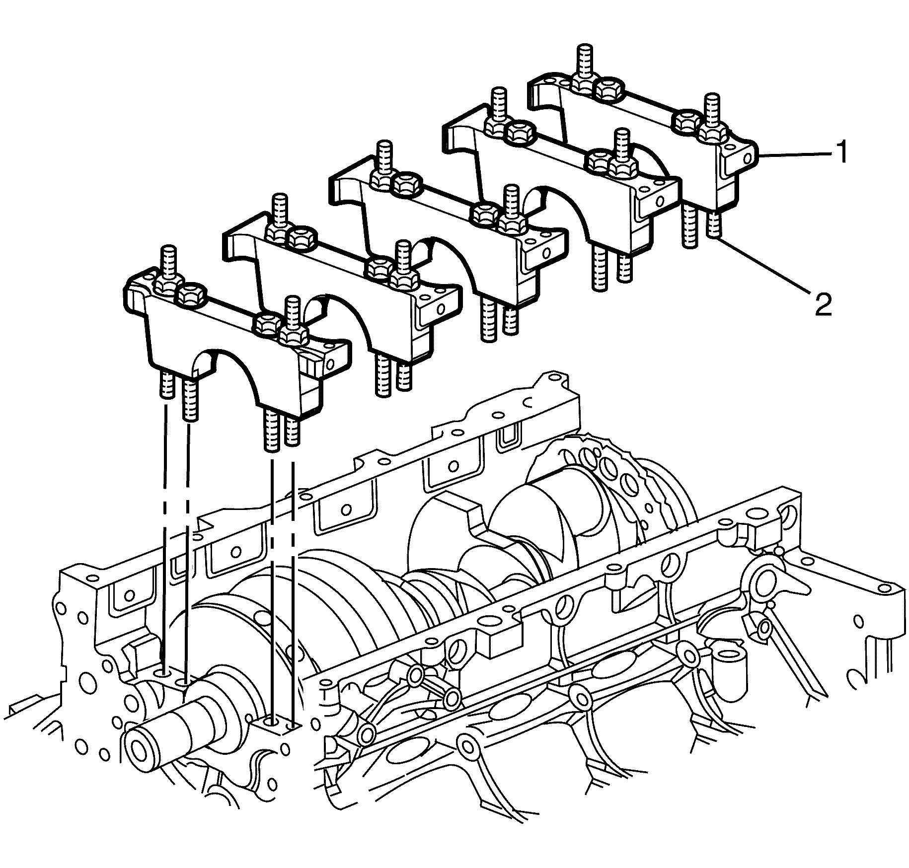
- Remove the M8 crankshaft bearing cap bolts (1),
ten places.
- Remove the M10 crankshaft bearing cap bolts (2), ten places.
- Remove the M10 crankshaft bearing cap studs (3), ten places.
Notice: Refer to Fastener Notice in the Preface section.
- Install the
J 41818
(1).
Tighten
Tighten the
J 41818
to 11 N·m (97 lb in).
- Install the
J 6125-1B
(2)
to the
J 41818
(1) in order
to remove the crankshaft bearing caps.
- Install the crankshaft bearing cap bolts
and studs (2).
- Remove the crankshaft bearing caps (1).
- Remove the crankshaft (1).
Important: Use care when handling the crankshaft. Avoid
damage to the CKP sensor reluctor ring teeth. Nicks, burrs or other damage to the
teeth may effect on-board diagnostics (OBD) II system performance.
- Lay the crankshaft onto wooden V blocks or other protective surface.
- Remove the crankshaft bearings (2)
from the bearing caps (1) and the cylinder block (3).
- Mark, sort, or organize the crankshaft bearings (2) so they may
be installed to their original position and location. Refer to
Separating Parts
.