GM Service Manual Online
For 1990-2009 cars only
Makes
🢒
Chevrolet
🢒
2007
🢒
Caprice WM
🢒
Diagnostic Navigation
🢒
Vehicle Diagnostic Information
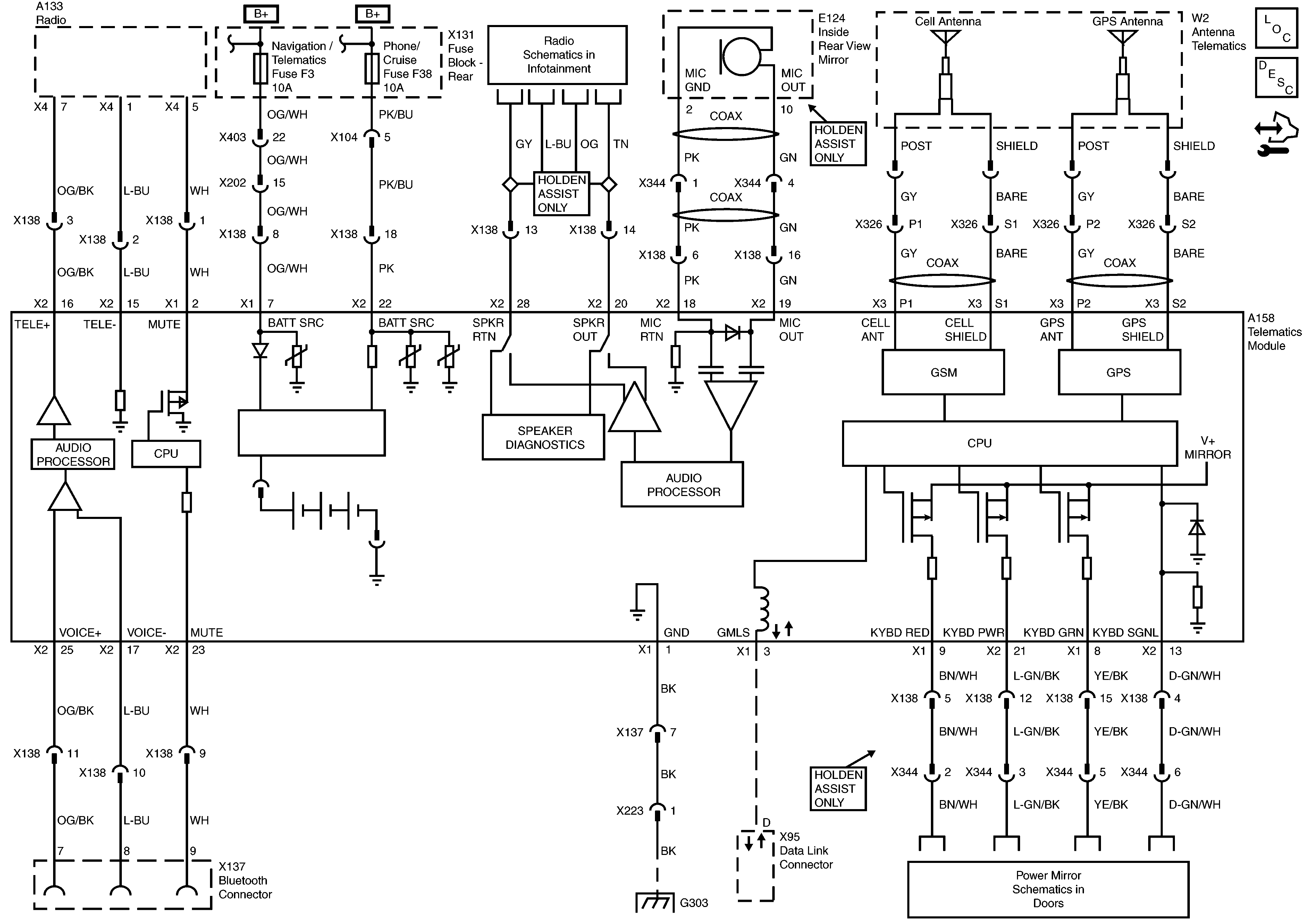
🢒 Telematics Schematics
Telematics Module, Power, Ground, Serial Data, Communication Signals and Controls
Master Electrical Component List
Control Module References