GM Service Manual Online
For 1990-2009 cars only
Makes
🢒
Chevrolet
🢒
2007
🢒
Caprice WM
🢒
Diagnostic Navigation
🢒
Vehicle Diagnostic Information
🢒 Automatic Transmission Controls Schematics
Figure
1:
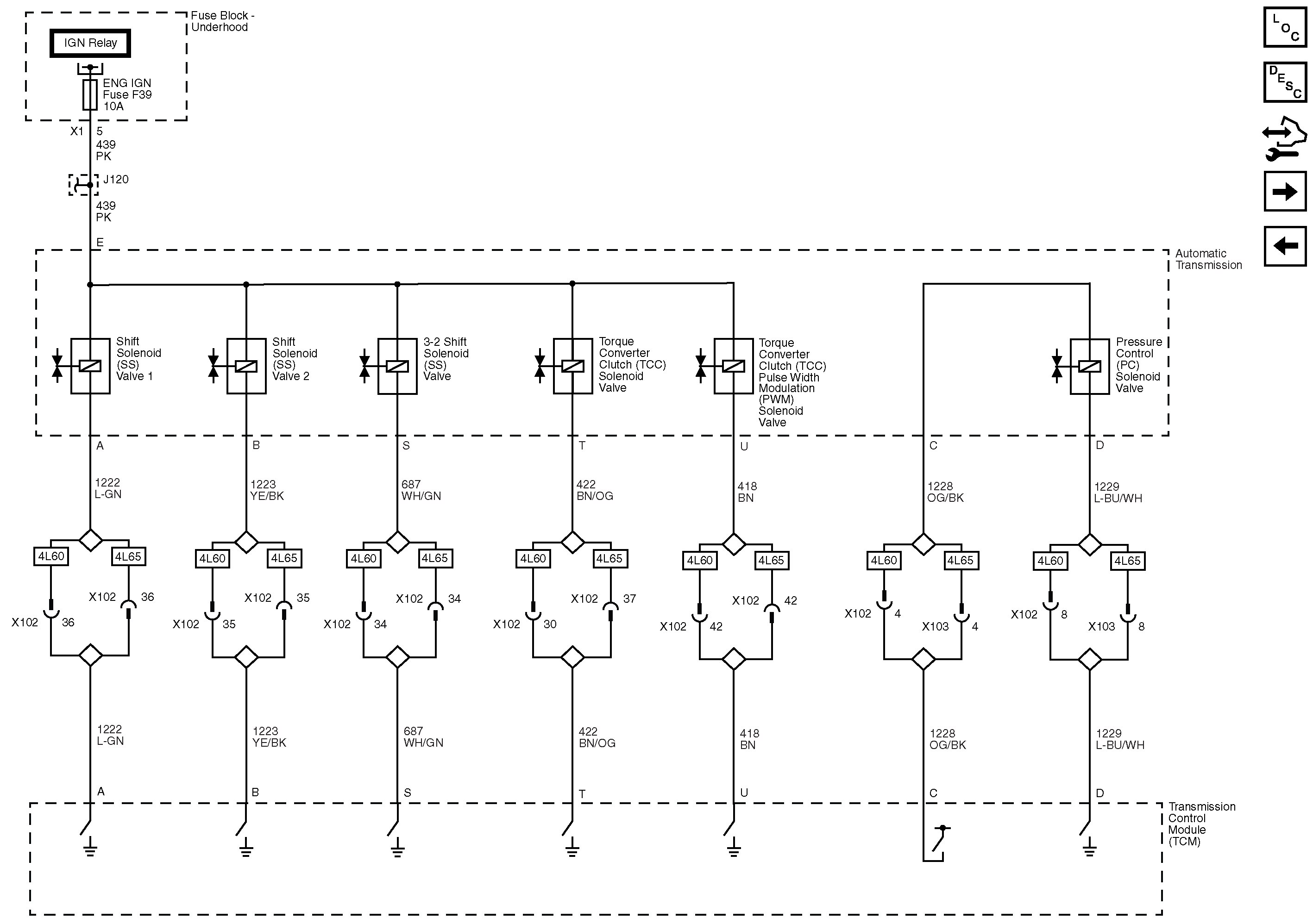
TCM and Transmission, Power, Ground, Serial Data, Inputs and Outputs
Figure
2:
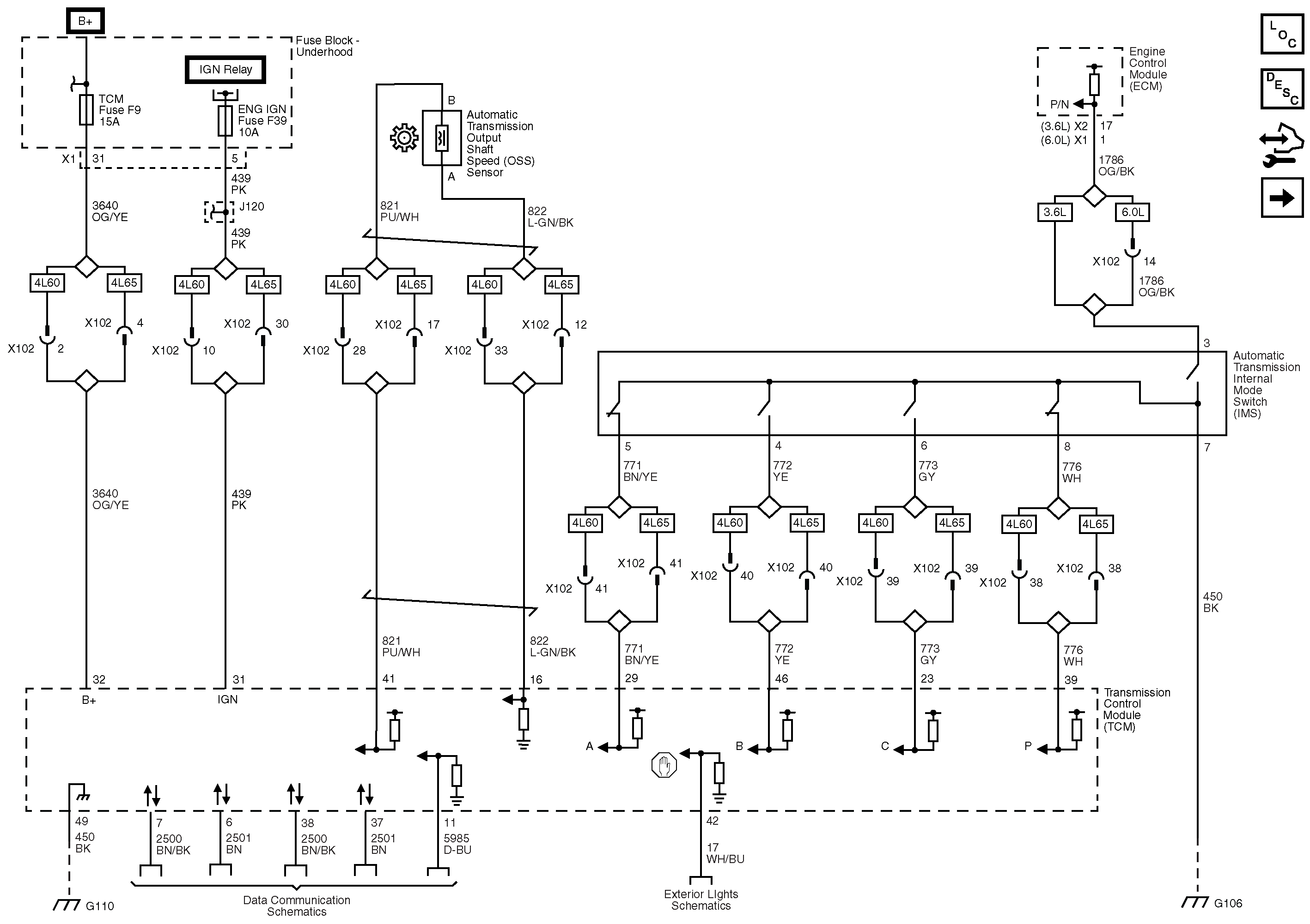
NSBU Switch and TOSS Sensor
Figure
3:
TCM and Transmission, Power, Ground, Serial Data, Inputs and Outputs