GM Service Manual Online
For 1990-2009 cars only
Makes
🢒
Chevrolet
🢒
2007
🢒
Caprice WM
🢒
Suspension
🢒
Suspension General Diagnosis
🢒 Special Tools
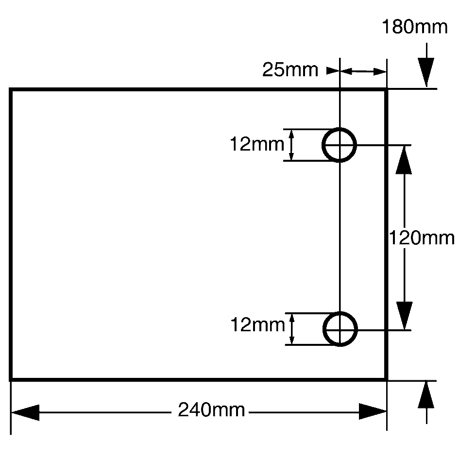
Illustration
Tool Number/ Description
Pre Fabricated Mounting Plate
J 8001
Dial Indicator