GM Service Manual Online
For 1990-2009 cars only
Makes
🢒
Chevrolet
🢒
2007
🢒
Caprice WM
🢒
Body Systems
🢒
Fixed and Moveable Windows
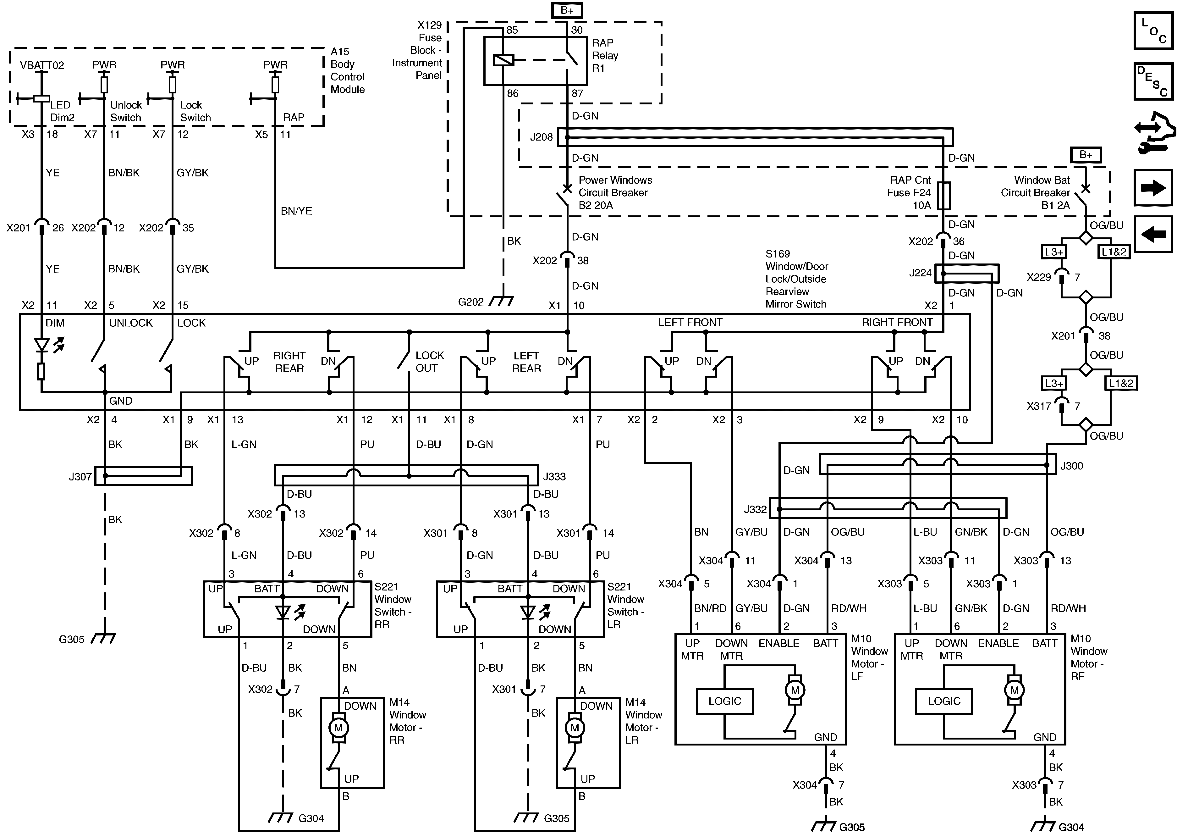
🢒 Moveable Window Schematics
Figure
1:
WNA
Master Electrical Component List
Power Windows Description and Operation
Control Module References
Power Window Switches and Motors
G303 and G304 - 2 of 2 and G305 - 1 of 2
G303 and G304 - 1 of 2
G303 and G304 - 2 of 2 and G305 - 1 of 2
G303 and G304 - 1 of 2
Figure
2:
Power Window Switches and Motors
Master Electrical Component List
Power Windows Description and Operation
Control Module References
Door Latch Assemblies and Hood Ajar Switch
Power Window Switches and Motors and mdash Express Down
G303 and G304 - 2 of 2 and G305 - 1 of 2
G303 and G304 - 2 of 2 and G305 - 1 of 2
G303 and G304 - 2 of 2 and G305 - 1 of 2
G303 and G304 - 1 of 2
G303 and G304 - 1 of 2
G202