GM Service Manual Online
For 1990-2009 cars only
Makes
🢒
Chevrolet
🢒
2007
🢒
Caprice WM
🢒
Transmission/Transaxle
🢒
Automatic Transmission - 5L40-E/5L50-E
🢒 Automatic Transmission Controls Schematics
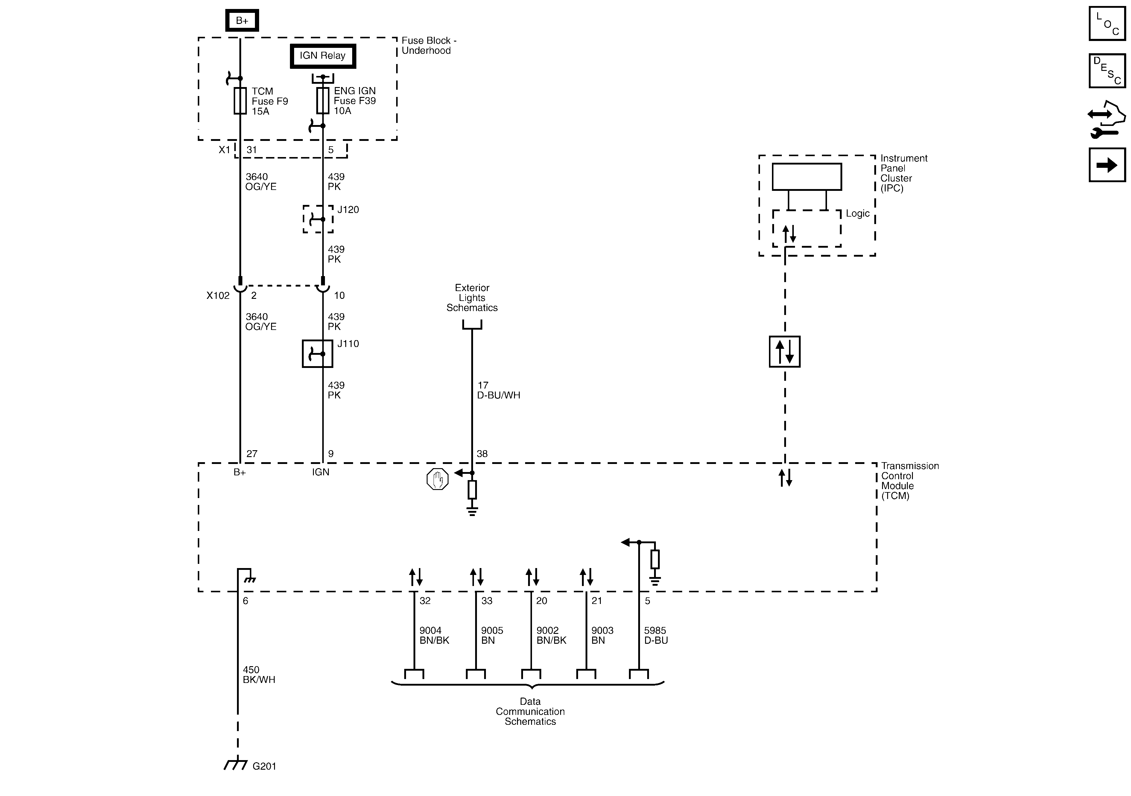
Figure
1:
Power, Ground, and Serial Data
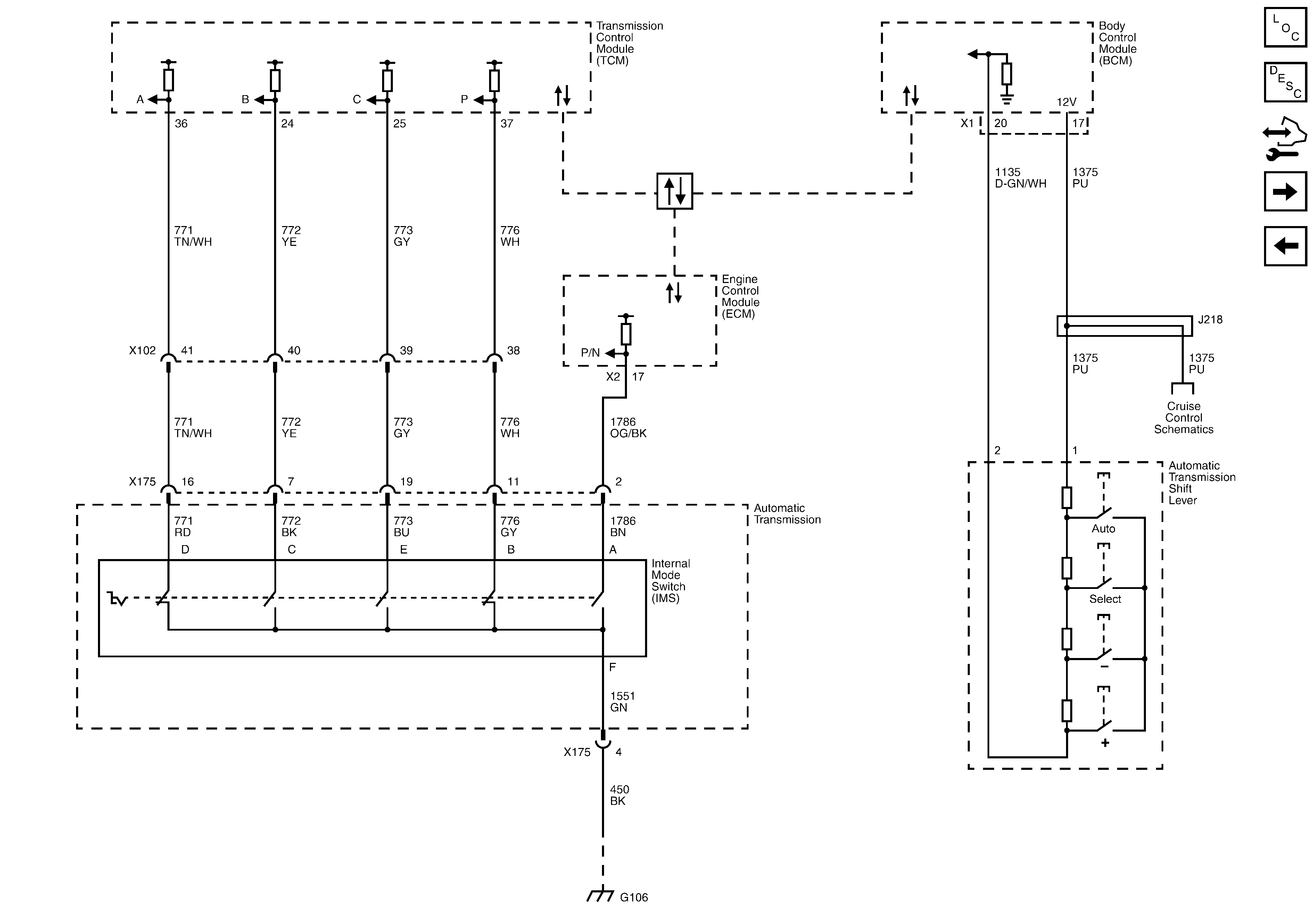
Figure
2:
Shift Controls
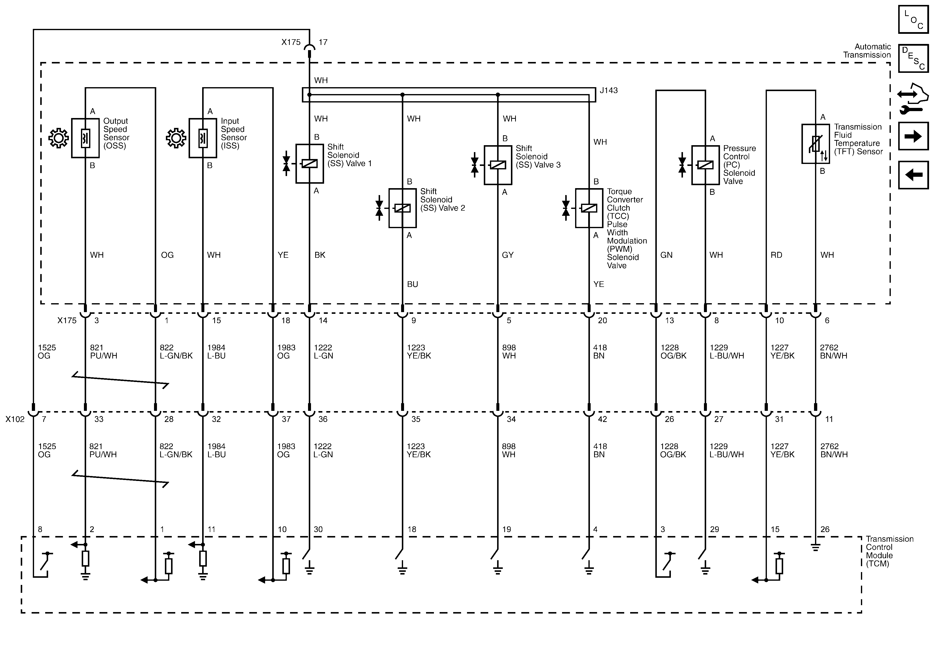
Figure
3:
Range and Driver Shift Request Controls