GM Service Manual Online
For 1990-2009 cars only

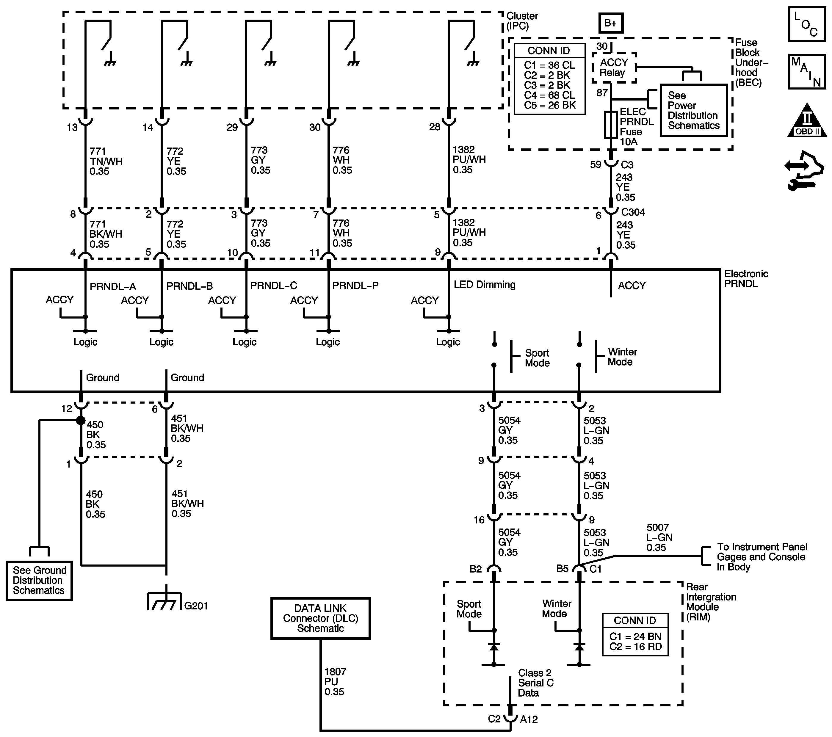
Circuit Description


Object Number: 1581341  Size: LF

The sport and economy shift modes allow driver selection of 2 different shift patterns. Sport mode programming in the transmission control module (TCM) increases transmission line pressure and extends shift points for performance enhanced driving. In the economy mode, the TCM uses standard programming, permitting normal line pressure and shifting. The sport mode switch is a console mounted momentary contact switch located on the electronic PRNDL assembly. Accessory voltage is supplied to the electronic PRNDL assembly through the ELEC PRNDL fuse. When the sport mode switch is depressed, it momentarily contacts the switch signal circuit. The rear integration module (RIM) recognizes the voltage on the circuit and sends a GMLAN serial data message to the dash integration module (DIM). The DIM sends a GMLAN message to the engine control module (ECM). The ECM sends a request to the transmission control module (TCM) through GMLAN to enable the sport mode program.

The TCM evaluates the request, and if operating conditions are correct for enabling the program, the TCM sends a confirmation message to the ECM. The ECM then requests the instrument panel cluster (IPC) to illuminate the sport mode indicator.

The sport mode feature remains enabled until the sport mode switch is pressed again. Once disabled, the TCM will return to the economy mode programming.

Diagnostic Aids

    • Test the instrument panel cluster (IPC) for proper operation and lamp illumination. Refer to Diagnostic System Check - Vehicle.
    • Test the rear integration module (RIM) for proper sport mode switch input and output operation. Refer to Body Control System Description and Operation.

Test Description

The numbers below refer to the step numbers on the diagnostic table.

  1. Diagnose all communication and body DTCs first. The DTC may be the source of the symptom.

  2. No PRNDL display may be open in the electronic PRNDL assembly accessory circuit.

  3. This step tests the sport mode circuit by bypassing the electronic PRNDL assembly.

Step

Action

Value(s)

Yes

No

1

  1. Install a scan tool.
  2. Turn ON the ignition, with the engine OFF.
  3. Select DTC Info.

Does the scan tool display DTCs that start with "U" or "B"?

--

Go to Diagnostic Trouble Code (DTC) List - Vehicle

Go to Step 2

2

  1. Place the gear selector in PARK.
  2. Turn the ignition to the RUN position with the engine OFF.
  3. While observing the sport mode indicator on the IPC, press the sport mode switch several times.

Does the sport mode indicator illuminate On and Off with switch operation?

--

Go to Intermittent Conditions

Go to Step 3

3

Is the sport mode indicator always On?

--

Go to Step 9

Go to Step 4

4

Move the gear selector from PARK through all gear positions while observing the electronic PRNDL display.

Does the PRNDL display all gear positions?

--

Go to Step 6

Go to Step 5

5

Test the accessory voltage circuit for an open. Refer to Testing for Continuity.

Did you find and correct the condition?

--

Go to Step 12

Go to Step 7

6

  1. Disconnect the electronic PRNDL assembly.
  2. Install a fused jumper between terminal 3 and 6 of the electronic PRNDL connector.
  3. Observe the sport mode indicator on the IPC.

Is the sport mode indicator illuminated?

--

Go to Step 11

Go to Step  7

7

Test the electronic PRNDL ground circuits for an open. Refer to Testing for Continuity.

Did you find and correct the condition?

--

Go to Step 12

Go to Diagnostic System Check - Vehicle

8

Test the sport mode switch signal circuit for an open. Refer to Testing for Continuity.

Did you find and correct the condition?

--

Go to Step  12

Go to Step 9

9

Test the sport mode switch signal circuit for a short to ground. Refer to Testing for Short to Ground.

Did you find and correct the condition?

--

Go to Step 12

Go to Step 10

10

While observing the sport mode indicator on the IPC, disconnect the electronic PRNDL assembly from the console wiring harness connector.

Is the IPC sport mode indicator no longer illuminated?

--

Go to Step  11

Go to Diagnostic System Check - Vehicle

11

Replace the electronic PRNDL assembly. Refer to Front Floor Console Replacement.

Is the action complete?

--

Go to Step 12

--

12

After repairs, test the sport/economy mode under the following conditions:

    • With the ignition in the RUN position, the IPC sport mode indicator does not illuminate during the bulb test.
    • Engine running:
       - The IPC sport mode indicator illuminates when the sport mode button is pressed.
       - The IPC sport mode indicator does not illuminate when the sport mode button is pressed again.
    • Vehicle operating in drive:
       - Noticeable change in the shift pattern when the sport mode is selected On and then Off.
       - The shift pattern returns to the economy mode after the ignition is cycled.

Does the sport/economy mode operate as described?

--

System OK

Go to Step  1